Сборка на дифф.автоматах
Преимущества:
каждая линия защищена как от КЗ, перегрузок, так и от утечек. И все это одни аппаратом.
проще установить проблемную зону при повреждениях
отсутствуют нулевые шины
у вас полная свобода в группировке аппаратов в щите
легко распределять нагрузку по фазам
большие габариты щита и большое количество модульных устройств (от 72шт и более)
очень дорого
Дифференциальный автомат это оборудование, которое ставится на отдельную линию, как обычный автомат, но еще включает в себя и защиту от утечек (дифф.защиту).
Это хоть и самый лучший вариант, но и самый дорогой. Поэтому используется крайне редко.
Общая сумма такой сборки может достигать 200 тысяч рублей.
Условно говоря, сколько у вас будет отходящих групповых линий, столько же понадобится дифф.автоматов.
При этом, чтобы при возможных авариях понять, от чего отключился такой автомат, от утечки или КЗ, рекомендуется использовать модели с индикацией причины срабатывания.
В начале схемы монтируется вводное устройство – рубильник. С него пускаете питание на реле напряжения.
Далее, через кросс-модули разделяете нагрузку на диффы. На каждый автомат пускаете по одной фазе.
Если в последствии окажется, что та или иная линия перегружает какую-либо из фаз, вам достаточно на одном из кросс модулей просто поменять их местами, перекинув провода с одной шинки на другую.
Если вы не ограничены бюджетом, то это самый лучший вариант сборки и комплектации трехфазного щитка.
Требования к электрическим щиткам
Выбор и покупка электрического щитка очень важное и ответственное дело, поскольку от этого выбора зависит не только удобство в использовании электроприборов, но и безопасность в доме. К щиткам и их установки выдвигаются определенные требования, которые прописаны в ГОСТ 51778-2001 и ПУЭ
Далее вы сможете прочесть перечень этих требований и правил, касаемо щитка и его установки:
- электрические щитки должны заполняться согласно идущей с ними технической документации, где отражено количество устанавливаемых автоматов и их номинальный ток;
- щиток должен быть иметь значок электрической безопасности с указанием напряжения (220В или 380В);
- щиток должен быть сделан из негорючих материал и иметь покрытие, которое не проводит ток. Это может быть пластик или металл, покрытый специальной краской;
- необходимо провести расключение внутри щитка, сделав на проводах маркировку, которая обозначает группы подключаемых приборов;
- перемычки между автоматами делаются с помощью специальных шиноприводов;
- дверцы и корпус щитка должны быть заземлены. Также на дверцах необходимо предусмотреть ушки или еще какой элемент, чтобы проверяющая организация могла его опломбировать;
- покупая щиток, проверяйте технический паспорт, где будет отражено: тип щитка, наименование производителя, сертификат, ГОСТ, номинальные токи вводного и защитного аппаратов УЗО, напряжение и частота, номинальный ток щитка, номинальные рабочие токи аппаратов УЗО, степень защиты, класс щитка, указания по подключению, вес и габариты.
Если вы будете придерживаться приведенных выше требований, а также требований, отмеченных в ГОСТ и ПУЭ, то вы сможете без лишних трудностей купить, установить и сделать подключение щитка у себя дома. Помимо этих знаний, вам также необходимо будет иметь на руках и электрическую схему щита управления, чтобы не возникло никаких трудностей при приеме работ сотрудниками ЖЭКа.
Основные ошибки при монтаже
- Гибкий многожильный кабель без гильз на концах — слабое место в электричестве. Со временем качество контакта ослабевает, соединение начинает греться и вызывать неполадки.
- Изоляция кабеля попадает в клемму, а в моменты высоких нагрузок нагревается и плавится.
- Жилы разного сечения на один автомат — это неизбежно приводит к плохому контакту, перегреванию провода и даже пожару.
- Пайка концов — старый и не достаточно надежный способ соединения проводов. Для соединения используются только подходящие наконечники.
Обязательно выполняйте обжим многожильного провода или используйте жесткий одножильный кабель.
Типичные ошибки при монтаже
Наиболее часто при монтаже электропроводки, а в частности подключении автомата, допускаются следующие ошибки:
- Питающий провод заводится снизу. Несмотря на то, что правилами ПУЭ такой вариант электромонтажа не запрещен, мы все же не рекомендуем осуществлять подключение автоматического выключателя снизу, тем более что даже на передней панели корпуса указана схема, на которой место установки неподвижного контакта – сверху (как показано на фото ниже).
- Контакты слишком сильно зажимаются фиксирующим винтом. Не нужно этого допускать, ведь в результате Вы можете не только повредить жилу кабеля, но и деформировать корпус изделия.
- Проводники неправильно соединяются. Обязательное условие – фазу нужно подключить под фазой, ноль под нулем (если используется двухполюсный выключатель). Сразу же рекомендуем ознакомиться с материалом: цветовая маркировка проводов.
- Вместо одного двухполюсного автомата используются два однополюсных. Это категорически запрещено, т.к. фаза и ноль должны разъединяться одновременно.
- При фиксации жилы в посадочное место попадает изоляция. Обязательно зачищайте провод настолько, насколько требует паспорт модели. Если вы придавите винтом изоляцию, контакт проводника ослабнет, вследствие чего будет происходить нагревание жилы и дальнейшие неблагоприятные последствия. Для данного мероприятия рекомендуем использовать специальный инструмент для снятия изоляции.
- Неправильно осуществляется выбор автоматического выключателя, в частности изделие не способно выдержать поступаемые нагрузки. В этом случае для начала необходимо правильно рассчитать сечение кабеля и согласно расчетным характеристикам выбрать подходящую модель.
- При расчете подходящего автоматического выключателя значение округляется в большую сторону. К примеру, Вы посчитали, что токовая нагрузка на изделие составляет 19 Ампер. По простейшей логики электрики-новички идут в магазин и приобретают для подключения аппарат ближайшего значения — на 20 Ампер. Это огромная ошибка, т.к. рассчитанное значение является номинальным, и получается, что срабатывание защиты будет осуществляться при небольшой перегрузке проводки. Лучше приобретать выключатель с показателем в 16 Ампер, так электропроводка прослужит дольше.
Еще один важный момент, на тему которого ведется множество дискуссий — можно ли подключить автомат перед счетчиком электроэнергии или делается это только после него? Ответ — можно, и даже нужно, главное купить специальный бокс, который пломбируется представителями энергосбыта. Установка вводного автомата перед электросчетчиком позволит производить безопасную замену устройства контроля электричества как в частном доме, так и квартире.
Вот, собственно, и есть правила установки и подключения электрического автомата своими руками. Теперь перейдем к основной теме статьи.
Сборка
После монтажа электрощита наступает черед сборки. Проводить его нужно обдуманно и взвешенно.
Правильный инструмент облегчает процесс подключения
Процесс выглядит следующим образом:
- Щиток устанавливается на положенное место, крепится к стене так, чтобы его невозможно было случайно сорвать. Он не должен шататься или болтаться.
- В бокс заводятся провода через входные щели, распределяются по комнатам и мощности (они должны быть промаркированы). Придерживайтесь составленной схемы электрощитка в квартире, не отклоняйтесь от нее.
- Края проводов зачищаются при помощи ножа или специального элемента.
- Прикручивается DIN-планка (она крепится на саморезы).
- Устанавливается все необходимое оборудование (счетчик, УДО, автоматы). Устройства просто защелкиваются на рейке – дополнительно укреплять их не нужно.
- Монтируется шина заземления и нулевая шина.
- Создаются перемычки из одножильного кабеля. Их делают в виде буквы “П” необходимой длины, для соединения устройств в одну линию.
- Автоматы, выключатели, УЗО соединяются друг с другом при помощи перемычек. Тщательно закручивайте винты, хорошо фиксируйте клеммы – ничего не должно болтаться или гулять.
- Подключите провода. Если вы запутались, какой откуда, то прозвоните их мультиметром (на дальнем конце скручиваете два конца, у счетчика прозваниваете их).
- Нулевые кабеля прикручиваются к общей планке и подключаются к соответствующему проводу, выходящему со счетчика.
- Счетчик пломбируется представителем компании. Это делается уже после расключения электрического щитка.
- Через главный автомат или рубильник подается электричество. Не должно возникать никаких искрений или нагревов проводов. Если вы слышите запах горелого, то разомкните главный автомат и ищите неправильное подключение. Если все в порядке, то работы можно считать оконченными.
Грамотно собранный бокс
Создание схемы
Электрический щиток в частном доме или квартире начинается с проектных работ, а именно – создания монтажной схемы. При этом желательно придерживаться рационального подхода к распределению будущих элементов. Это позволит не только сделать устройство более компактным, но и сэкономить на проводке. На данном этапе окончательно определяется место для монтажа готового оборудования.
Как рассчитать количество мест в электрощите
Рациональный подход при проектировании распределительного щита, в первую очередь, подразумевает грамотный расчёт количества мет под устанавливаемое оборудование. На практике в этом нет ничего сложного, поскольку все современные компоненты электрических щитов имеют строго унифицированные размеры.
За единицу измерения здесь считается один модуль. Эта площадь равна месту, которое занимает автоматический выключатель с одним полюсом. Его ширина равняется 17 с половиной сантиметров. Данный стандарт является международным и подходит для любых современных электротехнических компонентов.
Для удобства проведения расчётов предлагаем вам таблицу с основными компонентами, которые могут потребоваться в распределительном щите.
Таблица размеров модулей:
Пример простого расчёта для распределительного щита
Для практического понимания, как проводятся подобные расчёты, приведём небольшой пример для простого щитка распределения в квартире или частном доме.
На рисунке размещена схема, в которую включён счётчик электрической энергии. По условиям нашей задачи ввод основной линии выполнен при помощи кабеля ВВГнг сечением – 3*6 квадратных миллиметров. Теперь проведём подсчёт установленных в щите модулей и занимаемого ими места:
- на входе автоматический выключатель с двумя полюсами = 2 модуля;
- далее установлен счётчик электроэнергии = 6 модулей;
- после счётчика два УЗО = 4 модуля;
- автоматические выключатели с одним полюсом в количестве шести штук = 6;
- нулевые шины, предназначенные для двух УЗО = 2.
Подведём итоги суммировав все модули и получим – 20 мест и это для простейшего щита распределения. Поскольку все специалисты рекомендуют закладывать в расчёты определённый запас, на случай установки дополнительных компонентов, понимаем, что корпус для щитка надо приобретать, как минимум, на 24 места. Желательно это значение увеличить до 40, чтобы впоследствии не столкнуться с проблемой нехватки места.

Схема небольшого щита распределенияИсточник avatars.mds.yandex.net
Несколько слов про УЗО
При проектировании и монтаже важно помнить ещё об одном моменте – включение в схему УЗО. Эта аббревиатура расшифровывается как – устройство защитного отключения
Как и автомат УЗО является устройством защиты, но намного более чувствительным.
Автоматические выключатели рассчитаны на работу с короткими замыканиями в сети. Ток при таких нагрузках может достигать сотен ампер. Однако даже пара десятков миллиампер могут пагубно сказаться на человеческом здоровье. УЗО защищают именно от таких неприятностей.
Например, ребёнок засунул в розетку посторонний предмет, и ток будет мгновенно отключён. Плюс к этому необходимо добавить вид заземления в квартире. Уже повсеместно используется система с тремя фазами и нолём (международный стандарт TN-C). УЗО в такой системе является единственной и надёжной защитой от перегрузок.
Требования к распределительным щиткам
К электрическому оборудованию выдвигаются особые требования, поскольку оно отвечает за безопасность эксплуатации бытовых приборов. В обязательном порядке должно быть следующее:
- Наличие технического паспорта с описанием потребителей и номинального тока.
- Разработанная схема подключения.
- Маркировка проводов с обозначением приборов линии.
- Заземление щитка и всех подключаемых устройств.
- Если щит металлический, конструкция и дверцы должны быть заземлены, а покрытие корпуса — диэлектрическое.
- Наличие свободных клемм на шинах нулевого и заземляющего провода.
- Щиток изготовлен из негорючего материала.
Составление схемы электрического щитка
Важным этапом установки электрического щитка является создание его схемы. На это есть несколько объяснений. Допустим, если вы запланируете в будущем ремонт или модернизацию проводки в квартире, с помощью схемы вы сможете быстро установить, за что отвечает каждый автомат и деталь в щитке. Также схема понадобится при приеме работ электриком. К тому же подключать провода, имея такую схему на руках, намного проще. Вы ее сможете как нарисовать как вручную, так и в специализированных программах, после чего распечатать.
Электрическая схема создается в несколько этапов. Первым делом необходимо выяснить, какая в доме система электроснабжения, затем разбейте все точки потребления электричества на несколько категорий. После этого, на основе уже имеющихся данных и создается схема щитка
Крайне важно, что в схеме были использованы условные обозначения, которые подробно расписаны в ГОСТ 21.614 «Изображения условные графические электрооборудования и проводок в оригинале»
Итак, как выше было сказано, все работы начинаются из определения системы электроснабжения и заземления в квартире, поскольку от этого будет зависеть подключение щитка. Это можно узнать, посмотрев щиток на этаже или же сходив в ЖЭК. Зачастую в жилых обустраиваются три системы ТN-С, ТN-S, ТN-С-S.
Стоит сразу отметить, что первая система была создана еще по старым ГОСТам и использовалась в домах, которые были построены до 1998 г. Система TN — C представлена двухжильной медной или алюминиевой проводкой. К распределительному этажному щиту шел трехфазный кабель ( L ) с одной жилой PEN , в которой совмещены земля и ноль. Последние две системы используются в современных домах. В квартире проложен трехжильный медный провод, а к щиту подведен кабель с тремя фазами ( L ), нулем ( N ) и землей РЕ ( S ).
Этапы и правила сборки своими руками
Перед началом сборки электрощитка своими руками 220 В или 380 В необходимо создать все условия для комфортной работы. Необходимо проверить наличие инструмента и полного комплекта оборудования, крепежа, кабельной продукции. Подготовить фонарь с заряженным элементом питания. Нужно проверить схему и определить соответствие картинки с выведенными проводами.
Работы по монтажу щита распределяются на несколько этапов:
- Предварительные работы. Это все операции по непосредственной подготовке к установке электрощита. Для этого:
- Вынимаются пробки, просверливаются добавочные отверстия (по необходимости).
- Демонтируется дверь и стеновые панели, которые будут мешать. Устанавливаются все рейки и клеммник.
- Прикручиваются петли для монтажа.
- Далее прикидывается соответствие шкафа подготовленному месту. В целях удобства монтажа все приспособления, которые можно установить, монтируются на свои места, потому что в подвешенном ящике производить такие работы неудобно.
- Подгонка отходящих проводов. Перед установкой щита надо проверить соответствие их количества и промерить необходимую длину. Оставляется небольшой запас и лишнее обрезается. Заводит их обычно снизу, но при большом количестве часть проводов можно просунуть и сверху.
- Потом снимается внешняя изоляция. На провода предварительно можно нанести дополнительную маркировку цветным скотчем. Это позволит избежать ошибок в фазировке.
- Перед монтажом ящика заводятся провода, включая ввод. Распределить их необходимо в том порядке, в каком они будут подключаться.
- Затем шкаф устанавливается в постоянное положение. Крепление всего оснащения производится в строгом соответствии со схемой.
- Первоначально устанавливается вводное оборудование, затем счётчик, УЗО с автоматами и групповые выключатели.
Подсоединять кабели необходимо по порядку. С какой стороны это делать значения не имеет. Нужно соблюдать некоторые правила:
- Все провода при монтаже электрощитка своими руками укладываются горизонтально и вертикально.
- Изгибы — под углом 90 градусов.
- Жилы оголяются примерно на 10 миллиметров.
- На гибкий провод обжимают наконечники.
- Все соединения плотно протягиваются.
- По неписаным правилам ввод подключается сверху, потребители снизу.
- Не зачищенные области проводов не должны зажиматься в клеммниках.
- Для удобства монтажа и последующей эксплуатации группы проводов нужно собрать в жгуты и зафиксировать пластмассовыми хомутами.
Подключение питания на вводное устройство производится после полного снятия напряжения и проверки индикатором. Жилы крепко протягиваются на клеммах. Если есть земли контакт подключается на отдельный клеммник. После вводного автомата подсоединяется устройство учёта и далее по группам.
На заключительном этапе сборки электрических щитов необходимо визуально проверить правильность всех подключений, отсутствие лишних проводов и качество контактов, подёргав их рукой. После этого подаётся питание поочерёдно на каждую группу. Тестирование УЗО производится путём нажатия на кнопку и проверки отсутствия питания в соответствующей группе. Если не выявлено проблем или после их устранения и повторной проверки, все снятые детали возвращаются на место и производится включение напряжения на полную нагрузку.
Правильный монтаж и подбор соответствующих комплектующих гарантирует безаварийную эксплуатацию энергосистемы жилья. От этого зависит не только комфортное проживание, но и сохранность здоровья, а то и жизни человека.
Что должно быть в щитке
Есть несколько вариантов компоновки щитка — это касается места установки вводного автомата и счетчика. В частном доме могут счетчик поставить на столбе, а автомат — на фасаде дома, почти под крышей.
Электрощит
В некоторых многоквартирных домах счетчики стоят в боксах на лестничных клетках. В этом случае шкаф нужен только под УЗО и автоматы. В других случаях он стоит в квартире. При модернизации электросети, шкаф придется приобретать с расчетом, чтобы туда поместился и счетчик тоже или покупать отдельный бокс под счетчик с вводным автоматом.
Схема электросети для небольшого дома или квартиры
При составлении схемы электропитания очень важна безопасность. В первую очередь она обеспечивается для людей: при помощи УЗО — устройства защитного отключения, которое устанавливается сразу после счетчика. Это устройство срабатывает, если ток утечки превышает пороговое значение (произошло замыкание на «землю» или кто-то сунул пальцы в розетку). Это устройство разрывает цепь, минимизируя возможность поражения электротоком. От УЗО фаза поступает на входы автоматов, которые тоже срабатывают при превышении нагрузки или при коротком замыкании в цепи, но уже каждый на своем участке.
Во вторую очередь необходимо обеспечить нормальную работу бытовой техники и электроприборов. Современная сложная техника управляется микропроцессорами. Им для нормальной работы требуется стабильное питание. Понаблюдав некоторое время за напряжением в нашей сети, его стабильным не назовешь: оно изменяется от 150-160 В до 280 В. Такой разброс импортная техника не выдерживает. Потому хотя-бы некоторые группы автоматов, подающих питание на сложную технику, лучше включить через стабилизатор. Да, стоит он немало. Но при скачках напряжения первыми «летят» платы управления. Они у нас не ремонтируются, а просто меняются. Стоимость такой замены — около половины стоимости устройства (больше или меньше зависит от типа устройства). Это вряд ли дешевле. Собирая электрощиток своими руками, или только его пока планируя, помните об этом.
Один из примеров компоновки щитка для небольшой схемы — на 6 автоматов
Устанавливается стабилизатор на одну или несколько групп и включается после УЗО и перед групповыми автоматами. Так как устройство это немаленькое, в щиток его установить не получится, а вот рядом — пожалуйста.
Также в щитке устанавливаются две шины: заземления и зануления. На шину заземления заводятся все заземляющие провода от приборов и устройств. На «нулевую» шину провод приходит от УЗО, и подается на соответствующие входы автоматов. Обозначается ноль обычно буквой N, при разводке принято использовать синий провод. Для заземления — белый или желто-зеленый, фазу ведут красным или коричневым проводом.
Один из вариантов собранного небольшого щитка
При самостоятельной сборке электрического щитка, нужно будет приобрести сам шкаф, а также рейки (называют DIN-рейки или ДИН-рейки), на которые крепят автоматы, УЗО и переключатели. При установке реек, проверьте уровнем их горизонтальность: не будет проблем с креплением автоматов.
Один из вариантов DIN-реек в корпусе щитка
Все автоматы должны между собой соединяться. Это можно сделать при помощи проводников — соединяя последовательно их входы, или при помощи готовой соединительной гребенки. Гребенка — надежнее, хотя и стоит дороже, но если учесть время, которое вы потратите на соединение всех автоматов, то вряд ли несколько десятков рублей имеют такое принципиальное значение.
Соединительная гребенка для автоматов в электрощите: ускорит процесс самостоятельной сборки
Схема на несколько групп
Не всегда схемы электропитания просты: групп потребителей разбивают по этажам, отдельно выводят хозпостройки, освещение гаража, подвала, двора и придомовой территории. При большом количестве потребителей кроме общего УЗО после счетчика, ставят такие же устройства, только меньшей мощности — на каждую группу. Отдельно, с обязательной установкой персонального защитного устройства, выводят электропитание для ванной комнаты: это одно из самых опасных помещений в доме и квартире.
Очень желательно поставить защитные устройства и на каждый из вводов, которые идут на мощную бытовую технику (более 2,5 кВт, а такую мощность может иметь даже фен). В купе со стабилизатором они создадут нормальные условия для эксплуатации электроники.
Тоже не самая сложная схема, но с более высокой степенью защиты — больше УЗО
В общем, при разработке точной схемы, вам придется найти компромисс: сделать систему безопасной и не потратить при этом слишком много денег. Оборудование брать лучше проверенных фирм, а оно стоит прилично. Но электросети — не та область, в которой можно экономить.
Щиток электрический под счетчик и автоматы — выбор места установки
Начнём с самой простой части — где разместить распределительный щит в квартире? Удобнее всего расположить его возле входной двери в прихожей. В этом случае не придётся далеко тянуть питающий кабель с площадки. Самый оптимальный вариант по высоте — на уровне глаз взрослого человека. И показания счётчика удобно снимать, и отключить автоматы при необходимости.
Для сторонников запихать всё под потолок, «для пущей безопасности, как мол раньше счётчики вешали», скажем следующее. Старые электросчётчики с предохранителями-пробками монтировались просто на стену без ящиков, потому и вешались под потолок.
Современный электрощит имеет прочный корпус и запирается на замок, так что дети туда не влезут, если вы не бросите ключ на видном месте.
При выборе места монтажа щитка в частном доме или коттедже, нужно учитывать где и как заведён или будет заводиться кабель от ВЛ или подземной питающей линии. Данные по наружным сетям можно взять у местного энергосбыта.
Купить готовый или собрать электрощиток своими руками
Как поётся в старой песенке «до чего дошёл прогресс», что можно купить готовый щиток с полной начинкой или собрать готовый. Если ваш электрик предлагает такую конструкцию «фирменной» сборки, то не пугайтесь. Щиты собирают предприятия и электромонтажные фирмы, в том числе и под заказ или для типовых проектов квартирной проводки.
Основной момент, который нужно уточнить — работал ли с готовыми щитами ваш мастер раньше или это первый опыт. Если он установил десяток-другой таких сборок и знает их особенности, то смело соглашайтесь. Но если вы «подопытный кролик» для первого эксперимента — отказывайтесь. Пусть лучше собирает сам, ручками, по старинке.
Подключение автоматов в щитке – вход сверху или снизу?
Первое с чего бы хотел начать это правильность подключения автомата в принципе. Как известно автоматический выключатель имеет два контакта для подключения подвижный и неподвижный. На какой из контактов необходимо подключать питание к верхнему или нижнему? На сегодняшний день споров по этому поводу развелось очень много. На любом электротехническом форума куча вопросов и мнений на этот счет.
Обратимся за советом к нормативным документам. Что сказано в ПУЭ по этому поводу? В 7-м издании ПУЭ пункт 3.1.6. сказано:

Как видно в правилах сказано, что питающий провод при подключении автоматов в щитке должен присоединяться, как правило, к неподвижным контактам. Это также относится ко всем узо, дифавтоматам и прочих устройств защиты. Из всей этой вырезки непонятно выражение «как правило». То есть вроде, как и должно, но в некоторых случаях может быть и исключение.
Чтобы понимать, где расположен подвижный и неподвижный контакт нужно представлять внутреннее устройство автоматического выключателя. Давайте на примере однополюсного автомата рассмотрим, где находится неподвижный контакт.

Перед нами автомат серии ВА47-29 фирмы iek. Из фото понятно, что неподвижным контактом у него является верхняя клемма, а подвижным контактом – нижняя клемма. Если рассмотреть электрические обозначения на самом выключателе, то здесь тоже видно, что неподвижный контакт находится сверху.

У автоматических выключателей других фирм производителей аналогичные обозначения на корпусе. Взять, например автомат фирмы Schneider Electric Easy9, у него неподвижный контакт также находится сверху. Для УЗО Schneider Electric все аналогично сверху находятся неподвижные контакты, а снизу подвижные.


Другой пример, защитные устройства фирмы Hager. На корпусе автоматических выключателей и УЗО hager также можно увидеть обозначения, из которых понятно, что неподвижные контакты находятся сверху.


Давайте разберемся, с технической стороны есть ли значение, как подключить автомат сверху или снизу.
Автоматический выключатель защищает линию от перегрузок и коротких замыканий. При появлении сверхтоков реагируют тепловой и электромагнитный расцепитель, расположенные внутри корпуса. С какой стороны будет подключено питание сверху или снизу для срабатывания расцепителей разницы абсолютно нет. То есть с уверенностью можно сказать, что на работу автомата не влияет, на какой контакт будет подведено питание.
По правде говоря, должен отметить, что производители современных «брендовых» модульных устройств, такие как ABB, Hager и прочие допускают подключение питания к нижним клеммам. Для этого на автоматах имеются специальные зажимы, предназначенные под гребенчатые шины.
Почему же в ПУЭ советуют подключение выполнять на неподвижные контакты (верхние)? Такое правило утверждено в целях общего порядка. Любой образованный электрик знает, что при выполнении работ необходимо снять напряжение с оборудования, на котором будет работать. «Залазя» в щиток человек интуитивно предполагает наличие фазы сверху на автоматах. Отключив АВ в щитке, он знает, что напряжения на нижних клеммах и все что от них отходит, нет.
Теперь представим, что подключение автоматов в распределительном щите Вам выполнял электрик дядя Вася, который подключил фазу к нижним контактам АВ. Прошло некоторое время (неделя, месяц, год) и у Вас появилась необходимость заменить один из автоматов (или добавить новый). Приходит электрик дядя Петя, отключает нужные автоматы и уверенно лезет голыми руками под напряжение.
В недалеком советском прошлом у всех автоматов неподвижный контакт располагался вверху (например, АП-50). Сейчас по конструкции модульных АВ не разберешь где подвижный, а где неподвижный контакт. У АВ которые мы рассматривали выше, неподвижный контакт был расположен сверху. А где гарантии, что у китайских автоматов неподвижный контакт будет расположен сверху.
| Поэтому в правилах ПУЭ подключение питающего проводника к неподвижным контактам подразумевает лишь подключение на верхние клеммы в целях общего порядка и эстетики. Я сам сторонник подключения питания к верхним контактам автоматического выключателя. |
Для тех, кто со мной не согласен вопрос на засыпку, почему на электрических схемах питание на автоматы подключают именно на неподвижные контакты.
Если взять, например обычный рубильник типа РБ, который установлен на каждом промышленном объекте, то его никогда не подключат верх ногами. Подключение питания к коммутационным аппаратам такого рода полагает только к верхним контактам. Отключил рубильник и ты знаешь, что нижние контакты без напряжения.
Составление схемы электрощита
На следующем этапе можно переходить к составлению схемы. Наиболее оптимальным будет однолинейный вариант. Свое название такая схема получила из-за группового отображения проводов. На обычных схемах прорисовываются все провода, относящиеся к каждой линии. На однолинейной схеме количество проводников в группах изображается наклонно-поперечными черточками. В нижней части находится раскладка с линиями потребителей, с обозначением их мощности и кабелями, используемыми для монтажа.

Все устройства обозначаются специальными символами. Н1 является выключателем нагрузки или рубильником, с помощью которого размыкается электрическая цепь, находящаяся под нагрузкой. Вместо него допускается использование автоматического выключателя, однако он плохо переносит выключение под нагрузкой в силу своих технических характеристик. Н2, Н3, Н4… и т.д. соответствуют автоматическим выключателям, символы А1, F1, F2, F3 – устройствам защитного отключения.
Вверху слева отмечен щит всего этажа с вводным автоматом на 100 А, электросчетчиком и входным противопожарным УЗО, срабатывающим при высоких дифференциальных токах в пределах 100-150 мА, которые могут спровоцировать возгорание. Для этих целей обычно выбирается селективное УЗО, срабатывающее не мгновенно, а после других устройств, расположенных на линии ближе всего к аварийному месту. Если по каким-то причинам они не сработают, то в действие вступает селективное УЗО, отключающее весь объект.

Более наглядно такая схема выглядит как на рисунке. Здесь точно так же отображаются все приборы и оборудование, их соединение между собой. Возле каждого устройства имеется отметка с его номиналом.
Компоновка распределительного щита
Я уже подробно рассматривал основные принципы компоновки при проектировании и сборке распределительных щитов. В рассматриваемом электрощите принята компоновка (т.е. расположение устройств внутри самого электрощита) в ряд по группам.
Ввод
На первой DIN-рейке на вводе распределительного щита установлен выключатель нагрузки и реле контроля напряжения.
Выключатель нагрузки позволяет при необходимости полностью обесточить весь электрический щит для проведения работ по ремонту или обслуживанию как распределительного щита, так и всей квартирной электропроводки в целом.
Реле контроля напряжения ZUBR обеспечивает защиту домашней электросети от скачков и перепадов напряжения в питающей сети, а также защиту от обрыва нуля.
Позже, по мере финансовых возможностей и покупке оборудования для слаботочной сети, заказчик добавит сюда как автоматический выключатель для слаботочного щита, так и другие устройства, которые пока только обдумываются.
Кухня
На второй DIN-рейке установлено групповое УЗО кухни, а после него автоматические выключатели для потребителей кухни:
— электро-духовка;
— розетки кухни;
— кондиционер кухни.
Розетки комнат
На третьей DIN-рейке смонтировано групповое УЗО розеточных групп, далее автоматические выключатели по комнатам:
— розетки комнат;
— два кондиционера;
— освещение квартиры.
Санузел
На последней DIN-рейке находится групповое УЗО санузла, далее после него:
— стиральная машина;
— свет туалета и ванной.
Принципиальные электрические схемы щитов распределительных и освещения с комментариями
Это электромеханическое устройство, объединяющее в себе автомат защиты от короткого замыкания и УЗО устройство защитного отключения для защиты человека от токов утечки. Ну и бывают еще просторные квартиры с электрическим отоплением и группой мощных потребителей электроэнергии.
Всех сложностей можно избежать, если сразу приобрести более дорогую конструкцию, отвечающую всем требованиям ГОСТа. Однако такое решение не очень современно и не самое эффективное.
Шины подсоединения проводов. Современные щитки способны следить за качеством энергии, которая поступает потребителю, и при необходимости реагирует на это. Линия может быть оборудована трехжильным электрическим кабелем, имеющим сечение 2,5 кв. Нижние и боковые края совместить с разметкой.
Виды щитов
Чтобы защитить электрическую систему от перенапряжения, используются рубильники, размыкающие электрическую сеть под нагрузкой. Для его размещения на стене, необходимо учесть высоту от пола до его нижнего края не менее — 1,4 м, а расстояние верхнего края от пола не более 1,8 м. Сколько в ней проводов, показано при помощи наклонных черточек. В третьем варианте схемы представлено вводное УЗО, которое устанавливается после счетчика.
Для этого понадобится удлинитель. У каждого специалиста своё мнение на этот счет. При правильной организации ввода кабелей установка модульного оборудования будет существенно облегчена. Рядом со щитком не следует размещать легко воспламеняющихся предметов и веществ.
Выбор комплектующих и аксессуаров для электрического щита
Он предотвращает короткие замыкания. Это схема электропитания помещения по ,так называемой, схеме заземления TN-C-S. Она должна располагаться вблизи автомата ввода.
Фото — большой ГРЩ Технические требования к устройству обозначены в ГОСТе общие характеристики распределительных щитов : Устройство обязательно должно иметь высокий класс защиты от воспламенения. Или каких нибудь пристроек к дому. Плохой параметр бесперебойности питания дома! Место в электрощите для установки одного устройства защиты называется модулем. Кроме того, следует установить реле напряжения, которое будет следить за его показаниями в сети.
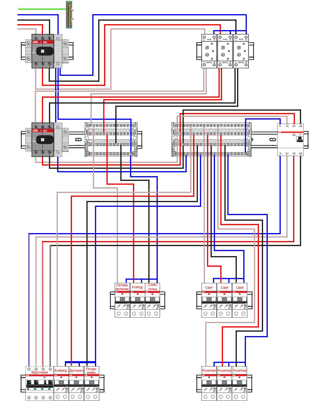
Компоновка и сборка 3-фазного распр. щита для дома от КЭАЗ
Сборка и монтаж электрического щита
Электрощиток является тонким и сложным оборудованием, требующим точного расчета всех компонентов и их коммутации. Все монтажные работы по сборке оборудования должны производиться в чистом и сухом помещении. Желательно, чтобы в распределительном щите была дин-рейка, которая снимается для помещения на нее нужных модулей.
Работы по монтажу и сборке электрощитка состоят со следующих этапов:
- Монтаже корпуса.
- Организации ввода проводов и кабелей в бокс.
- Распределении внутри оболочки щитка кабелей.
- Защиты от ремонтных и отделочных работ внутренности прибора.
- Сборки на рамке предварительно.
- Окончательном монтаже, с подключением групп потребителей.
- Пусконаладочные работы.





