Схемы электропроводки в квартире
В самой квартире электропроводка может быть разведена по квартире, как угодно, но электроснабжение квартиры осуществляется по следующей схеме соединения:
В приведенных ниже схемах электропроводки квартир показаны наиболее часто используемые варианты электрообеспечения квартир.
- Схемы электропроводки в квартире: схема электрощитка(электропитантие) стандартной малогабаритной квартиры при отсутствии защитного проводника PE в розеточеной электроцепи и электроцепи освещения(решение для старого жилого фонда).
- Схема электрощитка(электропитантие) квартиры с электроплитой ,защитным РЕ проводником и рекомендоваными сечениями медных проводов.
- Схема электрощитка(электропитантие) квартиры с газовой плитой,защитным PE проводникоми рекомендоваными сечениями медных проводов.
- Схема электрощитка(электропитантие) малогабаритной квартиры с защитным PE проводником.
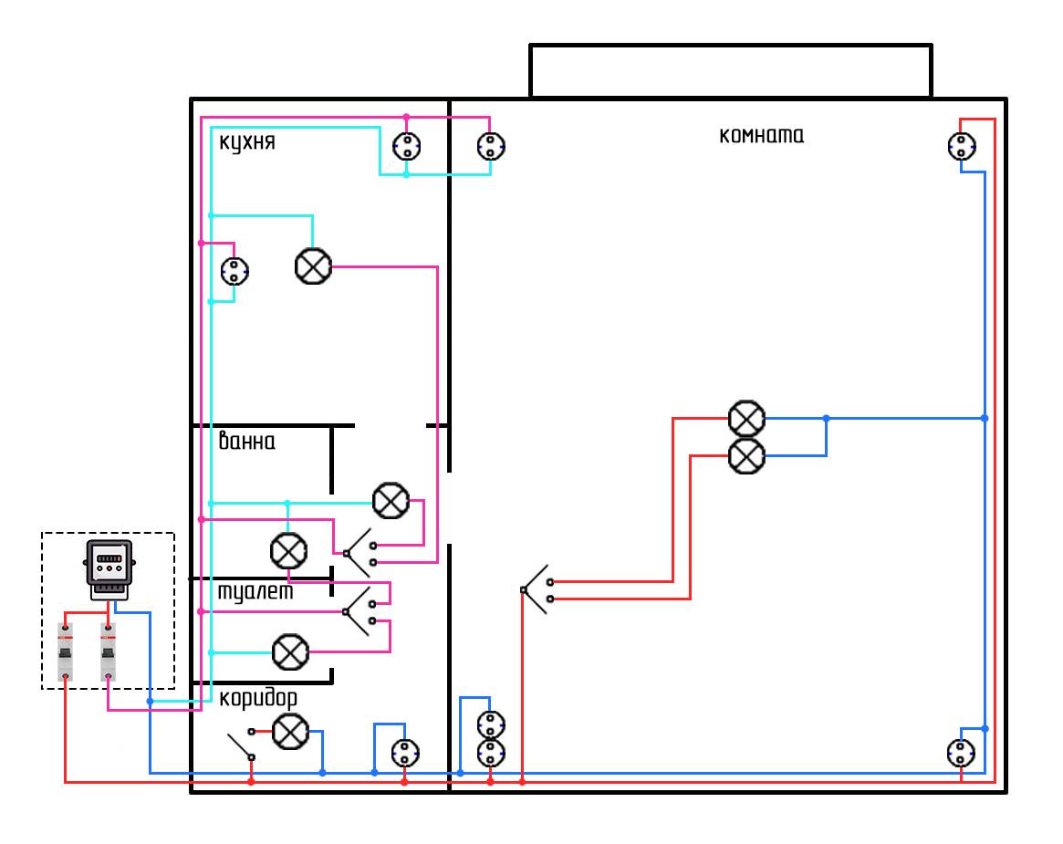
- Схема электрощитка(электропитантие) 2-х комнатной квартиры с защитным PE проводником(снизу) и самой схемой электропроводки(сверху).
В конце части хочу привести визуальную схему электрики в квартире, которая мне понравилась своей наглядностью и правильностью. Также вы можете посмотреть другие схемы электропроводки квартир в статье : Схемы электропроводки квартир.
Необходимые материалы

По составленным схемам посчитайте необходимое количество выключателей и розеток. Не забудьте, что под каждый из этих коммутационных аппаратов нужен подрозетник, если планируется прокладка скрытой электропроводки в квартире. Также посчитайте, сколько понадобится распределительных коробок.
Чтобы посчитать количество провода, лучше всего намеченные на схеме коммутационные аппараты и распределительные коробки перенести на реальные стены. Затем выполнить разметку стен, то есть в прямом смысле слова нарисовать между ними пути пролегания проводов, при помощи рулетки всё измерить и посчитать общее количество. Имейте в виду, что разводка электропроводки в квартире выполняется строго по вертикальным и горизонтальным линиям, никаких поворотов наискосок быть не должно.
Хотелось бы дать один совет. Если полностью с нуля делается разводка электрической проводки в трёхкомнатной квартире площадью около 60-70 м2, то лучше покупать провод целой заводской бухтой, в которой 100 м. В магазинах это считается оптовой продажей и на неё будет скидка 10 %, причём если вы купите 98 м – это не опт, скидки не будет, а возьмёте на 2 м больше и прилично сэкономите.

По опыту профессиональных электриков для электропроводки квартиры из трёх комнат приобретайте 100 м трёхжильного провода сечением 1,5 мм2 (это будет прокладка осветительной проводки в квартире) и 100 м трёхжильного провода сечением 2,5 мм2 для запитки розеток.
Мощные электроприборы, типа водонагревателя или варочной панели, как правило, запитываются отдельной линией от вводного распределительного щитка через отдельный автомат. Для них лучше проложить трёхжильный провод сечением 4-6 мм2.
Ещё один важный нюанс, не забудьте посчитать провод с запасом на разделку жил в местах соединений и подключений коммутационных аппаратов. Принято оставлять запас провода на розетки, выключатели, светильники не менее 20 см. Если вы планируете в дальнейшем опустить потолки, то запас провода для светильников увеличьте до 50 см. На сборку распределительного щитка также оставляйте запас провода около 50 см.
Выбор сечения проводников по расчетной нагрузке
Для начала необходимо подсчитать общее количество потребителей и определиться с их мощностью. Под потребителем подразумевается отдельный электрический прибор: лампочка, вентилятор, холодильник и т.д. Чтобы ничего не упустить, лучше нарисовать план квартиры и нанести на него места расположения бытовых приборов, осветительных приборов и розеток.
Порядок действий:
- Необходимо разделить все приборы по потребляемой мощности в квартире на 3 категории: освещение, приборы до 2 кВт и приборы свыше 2 кВт.
- Распределяем всех потребителей по линиям и наносим на схему. Под отдельной линией подразумевается группа потребителей, запитанная через отдельный автомат. Согласно требованиям ПУЭ на одной линии может быть не более 20 точек (лампочки, розетки и т.д.). Приборы с большой потребляемой мощностью (электропечи, кондиционеры, электрические котлы и т.д.) лучше подключать через отдельные автоматы в распределительном щитке.
- Подсчитываем суммарную потребляемую мощность каждой категории и рассчитываем токовую нагрузку.
- Выбираем сечение провода по таблице.
Сила тока определяется по формуле:
I=(P/U) х cosφ, где
I – сила тока, А U – напряжение, В P – потребляемая мощность, Вт cosφ – коэффициент мощности.
В данном случае cosφ можно пренебречь, так как его значение в бытовых электросетях стремится к единице. Таким образом, формула по определению токовой нагрузки приобретает следующий вид:
I=P/U
Пример: допустим, нам нужно определить токовую нагрузку электроплиты с максимальной потребляемой мощностью 4 кВт, которая подключена через отдельный автомат. Напряжение бытовой электросети – 220 В. Подставляя оба значения в формулу, получаем:
I=4000/220 = 18 (А)
Пользуясь таблицей, определяем: сечение провода для подключения электроплиты должно быть не менее 1,5 мм².
Согласно ПУЭ соотношение сечения провода от величины токовых нагрузок должно соответствовать значениям, приведенным в таблице:
Открытая проводка Сечение кабеля Скрытая проводка
| Медь | Алюминий | Медь | Алюминий | |||||||||
| Ток, А | Мощность, кВт | Ток, А | Мощность, кВт | Ток, А | Мощность, кВт | Ток, А | Мощность, кВт | |||||
| 220 В | 380 В | 220 В | 220 В | 220В | ||||||||
| 11 | 2,4 | — | — | — | — | 0,5 | — | — | — | — | — | — |
| 15 | 3,3 | — | — | — | — | 0,75 | — | — | — | — | — | — |
| 17 | 3,7 | 6,4 | — | — | — | 1,0 | 14 | 3,0 | 5,3 | — | — | — |
| 23 | 5,0 | 8,7 | — | — | — | 1,5 | 15 | 3,3 | 5,7 | — | — | — |
| 26 | 5,7 | 9,8 | 21 | 4,6 | 7,9 | 2,0 | 19 | 4,1 | 7,2 | 14 | 3,0 | 5,3 |
| 30 | 6,6 | 11 | 24 | 5,2 | 9,1 | 2,5 | 21 | 4,6 | 7,9 | 16 | 3,5 | 6,0 |
| 41 | 9,0 | 15 | 32 | 7,0 | 12 | 4,0 | 27 | 5,9 | 10 | 21 | 4,6 | 7,9 |
| 50 | 11 | 19 | 39 | 8,5 | 14 | 6,0 | 34 | 7,4 | 12 | 26 | 5,7 | 9,8 |
| 80 | 17 | 30 | 60 | 13 | 22 | 10 | 50 | 11 | 19 | 38 | 8,3 | 14 |
| 100 | 22 | 38 | 75 | 16 | 28 | 16 | 80 | 17 | 30 | 55 | 12 | 20 |
| 140 | 30 | 53 | 105 | 23 | 39 | 25 | 100 | 22 | 38 | 65 | 14 | 24 |
| 170 | 37 | 64 | 130 | 28 | 49 | 35 | 135 | 29 | 51 | 75 | 16 | 28 |
Согласно требованиям ПУЭ номинал каждого автоматического выключателя не должен превышать 25А. Учитывая это, мощные электроприборы лучше запитывать через отдельный автомат. Ниже приведена электрическая схема однокомнатной квартиры:

В приведенном примере всего 4 линии. Ее преимущество – в простоте. Чем проще схема, тем ее легче обслуживать в процессе эксплуатации.
Подготовка к штроблению
Обычно укладка проводки в квартирах, осуществляется либо по полу, либо по потолку. Существуют и другие варианты, например прокладка кабеля под плинтусами или коробах.
Линии освещения, в любом случае прокладываются за натяжным или подвесным потолком, если таковые делать не планируется, то необходимо штробление потолка. А так как, монолит потолков штробить категорически запрещено, нужно нанести на потолок слой штукатурки, который позволит спрятать кабель без порчи монолита. Самостоятельно штробить потолок мы крайне не рекомендуем, так как необходимо знать технологию правильного штробления, чтобы потом весь дом когда-нибудь не рухнул.
Коронкой по бетону на 70мм или 68мм (насадка на перфоратор), просверливаются отверстия для подрозетников. Штроборезом или болгаркой выпиливаются штробы для укладки кабеля. Штробы в стенах должны быть строго вертикальными, а не горизонтальными или по диагонали. Линии от розеток к щитку укладываются в стяжке пола или по потолку.
Подробное описание правильного штробления лунок под подрозетники.Почему можно укладывать кабель без гофры
Сборка распределительного щитка и «прозвонка» электропроводки
Прежде всего приобретается сам щиток:
- наружного исполнения – простой в монтаже, но требующий места;
- внутреннего типа – более эстетичный и компактный, но устанавливаемый в нишу.
Затем щиток устанавливается в квартире, чаще всего в прихожей, после чего в нём компонуются и монтируются все защитные автоматы линий проводки в квартире. Располагать на одном автомате более одной линии не рекомендуется.
Все линии электропроводки «прозваниваются» от узла к узлу, после чего подводятся к щитку и соединяются с автоматами.
По окончании соединения с автоматами всех линий от распределительного щитка к подъездному щиту отводится один общий кабель сечением не менее 6 мм2.
Составляем и выбираем правильные схемы разводки электропроводки в квартире
Современная квартира оснащается большим количеством разнообразной бытовой техники. Микроволновые печи, электрические водонагреватели, холодильники, камины, кондиционеры, электроплиты – все эти приборы создают серьезную нагрузку на электросеть.
И если дом, в котором находится ваша квартира, был построен несколько десятилетий назад, когда набор домашней техники ограничивался телевизором, холодильником и иногда пылесосом, имеющиеся провода могут такую нагрузку попросту не выдержать. Чтобы избежать связанных с этим проблем, необходимо своевременно выполнить замену электропроводки квартире.
С выполнением всех сопутствующих мероприятий можно справиться собственными силами. Нужно лишь подробно изучить особенности существующих схем эл. проводки в квартире, разобраться в порядке проведения работы и сделать все с соблюдением требований техники безопасности.
Проект электропроводки
Произвести грамотный монтаж электропроводки современной квартиры без заранее разработанной схемы электроснабжения, руководствуясь только сиюминутными решениями возникающих вопросов, невозможно. Реконструкция или установка новой электропроводки должна выполняться лишь после детальной проработки всех требований к новой электросети. Пренебрежение этими рекомендациями не только чревато выходом из строя оборудования, но и опасно для жильцов дома в целом. Поэтому до начала электромонтажных работ необходимо разработать проект электроснабжения квартиры, и решать этот вопрос лучше силами профессионалов.
Профессионально выполненный проект электроснабжения по окончании ремонта станет важным приложением к техпаспорту квартиры и облегчит прохождение согласования. Согласно ПУЭ, система электропроводки квартиры является электрической установкой, а потому её подключение к домовой линии и эксплуатация должны производиться в соответствии с общими для такого оборудования требованиями:
- внутренняя проводка жилья должна быть совместима с внешней электросетью по мощности;
- электропроводка квартиры не должна представлять опасность (пожарную электротехническую) для проживающих в доме людей.
Согласование проекта внутреннего электроснабжения квартиры выполняется в Ростехнадзоре и обязательно в следующих случаях:
- при монтаже электропроводки в новостройке «с нуля»;
- при реконструкции во вторичном жилье имеющейся сети с повышением выделяемой на квартиру мощности.
Контролирующие инстанции при визитах на объект по заявке на подключение его к домовой сети требуют выполненный по всем стандартам проект электропроводки квартиры, и грамотность этого документа — аргумент в пользу соответствия системы электроснабжения всем необходимым требованиям.
Прокладка кабеля в кабель канале
Выполнение монтажа проводки по деревянному строению с применением кабельного канала (иначе называемого коробом) обладает большим количеством плюсов и значительно меньшим числом минусов по сравнению с иными методами электрофицирования строений из дерева. 
- основным отрицательным моментом следует считать тот, что вся прокладка идет по верху, собирая пыль и мешая ровненько установить, например, тумбочку или шкаф;
- раскрашенный канал имеет стоимость в два-три раза большую, чем обычный;
- еще, я думаю, мало кому придется по душе, что на рынках вечно отсутствуют соединители и уголки (они, правда могут быть привезены под заказ и пр., правда, в таком случае, как правило, не устраивают сроки поставок). Есть, конечно, альтернативный вариант – спецмагазины, да, только там цены «кусаются»… Для выхода из положения в подобных случаях, предлагаю применять в качестве маскиратора швов на каналах обычный герметик, подобрав его в тон к расцветке канала.
Выпускается кабельный канал «палками», длина которых 2 метра. В первую очередь, надо освободить канал от крышки (если это надо, то укоротить его и сделать вырезы). Если монтаж ведется по стене из кирпича, то потребуется перфоратор. Шестимиллиметровый бур и дюбель-гвозди (обычно размером 6х40 мм).
Прикладываем канал к нужному месту на стене и высверливаем отверстие сквозь его дно. В это отверстие вставляем и вворачиваем дюбель-гвоздь. На стандартную «палку» кабель-канала требуется 4-5 дюбель-гвоздей. Для крепления на стену из дерева применяем обычный шуруповерт и саморезы, имеющие плоские шляпки. После закрепления канала, можно проложить в них провода. В случае большого количества проводов, можно применить в нескольких местах временное закрепление, изготовленное из маленьких кусочков крышки от канала, установив их на расстоянии 1-2 метра. Размер таких временных крепежей может быть 0.1-0.2 м. Это поможет придержать кабель и не позволит ему выпасть из короба.
Если в помещении слишком много углов и поворотов, либо стены, мягко говоря, не очень ровные, то проложить кабельный канал может быть весьма затруднительно. Ведь прокладка канала по кривой стене – процесс почти невозможный. Это, конечно, можно сделать, но результат получится не шибко приятным. Именно поэтому поверхность стен для прокладки коробов должна быть ровной, а сама работа должна выполняться специалистом, имеющим определенные навыки.
Вот, пожалуй, и все, что можно рассказать о том, что же такое кабель-канал и как выполнять монтаж проводки с использованием оного. Естественно, каждый волен выбирать самостоятельно, главное, чтобы результат был безопасным и красивым.
Пишите комментарии, дополнения к статье, может я что-то пропустил. Загляните на карту сайта, буду рад, если вы найдете на моем сайте еще что-нибудь полезное. Всего доброго.
Подготовка материалов
Чтобы закупить необходимые монтажные материалы и определить их количество, возьмите за основу составленную электросхему. Элементы управления, защиты и учета, располагаемые в щитке, на ней уже указаны, остается подобрать кабельную продукцию и подрозетники (выключатели и сами розетки можно приобрести позже). На этот счет рекомендации такие:
- Используйте для разводки электрики медный кабель марки ВВГ на 3 цельных жилы и его разновидности. Не берите алюминиевые и многожильные провода (например, ПВС), предназначенные для других целей.
- Медная электропроводка в квартире или частном доме, питающая осветительные приборы, должна иметь минимальное сечение 1,5 мм². Розеточную сеть нужно делать кабелем 2,5 мм², а присоединение заземляющего контура выполнять сечением 6 мм².
- Если необходимо провести наружную линию от столба к зданию, применяйте самонесущий провод СИП на 16 мм² и специальные подвесные кронштейны.
- Для скрытой прокладки кабелей используйте металлорукав либо пластиковую гофрированную трубу соответствующего диаметра (провода должны занимать не более 40% полости защитного рукава), фиксируемую на защелках или хомутиках.
- Не предусматривайте много одиночных комнатных розеток в разных местах, лучше поставьте пару блоков на 4—5 вилок. Для кухни вполне достаточно одной группы из 5 розеток.
- Расчет числа распаечных коробок ведется по представленной ниже схеме, где показан правильный монтаж проводки. Коробка ставится на каждом ответвлении от основной магистрали.
Перед расчетом количества кабельной продукции продумайте способ укладки электропроводки. Оптимальный вариант – развести проводники за потолочной и стеновой обшивкой из гипсокартона, в полу или под плинтусом. Такой подход позволит уберечь коммуникации от повреждений при последующих ремонтах и легко реализуется в однокомнатных и двухкомнатных квартирах панельных домов.
В деревянных домах, построенных из бруса либо по каркасной технологии, практикуется внутренняя разводка открытого типа – на изоляторах либо в пластмассовых каналах, как сделано на фото. В этом случае удобнее проложить сеть из плоской разновидности кабеля – ВВГ-П. Не забудьте и о слаботочных линиях – витой паре для интернета, сигнализации и так далее, их тоже надо развести по комнатам.
Также стоит упомянуть об электропроводке в стиле ретро, гармонично вписывающейся в интерьер любого деревянного жилища, в том числе и бревенчатого. Но учтите, что цена комплектующих втрое выше обычных материалов, а способ монтажа, показанный в видеосюжете, требует некоторых навыков.
Защитная автоматика
Электролинии в жилых помещениях должны быть заземлены. Для этого используют заземляющие системы электроснабжения. Они бывают:
- основными (магистральными), отвечающими за заземление питающих сетей;
- радиальными, применяемыми для заземления распределительной сети.
Контуры заземления необходимы для снижения риска опасности поражения током. В современных зданиях применяют трехполюсные розетки, оснащённые заземляющим контактом, который соединяется с заземляющим кабелем и контуром.
Также применяются автоматические выключатели. Это устройства, благодаря которым мгновенно отключается питание линий при возникновении перегрузок или коротких замыканий.
В частных строениях от случайного поражения током используют два вида защитных устройств:
- УЗО (или устройство защитного отключения). При возникновении аварийной ситуации или утечки напряжения моментально отсекает линию электропередачи.
- Автоматический выключатель дифференциального тока. Также отключает питание при возникновении аварийных ситуаций.
Второй вариант более дорогой и сложный. Считается, что для обеспечения защиты в жилых помещениях достаточно установки УЗО.
Классическая схема
Сначала обратим внимание на классическую схему электропроводки в нашем типе жилья. Она представлена на рисунке ниже

Как видно из схемы, электропроводка состоит из двух ветвей. Одна из них подает ток в коридор (прихожую) и жилую комнату. Вторая ветвь питает светильники и электрические приборы в ванной и на кухне. Интересным фактом является то, что каждая линия используется как для освещения, так и для обеспечения подачи тока к электроприборам.
Конечно, такая схема не идеальна, поскольку при появлении короткого замыкания в розетке или светильнике состоится обесточивание всей комнаты. Такую ситуацию нельзя назвать очень благоприятной и позитивной.
Стоит отметить, что часто такая классическая схема дополнялась отдельной ветвью для питания электрической плиты. Как известно, плита является мощной и требует больше тока.
В результате для уменьшения нагрузки на контур, который идет в кухню, и для повышения уровня безопасности использовали отдельный кабель с большим поперечным сечением. В общем, такую схему электропроводки лучше не использовать.
Расчёт сечения кабеля
Этот расчёт важнейший в общем расчёт электропроводки квартиры. От него будет зависеть безаварийная и стабильная работа электропроводки, а также её безопасность для окружающих. Расчёт сечения кабеля проводится по мощности планируемых к подключению электроприборов и длине электрических линий. Второй расчёт называется расчётом потерь, и он не актуален для проводки квартиры.
Сечение кабеля рассчитываем по мощности на основе простых законов физики из курса средней школы и таблиц ПУЭ. Напомню, ПУЭ это «Правила Устройства Электроустановок» — базовый нормативный закон электрика.
Простейший расчёт по мощности проводим на основе закона Ома: Электрическая мощность сети прямо пропорциональна силу тока и напряжению в сети. Нам нужно рассчитать не мощность, а силу тока, поэтому нам актуальна такая версия закона: сила тока в электрической цепи прямо пропорциональная мощности, и обратно пропорциональная напряжению в цепи.
Математическая формула расчёта выглядит так: P=U×I Для этой формулы у нас точно известно напряжения в цепи (U). Бытовое напряжение в квартире равно 220-230 Вольт. Мощность для формулы (P) нам нужно посчитать самостоятельно, сложив потребляемые мощности всех бытовых приборов, которые будут включены в эту электрическую цепь.

Взять мощность бытовых приборов можно из их паспорта, описании в магазине или запросив в Интернет поиск «мощности бытовых приборов». Вы легко найдете таблицу основных бытовых приборов используемых в квартире.
Имея суммарную мощность и напряжение цепи, мы легко посчитаем максимальную силу тока (I) этой цепи. Например, вы делаете новую розетку для электрической плиты. Пусть по паспорту её максимальная мощность будет 5100 Вт. Напряжение мы знаем оно 220 Вольт. Простым делением получаем, что максимальная сила тока этой цепи будет 23,18 А. Округляем в большую сторону, получаем, что сила тока этой цепи, с максимальной нагрузкой, будет 24 Ампера.
Имя это значения, мы легко рассчитаем сечение необходимого кабеля, воспользовавшись таблицам 3 из ПУЭ. Не буду приводить все таблицы ПУЭ, покажу сводный вариант расчёта: Как видите по таблице, вы легко по силе тока определите сечение необходимого кабеля. Более того вы можете это сделать даже по расчётной мощности включаемый приборов.
Типы разводки
Существует три типа разводки электросети:
- С помощью распределительных коробок: электрический щиток располагают за пределами квартиры – на площадке в подъезде. На щиток ставится счетчик с несколькими автоматами. От щитка кабель идет в квартиру. В каждой комнате стоит своя распределительная коробка. Они подключены к сети последовательно. Общая схема выглядит так:
- «Звезда»- электроточка располагается на отдельной кабельной линии и подсоединена к отдельному автомату в щитке напрямую. Нерентабельна с точки зрения трудозатрат и денежных расходов на прокладку кабелей и проводов к каждому элементу, покупке более мощного считка и большого количества автоматов
- «Шлейф» – такой способ проводки схож со «звездой». Отличием является то, что на отдельном кабеле, который идет от щитка, находится не один элемент, а группа. На схеме выглядит так:
Обычно используют несколько типов проводки сразу.
Выводы и полезное видео по теме
Для более полной информации относительно устройства электрической проводки на площади квартиры рекомендуется просмотреть ролик-описание процессов.
Ознакомление с видео позволит обогатить имеющийся опыт, что лишь положительно отразится на качестве исполнения работ.
Электрическая проводка, выполненная собственноручно в условиях городской квартиры, – вполне допустимый вариант. Однако есть свои «но» в решении вопроса таким способом.
Во-первых, не стоит браться за это дело, если нет ни малейшего опыта электромонтажа. Во-вторых, замышляя самостоятельное исполнение работ, изначально думать нужно о собственной безопасности и только во вторую очередь о собственной выгоде.
Поделитесь с читателями вашим опытом самостоятельного заведения проводки в квартиру, подключения розеток и выключателей. Пожалуйста, оставляйте комментарии, задавайте вопросы по теме статьи и участвуйте в обсуждениях – форма для отзывов расположена ниже.
Выводы и полезное видео по теме
Создание различных схем электропроводки, а также особенности можно посмотреть в этом видео:
Самостоятельное выполнение схемы и монтаж электропроводки в квартире – задача решаемая, но требующая внимательного изучения основ электрики. Также желательно изучить условные обозначения и правила прокладки силовых кабелей. А сами работы по проведению в квартире электричества лучше доверить профессионалам.
Создание схемы прокладки электропроводки в квартире – процесс творческий, который должен производиться с особой внимательностью и точностью. Готовая схема должна быть достаточно наглядной и понятной, чтобы любой строитель мог понять и в дальнейшем реализовать показанное на схеме.
При составлении схемы стоит использовать общепринятые обозначения электроточек и цветовое выделение силовых линий и проводов освещения и заземления. Также обязательное нанесение всех расстояний и размеров, которые помогут лучше ориентироваться при нанесении разметки непосредственно в квартире.
У вас остались вопросы по теме этой статьи? Или вы хотите поделиться личным опытом составления схемы, монтажа электропроводки? Задать вопросы нашим экспертам и другим посетителям сайта или оставить рекомендации можно в блоке для комментариев, расположенном ниже под этой публикацией.





