Варианты и методики для создания хорошего сверлильного станка
На промышленных предприятиях и в цехах с большими объемами повторяющихся процедур, связанных с обработкой материалов, не обойтись простыми конструкциями.
Это обеспечено тем, что в ходе выполнения сверлильных мероприятий подвергаются механической обработке материалы с различной плотностью и твердостью.

Чтобы собрать качественный и производительный станок для сверления отверстий можно выбрать разные варианты, к наиболее распространённым из них относятся следующие:
- станок для сверления из профессиональной дрели с надежной и устойчивой подставкой;
- оборудование с асинхронным двигателем и возможностью установки сверл разного диаметра.

Отличающиеся по конструкции вертикальные и горизонтальные станки для сверления, изготовленные собственноручно, позволяют работать с разными материалами.


Используя оба варианта можно значительно сэкономить средства, не тратя их на приобретение дорогого станка заводского производства, который не так часто будет эксплуатироваться.
Что такое сверлильный станок и для чего он нужен

Просверлить тонкий материал не будет проблемой, достаточно взят дрель в руки, пару секунд и работа сделана. Но что делать, если вам очень нужно сделать точное и выверенное отверстие в толстом брусе? Ручные инструменты не подойдут, потому что есть большой риск испортить заготовку.
Результатом такой работы будет смещение центра отверстия, появления рваного края и изменение геометрии. Избежать таких недочетов и сделать отверстие с определенными параметрами вам поможет именно сверлильный станок. За счет надежности фиксации детали, которую вы будете обрабатывать, а также центрованию инструмента получится обеспечить точность сверления, которой не добиться при работе дрелью.
Для того, чтобы сделать своими руками присадочный станок для мебели, потребуется доработать исходный инструмент. На изготовление не уйдет много времени и сил.
Не нужно забывать и про универсальность такого инструмента – при замене сверл вы сможете работать с абсолютно любыми материалами, и с мягкой древесиной, и с металлом, а также будет несложно просверлить листовую сталь. Вместо сверл можно использовать фрезу, и тогда устройство сможет заменить даже фрезерный станок с небольшой мощностью. Кроме того, сверлильный станок поможет облегчить труд мастеру. Поверьте, работать со стационарными устройствами намного проще, и не требуется удерживать на весу тяжелые инструменты.
Из чего он должен состоять
Элементарный агрегат можно сделать из обыкновенной дрели. Можно добавить к нему дополнительные устройства – например, фрезерный узел. Но каждый станок должен состоять из нескольких обязательных элементов: сверла, зенкера, развертки и метчика.
В промышленности встречаются множество типов сверлильных агрегатов – полуавтоматы, шпиндельные, вертикальные и другие. В быту чаще всего используется так называемый присадочный мини-агрегат со скромным набором выполняемых задач. Перед тем, как сделать самодельный сверлильный станок в домашних условиях, необходимо разобраться в функциях, основных элементах и общих принципах действия такого рода механизмов.

Вертикальный вариант станка. 
Вертикально-сверлильный станок. 
Настольный сверлильный мини-станок. 
Сверлильный станок из дрели. 
Из чего состоит сверлильный станок? 
Общее устройство сверлильного станка.
По функциям самыми востребованными устройствами являются шпиндельные машины, главная функция которых – передача вращательного движения к обрабатываемым деталям. На втором месте по популярности – приспособления для горизонтального и радиального сверления. Также распространен аппарат для растачивания деталей. При таком функциональном разнообразии сверлильное оборудование в целом относят к аппаратам универсального пользования.
Но при этой свободе есть ряд обязательных составляющих, без которых не бывает сверлильных станков в принципе:
- станина;
- рулевая рейка;
- двигатель.
Область применения самодельных сверлильных станков
Мысли о создании сверлильного станка своими руками возникает у людей, любящих мастерить, но в то же время не занимающихся изготовлением каких-либо предметов на профессиональной основе как с использованием металла, так и прочих материалов (дерево, пластик и т.д.).
Это обусловлено тем, что самодельное оборудование не сможет в полной мере заменить промышленно выпускаемые аналоги в полной мере, как по функциональности, так и по производительности, а лишь облегчит выполнение несложных ремонтных и прочих работ.
Кроме этого, радиолюбители и люди, занимающиеся самостоятельным изготовлением печатных плат, также могут поставить перед собой подобную задачу, т.к. наличие сверлильного станка значительно упрощает их работу, а приобретение оборудования заводского производства нерентабельно.

Самодельная конструкция с использованием двигателя от стиральной машины
Варианты самодельных сверлильных станков
Полноценный сверлильный станок можно сделать из отслужившей свое рулевой рейки автомобиля. По ее размерам изготавливают станину, на которой крепят электродвигатель. Отлично подойдет двигатель от старой стиральной машины. Передача вращения осуществляется с помощью ременной передачи. Лучше использовать шкив с несколькими ручьями, это позволит регулировать скорость, тем самым работать с материалом разной твердости. По такой же схеме делают своими руками присадочные станки.
Сверлить отверстия небольшого диаметра можно на маленьком станке, изготовленном из остова старого микроскопа, на который установлен электродвигатель от магнитофона. Он гарантированно справится с тонким листовым материалом. Единственная трудность в изготовлении подобного устройства – сложно подобрать подходящий патрон.
Сверлильный станок в мастерской заметно облегчит жизнь домашнему мастеру. Даже простое самодельное устройство, изготовленное из электродрели, способно открыть перед ним новые горизонты. Сверлить дерево, металл, проделывать пазы, изготавливать мебель – все это станет возможным с самодельным сверлильным станком.
Как сделать своими руками сверлильный станок из обычной дрели
Не у всех есть электродрель, а станок для аккуратных отверстий нужен. С достаточной для сверления скоростью можно вращать сверло собственными руками. Разработано много простых и изящных конструкций на основе ручной дрели.
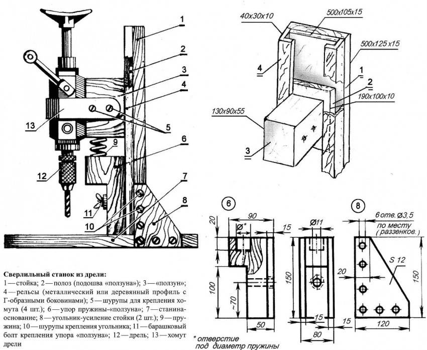
ФОТО: mtdata.ruСверлильный станок на основе ручной дрели
С пружинным механизмом: 1 — стойка; 2 — металлический или деревянный профиль; 3 — ползунок; 4 — ручная дрель; 5 — хомут крепления дрели; 6 — шурупы для крепления хомута; 7 — пружина; 8 — угольник для закрепления стойки (2 шт.); 9 — шурупы; 10 — упор для пружины; 11 — барашковый болт для крепления упора; 12 — основание станка.
ФОТО: mtdata.ruСверлильный станок на основе электрической дрели
Стойка, работающая по принципу винтового домкрата: 1 — станина; 2 — направляющий паз; 3 — резьба М16; 4 — втулка; 5 — гайка, приваренная к втулке; 6 — дрель; 7 — ручка, при вращении которой происходит движение дрели вверх или вниз.
Станки для домашней мастерской можно делать и металлические, и деревянные. Усилия и скорости небольшие, а с деревом работать проще.
Что нужно для работы
Для работы нужна дрель и материал для основания и стойки. Для станины можно выбрать деревянную плиту размером 600×600×30 мм или стальной лист размером 500×500×15 мм. Для стойки используется деревянный брус сечением 50×50 мм². Удобно использовать старый фотоувеличитель – стойка уже крепко и удобно установлена на основании. Полоски металла потребуются для изготовления деталей крепления дрели к стойке.
Чертежи и схемы
На рисунках 4, 5 и 6 схематически представлены общие виды станков на основе ручной дрели. Размеры каждый мастер выбирает свои, исходя из тех ресурсов, которыми он владеет.
ФОТО: mtdata.ruСхема механизма вертикального перемещения дрели
С пружинно-шарнирным механизмом: 1 — станина; 2 — шайба; 3 — гайка М16; 4 — амортизационные стойки (4 шт.); 5 — пластина; 6 — болт М6×16; 7 — блок питания; 8 — тяги; 9 — пружина; 10 — болт М8×20 с гайкой и шайбами; 11 — патрон для сверла; 12 — вал; 13 — крышка; 14 — ручка; 15 — болт М8×20; 16 — державка; 17 — стойка; 18 — стакан с подшипником; 19 — двигатель.
Пошаговая инструкция
Сначала выпиливается станина, затем устанавливается вертикальная стойка. Для перемещения дрели по вертикали используется мебельная направляющая для выдвижных ящиков. Подвижная головка, на которой крепится дрель, имеет в поперечном сечении т-образную форму. Края перекладины входят в пазы направляющей, на утолщённую ножку буквы «Т» крепится дрель.
На основе ручной дрели станки уже никто не делает, подавляющее большинство использует электродрель.
Изготовление станка с использованием асинхронного двигателя
Отсутствие в хозяйстве лишней электрической дрели — это не повод для того, чтобы отказываться от идеи сделать сверлильный станок своими руками. Для привода механизма вращения такого оборудования можно использовать любой электрический двигатель. Такие двигатели, которые раньше были установлены на различной технике, наверняка найдутся в гараже или мастерской любого домашнего умельца.
Лучше всего для изготовления мини сверлильного станка подходят асинхронные двигатели, которыми оснащаются стиральные машины. Если у вас есть такой двигатель, вы можете уверенно применять его для изготовления домашнего сверлильного оборудования. Изготовить сверлильное оборудование с таким двигателем в домашних условиях несколько сложнее, чем с использованием дрели, зато и мощность такого станка будет намного выше.
Чтобы такой мини сверлильно-присадочный станок меньше вибрировал в процессе работы, необходимо устанавливать двигатель на мощное основание и располагать его как можно ближе к стойке
Но тут важно выдержать правильное расстояние, так как от него зависит удобство монтажа ременной передачи, за счет которой вращение от двигателя будет передаваться на сверлильную головку
Для того чтобы вы могли изготовить такой станок в домашних условиях, вам понадобятся следующие конструктивные элементы:
- шестерня;
- шестигранник, на который будет надеваться шкив;
- два подшипника;
- трубки в количестве двух штук, одна из которых обязательно должна быть с внутренней резьбой;
- зажимное кольцо, которое должно быть изготовлено из прочной стали.
Шестигранник также соединяется с металлической трубкой, подшипником и зажимным кольцом. Такое соединение должно быть очень надежным, чтобы полученный узел не разрушился в процессе работы.

Сверлильный станок с асинхронным двигателем
Механизм, необходимый для обеспечения подачи инструмента в таком мини станке, должен состоять из трубки, на которой предварительно делаются надпилы, и шестерни. Трубка будет передвигаться за счет соединения своих зубьев с данными надпилами. В эту трубку, высота которой должна соответствовать величине требуемой подачи инструмента, затем впрессовывается ось с шестигранником.
Заготовки для работы
Рассматриваемый вариант намного сложнее предыдущего, поэтому требует тщательной подготовки. Проверьте наличие всех необходимых материалов:
- Плита для станины из любого материала (это может быть сталь, дерево или даже текстолит);
- Деревянный брус с сечением 40-60×40-60×500-600. Можно заменить брус на стальную трубку, главное, чтобы диаметр совпадал с примерным значением в 35 миллиметров, а погрешность значения не превышала пяти миллиметров;
- Пружина;
- Ходовой винт с параметрами Тr16×2, L = 200 мм;
- Стальной лист с примерной толщиной около пяти миллиметров;
- Кронштейн для ходового винтика;
- Маховик для винта;
- Блок приводных шкивов;
- Электрический двигатель;
- Блок с конденсаторами;
- Блок с ведомыми шкивами;
- Пружина возвратного типа для шпинделя;
- Клиновой ремень;
- Приспособление выключателя;
- Кабель сетевого типа с вилкой для использования розетки;
- Рычаг;
- Патрон для сверла;
- Различные расходные материалы для креплений – винтики и гайки.
Фото сверлильного станка своими руками








































Также рекомендуем просмотреть:
- Вентилятор своими руками
- Прикормка своими руками
- Откатные ворота своими руками
- Ремонт компьютера своими руками
- Станок по дереву своими руками
- Столешница своими руками
- Брусья своими руками
- Лампа своими руками
- Котел своими руками
- Установка кондиционера своими руками
- Отопление своими руками
- Фильтр для воды своими руками
- Как сделать нож своими руками
- Усилитель сигнала своими руками
- Ремонт телевизора своими руками
- Зарядное для аккумулятора своими руками
- Точечная сварка своими руками
- Дымогенератор своими руками
- Металлоискатель своими руками
- Ремонт стиральных машин своими руками
- Ремонт холодильника своими руками
- Антенна своими руками
- Ремонт велосипеда своими руками
- Сварочный аппарат своими руками
- Холодная ковка своими руками
- Трубогиб своими руками
- Дымоход своими руками
- Заземление своими руками
- Стеллаж своими руками
- Блок питания своими руками
- Светильник своими руками
- Жалюзи своими руками
- Светодиодная лента своими руками
- Нивелир своими руками
- Замена ремня ГРМ своими руками
- Лодка своими руками
- Как сделать насос своими руками
- Компрессор своими руками
- Усилитель звука своими руками
- Аквариум своими руками
Бюджетный вариант – делаем станок из дрели за 300 рублей
А это необычный способ, и потратить нужно будет около 300 рублей. Так вы получите приспособление, которое сверлит под любым углом, от 45 до 90 градусов.
Итак, рассмотрим особенности такого устройства:
- Угол наклона. Для того, чтобы наклонять приспособление на требуемый угол сверления, будет достаточно раскрутить два зеленых рычажка сверху и по шкале выставить требуемый градус.
- Ограничение сверления. Если вы закрутите ручки ограничения на требуемой высоте, то можно будет ограничивать глубину, на которую сможет войти сверло.
- Фиксация. Приспособление можно зафиксировать в абсолютно любом положении на вертикальной плоскости. К примеру, это очень удобно, если меняешь сверла, чтобы дрель не опускалась вниз.
- Фиксирование на поверхности стола. Если можно зафиксировать подошву устройства на четыре самореза, к примеру, к столу, обязательно пользуйтесь такой возможностью. Такая функция будет очень удобной, если требуется просверлить много однотипных деталей.
- Подошва. Снизу есть углубление с шириной в 6 см, чтобы было удобнее устанавливать приспособление. В верхней части подошвы есть фаска с углом в 45 градусов с обеих сторон, и можно потребоваться сверление отверстия в ребре бруса квадратной формы.
В работе такое устройство простое и удобное. Это здорово поможет облегчить работы в мастерской, и при этом стоит сущие копейки.
Практические примеры самодельного токарного станка, с учетом рекомендаций, изложенных выше
Начнем с простейшего варианта, который изготавливается за один выходной день практически без финансовых затрат (дрель уже есть, ее стоимость не учитывается).
Набор заготовок на иллюстрации: собственно инструмент, несколько деревянных заготовок, крепежные элементы.

Самый ответственный момент – это соосность вала дрели с опорным наконечником импровизированной задней бабки. Поэтому измерения производим с точностью до миллиметра.
Поскольку станок будет не очень габаритным, располагаем его на станине из толстой фанеры. Держатель для шейки дрели также вырезаем из фанеры, причем зажимной хомут не обязателен. Достаточно будет фиксирующего винта. Размещаем узлы на станине:

Шпиндель не обязателен: тонкие заготовки можно зажимать в штатном патроне дрели, а для более объемных деталей изготавливается импровизированная план шайба.
На таком станке можно с легкостью обрабатывать деревянные болванки, а также заготовки из композитных материалов: текстолит, и пр.

Используя аналогичные материалы (лучше прочной многослойной фанеры только толстый текстолит), можно изготовить более сложный с точки зрения настроек станок.
Сама дрель закрепляется не только в районе шейки, но и поддерживается дополнительным кронштейном. Это позволит избежать вибраций, особенно при высокой нагрузке или несимметричной заготовке.
Учитывая возможность точной подгонки узлов под конкретную дрель, можно выполнить крепление максимально щадящим для самого инструмента. Например, вентиляционные отверстия не должны быть закрытыми.

Упор для резцов (даже при условии, что они будут держаться в руках), выполняется подвижным. Причем как по горизонтали, так и по вертикали. В процессе обработки болванка становится тоньше, можно придвигать опорную поверхность к детали.
Задняя бабка по вертикали не регулируется, это логично. А по горизонтали выполняется грубая настройка (придвигается опора), и точная настройка с помощью винта.
Главный принцип любой подобной конструкции – вы не теряете безвозвратно сам электроинструмент. То есть, дрель можно в любой момент демонтировать и пользоваться ей по назначению.
Как быстро сделать токарный стан по дереву
Сделать полноценный токарный стан из электродрели не получится, потому что для мощного оборудования нужен не менее мощный электрический привод. Сделать миниатюрный токарный станок из дрели несложно, и для этого не потребуется много затрат и усилий. В качестве станины, т.е. основы, возьмите верстак, на который будет установлена ваша электрическая дрель. Станок по дереву почти готов, и осталось лишь сделать заднюю опору для закрепления заготовки, и окончить процесс обустройство суппорта. Задняя опора обязательно должна быть подвижной, и по этой причине в станине следует предусматривать обустройство направляющих.
Принцип создания самодельного оборудования подразумевает, что вы выполните следующие действия:
- До того, как вы прикрепите дрель к верстаку, следует выполнить монтаж проставкок, которыми будет регулироваться расстояние от столешницы до патрона, и именно оно будет характеризовать размер обрабатываемой заготовки. В качестве проставки используйте доски соответствующей длины и ширины, которые будут установлены под электрический инструмент.
Для создания задней опоры используйте брусья из древесины, причем в их конструкцию должен быть прикреплен винт с возможность регулировки, и у него должен быть наконечник конусообразной формы.
- Для изготовления подручника потребуется использовать бруски из дерева, к которым будет прикреплена рейка. Длина последней должна быть равна расстоянию между задней и передней опорой.
- Предусматривать подключение кнопки для приведения устройства в работу. Для этого предлагаем выводить контакты на новую кнопку или выполнить блокировку штатного нажима в режиме включения, а запускать прибор путем вставки штепсельной вилки в розеточный разъем.
Чертежи для токарного станка из дрели своими руками очень важны
Также при создании станка уделяйте особое внимание фиксированию заготовки из древесины. На передней опоре в роли крепления будет использован трезубец, и его можно даже сделать из старых сверл
Для этого приварите два концевика цилиндрической формы к сверлу, и они должны быть расположены на одинаковом расстоянии друг от друга. Более того, выступы должны быть расположены в один ряд. Чтобы не делать самостоятельно трезубец, можно использовать пику для перфоратора и просто срезать с нее хвостовик. Выступы на насадке требуются для того, чтобы патрон, который движется, приводил заготовку в движение.
Также уделите внимание задней опоре, потому что от того, насколько у вас качественный второй фиксатор, будет зависеть безопасность применения установки. В качестве опоры сзади подойдет патрон от дрели/шуруповерта, в который нужно вставить и закрепить насадку конической формы
Использовать в конструкции задней опоры трезубец не стоит, потому что она нужна лишь для фиксации материала.
Особенности применения станков
Работа дрелью на весу при удержании инструмента только руками существенно ограничивает ее возможности. Вес инструмента и вибрация не позволяют жестко зафиксировать дрель в нужном положении. Но если продумать и сконструировать специальную станину, где она будет устойчиво крепиться, то обыкновенная ручная дрель превратится в профессиональное, почти промышленное оборудование.
Из дрели можно самостоятельно сделать такие виды станков:
- сверлильный;
- токарный;
- фрезерный;
- шлифовальный.
Причем после замены рабочего или режущего элемента станки становятся взаимозаменяемыми. Предусматривают функцию два в одном, например, сверлильный и фрезерный станок, токарный и шлифовальный. Все зависит от условий монтажа и потребностей владельца.
Мощность станков и их возможности будут зависеть от вида дрели (мощности ее электродвигателя), способу крепления, так как именно она в этом случае выступает главной рабочей частью оборудования.
Как сделать сверлильный станок с использованием дрели
Использование электрической дрели – это, наверное, наиболее простой вариант изготовления самодельного сверлильного станка, т.к. в этом случае решается вопрос фиксации сверла (используется патрон дрели), а также обеспечивается электрический привод. Основной задачей в этом случае, которую нужно решить, является изготовление каркаса и механизма перемещения сверла в вертикальной плоскости. Все работы можно разбить на несколько этапов, определяющих характер их выполнения: подготовительный, выполнение работ и завершающий.
Металлическая стойка для закрепления дрели проста в изготовлении и удобна при использовании
Подготовительный этап
В этот период выполнения работ необходимо:
- Определиться с материалами и комплектующими, имеющимися в наличии и которые можно использовать для изготовления станка: дерево или металл, запчасти от авто-, мототехники или устройств бытового назначения, электрические провода и коммутационные аппараты, а также средства защиты.
- В зависимости от выбранных материалов готовится и необходимый инструмент. Это может быть болгарка и сварочный аппарат (инвертор), циркулярная или дисковая пила, а также столярный инструмент и крепёжные элементы.
- Разрабатывается чертёж (эскиз) создаваемой конструкции, при этом основными размерами являются: посадочное место установки используемой дрели и размер перемещения сверла.
Конструкция из дерева не является достаточно прочной, но для изготовления печатных плат может использоваться в полной мере
Выполнение работ
Определившись с материалами и инструментом, а также подготовив их и разработав чертёж, можно приступать к изготовлению. Далее приведена пошаговая инструкция изготовления подобной оснастки с использованием металлического листа и профиля.
| Иллюстрация | Описание действия |
| Из металлического листа толщиной 10−12 мм изготавливается основание (плита) станка, на котором просверливаются отверстия, предназначенные для его последующего крепления. К плите приваривается металлический профиль (стойка) сечением 40×40 мм. | |
| При монтаже профиля проверяется его нахождение строго в вертикальной плоскости, чтобы обеспечить правильный ход сверла в дальнейшем. | |
| Из металлического профиля сечением большим, чем приваренная стойка, вырезается заготовка, после чего проверяется возможность её перемещения вдоль этой стойки. | |
| На заготовке делается пропил, вдоль всей её поверхности. | |
| После этого из профиля аналогичного сечения изготавливается металлическая конструкция, в которую помещается звёздочка от велосипеда. | |
| На поверхности вертикальной стойки закрепляется велосипедная цепь, для чего используется сварка. | |
| Проверяется способность собранной конструкции перемещаться вдоль стойки. | |
| Из металлической трубы диаметром большим, чем патрон используемой дрели, вырезается крепление, которое приваривается к собранной ранее конструкции. | |
| Проверяется надёжность фиксации дрели. | |
| Из профиля меньшего сечения изготавливаются рычаги, служащие для привода механизма перемещения, которые крепятся на собранной ранее конструкции. | |
| Проверяется работоспособность механизма подъёма и опускания. |
Завершающий этап
На этом этапе производства работ выполняются следующие мероприятия:
- собранная металлическая конструкция красится;
- узлы перемещения смазываются;
- для удобства использования на плите может быть установлена штепсельная розетка для включения в неё электродрели с подключённым электрическим кабелем, служащим для включения в сеть.
Вариант изготовления с использованием автомобильного домкрата
Крепеж направляющих полозьев
В основе рельс профиля использовал стальные готовые направляющие от старого радиоэлектронного прибора со съемными блоками. Они выбраны потому, что:
- сделаны из прочного металла;
- имеют одинаковые уголки для обеспечения равномерного отступа от вертикальной стойки;
- удобны в креплении.
Их размещение спланировал на стойке и провел линию карандашом по угольнику.

Сделал по ней пропил ножовкой для установки фиксаторов.

Подогнал профили ударами молотка.

Закрепил шурупами, обеспечив равномерный зазор между уголком и бруском.

Контроль положения
Осталось проверить работу за счет перемещения ползуна, который я сделал из плиты гетинакса подходящей толщины.

Этот материал, как и многослойная фанера, обладает хорошей прочностью и легко скользит по обструганной древесине. Хотя ничего не мешает изготовить ползун из обычной доски.





