Комплектация и характеристики
Комплектация обогревателя включает все узлы и детали прибора. Количество и вид дополнительных элементов зависит от модели. К обязательным относится весь крепеж – шайбы, болты, хомуты, уголки с прокладками, заглушки, экраны, и также все соединительные элементы – жгут питания, топливный насос, выхлопная труба. Планар комплектуют собственным топливным баком и пультом управления.
Есть 4 вида прибора. Основные характеристики приведены в таблице.
| Модель | 2D-12-S(24 S) | 4DM2-12-S (24 S) | 44D-12-GP-S (24 S) | 8M-12-S (24 S) |
| Номинальное напряжение, В | 12 (24) | 12 (24) | 12 (24) | 12 (24) |
| Тепловая мощность, кВт (макс и мин) | 0,8–2,0 | 1,0–3,0 | 1,0–4,0 | 2,0–6,0 |
| Расход топлива, л/час (макс и мин) | 0,1–0,24 | 0,12–0,37 | 0,12–0,51 | 0,42– 0,76 |
| Потребляемая мощность, Вт (макси и мин) | 10–29 | 9–38 | 10–58 | 8–85 |
| Объем нагреваемого воздуха, куб. м/час (макс мин) | 34–75 | 70–120 | 70–120 | 70–175 |
| Режим пуска и останова | Ручной/дистанционный | Ручной | Ручной/дистанционный | Ручной |
| Масса, кг | 10 | 10 | 10 | 12 |
Отопитель воздушный Планар 4ДМ2 24 отличается от 12 только требованиями к силе тока – 24 В, а не 12 В.
Принцип действия и особенности устройства
Одно из преимуществ, которым обладает отопитель планар – возможность регулировать мощность нагрева. Для этого в устройстве предусмотрена специальная ручка на регуляторе, которая легко поворачивается и устанавливается в желаемое положение.
Задав желаемое значение мощности, нет необходимости вмешиваться в дальнейшую работу устройства. Оно будет контролироваться в автоматизированном режиме:
- Когда температура упадет до критической минимальной отметки – Планар включается
- Постоянное увеличение тепла внутри салона будет постепенно снижать мощность, уменьшая подачу теплого воздуха
Особенности работы автоматики устройств Планар

Отопитель отключается автоматически при понижении напряжения.
При работе с оснащением имеются свои нюансы. Во время нестандартных ситуаций и аварий прибор может вести себя одним из следующих образов:
- если по какой-либо причине устройство не будет запущено с первого раза, то программное обеспечение автоматики проведет повторный запуск оборудования (система выключится после завершения второй неудачной попытки);
- если после запуска прибора в процессе его работы горение прекращается, то Планар 4д24 45и любая другая модель выключится;
- если наблюдается перегрев теплообменного аппарата автономного устройства, то прибор будет выключен автоматически (это может произойти в случаях, когда одно или оба отверстия нагревателя будут находиться в закрытом положении);
- выключение нагревателя произойдет в случаях, когда напряжение в сети опустится ниже отметки 20,5 или же поднимется выше 30 В.
Последняя особенность характерна не для всех моделей. Так, Планар установка, работающая от сети 12 В, отключится при выходе мощности за пределы диапазона 10,5-16 В
Важно знать, что аварийное отключение сопровождается световыми сигналами. На контроллере находятся индикаторы со светодиодами, которые в нештатной ситуации будут мигать красным или оранжевым
Мигание происходит с определенной периодичностью, что указывает на тип неполадки. Интересная статья: «Обогреватель для ванной: настенный, потолочный, напольный«.
О том, насколько эффективно отопление каркасного дома конвекторами читайте тут.
Модельный ряд устройств
Модельный ряд включает 4 устройства — 2Д, 4 ДМ, 44Д и 8 ДМ.
Ошибки Планара 2Д и 4ДМ
Коды ошибок Планар, 3 квт сухой фен 2Д имеют следующие значения:
- E 01 — произошёл перегрев в теплообменнике: поступает сигнал о том, что стоит выключить устройство, так как температура свыше +250°С.
- E 02 — t блока управления свыше +55°C.
- E 05 — не работает датчик. Причиной может быть обрыв проводки или замыкание в корпусе.
- E 06 — поломки в температурном датчике системы управления. Замене он не подлежит.
- E 09 — поломки свечи розжига: произошло замыкание или отключился блок управления.
- E 10 — двигатель не может достичь нужных оборотов: в подшипниках сильное трение либо в нагнетательном отделе улитка задевается крыльчаткой.
- E 12 — отключение по причине высокого напряжения (30 В).
- E 13 — механизм не запускается: отверстие в камере сгорания или свечная сетка засорились.
- E 15 — отключение из-за низкого давления (20 В).
- E 16 — датчик не успел остыть перед запуском.
- E 17 — неполадки насоса из-за обрыва проводки или замыкания.
- E 20 — отопитель не может запустится по причине сгоревших предохранителей в блоке питания или же отсутствует связь между блоком и пультом управления.
- E 27 — двигатель заклинило, он не вращается из-за разрушения ротора или подшипника.
- E 28 — двигателем невозможно управлять. Причина: поломки блока управления и/или платы.
- E 29 — пламя во время работы прерывается: нарушена герметичность топливопровода, поломки индикатора или насоса.
- E 78 — срыв пламени. Причины: в систему попал воздух, имеются поломки в насосе или проблемы с индикатором.
Так же есть модифицированная версия данного отопителя
Коды Планара 4Д и его модификаций:
- E 13 — механизм не запускается. Причины: закончилось топливо или же оно плохого качества, засорён трубопровод, плохо разогреты свечи, забилось отверстие камеры сгорания.
- E 01 — перегрев: t в теплообменнике выше +250°С.
- E 08 — пламя прерывается: неисправность насоса, индикатора, нарушение герметичности топливопровода.
- E 09 — неполадки свечей розжига: обрыв, короткое замыкание, неполадки блока управления.
- E 05 — индикатор пламени не срабатывает: замыкание или обрыв проводки.
- E 04 — неполадки температурного датчика.
- E 17 — топливный насос имеет неисправности.
- E 12 — высокое напряжение больше 30 В.
- E 15 — напряжение меньше 20 В.
- E 10 — электродвигатель не набирает обороты: между подшипниками сильное трение.
- E 16 — недостаточное вентилирование камеры охлаждения: неполадки в блоке управления, неисправность воздушного нагнетателя или индикатора пламени.
- E 27 — двигатель стоит на месте: подшипники или ротор пришли в негодность.
- E 28 — самостоятельное бесконтрольное вращение двигателя: перегрев блока питания.
- E 02 — t датчика больше +55°C.
Неисправности отопителя 8 ДМ
Коды ошибок фена Планар 8 ДМ имеют следующие значения:
- E 01 — t в теплообменнике +250°С.
- E 02 — перегрев датчика.
- E 04 или 06 — неисправности температурного датчика.
- E 05 — не работает индикатор пламени из-за обрыва проводки или замыкания в корпусе.
- E 08 — прерывается пламя в рабочем режиме.
- E 09 — проблемы со свечами накаливания.
- E 10 — нет нужных оборотов двигателя.
- E 12 — отключение по причине завышенного напряжения.
- E 13 — не запускается отопитель: засорение в штуцере камеры или газоотводе, закончилось топливо.
- E 15 — отключение по причине низкого напряжения.
- E 17 — неисправен насос для перекачки топлива.
- E 20 — отсутствует связь между датчиком и пультом управления.
- E 27 — по причине окисления контактов двигатель перестал вращаться.
- E 28 — заклинил подшипник, двигатель неуправляем.
- E 29 — прерывается время от времени пламя: неполадки с платой или датчиком.
- E 30 — отсутствует сигнал между датчиком и пультом управления.
- E 78 — срыв пламени.
Чем отопить кабину? Таким вопросом задаются владельцы автомобилей. Можно использовать стандартную печку, но это далеко не всегда целесообразно. Специалисты рекомендуют использовать Планар – отопитель автономного класса. С его помощью можно поддерживать комфортную температуру в салоне микроавтобуса или грузового автомобиля. Существуют модели, которые могут с легкостью справиться с обогревом кабины строительного крана. Прибор функционирует независимо от того, включен ли двигатель машины. Также читают: «Бензиновый, керосиновый, дизельный обогреватель«.
ДОКУМЕНТАЦИЯ НА ВСПОМОГАТЕЛЬНЫЕ УСТРОЙСТВА
- Адаптер для подогревателей и отопителей инструкция 479.09 Кб (Добавлен 18.01.2016)
- Схема адаптера RS232776.99 Кб (Добавлен 18.02.2011)
- Описание стенда для автоцентров1.59 Мб (Добавлен 18.01.2016)
- Инструкция к УПТ-4285.62 Кб (Добавлен 06.03.2017)
- Инструкция к устройству подкачки507.28 Кб (Добавлен 18.01.2016)
- Инструкция к Устройству диагностики 14ТС-10, 14ТС-20, 14ТС-10МК, 11ТС428.28 Кб (Добавлен 18.01.2016)
- Инструкция к Адаптеру-USB для подогревателей и отопителей916.46 Кб (Добавлен 03.06.2013)
- Инструкция на Пульт-Таймер для 14ТС-10, 11ТС (В данный момент не выпускается)318.93 Кб (Добавлен 18.01.2016)
Обеспечение безопасности
Отопитель Планар оборудован несколькими системами безопасности, обеспечивающими стабильную работу прибора и аварийное отключение при нештатном режиме.
- При неудачной попытке запуска по умолчанию производится вторая попытка. Если же запуск все равно остается невозможным, прибор отключается.
- При нарушении работы горелки устройство немедленно отключается.
- Также производится автоматическое отключение при перегреве теплообменника. При понижении или скачке силы тока установка отключается.

Рекомендации по использованию
Продлить срок эксплуатации автономного обогревателя и заметно уменьшить затраты на ремонт можно, соблюдая рекомендованные в инструкции правила использования.
- Топливо – известно, что эффективность работы двигателя зависит от температуры окружающего воздуха. Для отопителя Планар также рекомендуется соблюдать некоторые условия. Так, при температуре до -5 С, применяется дизельное топливо 3-0,2, при значениях от – 5 до -20 С, желательно использовать смесь бензина и солярки, а при более низких температурах – топливо марки А-0,4.
- Обогреватель рекомендуется включать на 5-10 минут один раз в месяц, даже когда нет нужды в обогреве салона. Таким образом предваряется появление пленочных отложений в топливном насосе.
- Нельзя отключать устройство до окончания этапа продувки. В любой другой момент отключение возможно.
- Следует проверять уровень зарядки аккумуляторной батареи. Если автомобиль длительное время не используется, то отопитель Планар необходимо отключить от батареи.
- Нельзя подключать обогреватель к электрической цепи машины при работающем двигателе. Питание прибора осуществляется только от аккумуляторной батареи вне зависимости от массы транспортного средства.
- Во время заправки автомобиля прибор следует отключить.

Ремонт прибора рекомендуется доверить специалистам. Однако с простыми неполадками, не связанными с горелкой и повреждениями электрических частей, можно справиться и самостоятельно, судя по отзывам. Инструкция, прилагаемая к прибору, подробно описывает наиболее вероятные из них.
Довольно часто, если не соблюдены рекомендации по переходу на зимнее топливо происходит запарафинивание топливного фильтра. В результате устройство Планар не включается. При этом следует сначала заменить топливо на соответствующее погодным условиям, и проверить работу топливозаборника. Если после прочистки его фильтра отопитель Планар по-прежнему не работает, следует демонтировать насос для подачи топлива, и, отвернув штуцер, снять фильтр. Элемент промывается в бензине и продувается сжатым воздухом, а затем устанавливается на место. Штуцер по окончании ремонта следует фиксировать на герметик. На видео процесс очистки фильтра представлен более подробно.
Планар представляет собой автономный отопитель, который был изобретён самарскими специалистами. Модельный ряд включает в себя 4 вида устройств, каждое разработано в вариантах на 12 и 24 вольта. Конструкция предназначена для обеспечения комфортной для человека температуры в кабине любого транспортного средства даже при сильных морозах. Но она, как и любая установка, может выйти из строя. Зная коды неисправностей Планара, можно приступить к ремонту.
Видео работы
Устройство отопителя Планар включает не только регулятор мощности в виде поворотной ручки, но и таймер. Последний необходим для того, чтоб отключить установку после продолжительной работы.

Разработано устройство таким образом, чтоб сделать работу автономной во всех аспектах. Автоматика также контролирует текущее состояние каждого рабочего элемента, расположенного внутри. Процесс розжига начинается только в том случаях, когда управляющий элемент убедится в исправности всех узлов. Таким образом достигается очень высокий уровень безопасности в процессе эксплуатации.
Рабочий процесс более подробно можно описать следующим образом:
- В первую очередь продувается камера сгорания
- Затем до нужной температуры нагреваются свечи накаливания
- Внутрь камеры сгорания подаются необходимые порции воздуха и горючего
- Происходит непосредственное сгорание топлива
- Свеча поддерживает его до тех пор, покуда процесс не стабилизируется, после чего отключается

Чтобы образовавшееся пламя оставалось в пределах нормы, оно контролируется соответствующим индикатором. Если температурный предел будет превышен, блок управления прекратит горение.
Несмотря на высокий уровень автоматизации, выключение устройства поддерживается в ручном режиме. Камера сгорания начинает вентилироваться. Полностью прекращается подача топлива.
Читайте так же как сделать отопление в своем гараже
Некоторые особенности устройства отопителя Планар
Как правило, топливо поступает внутрь камеры сгорания прибора непосредственно из топливного бака транспортного средства. Однако такой вариант не единственный из возможных. Иногда аппарат имеет собственную емкость, в которую заливается необходимое для работы горючее.
По аналогии устроено электроснабжение. Питается отопитель планар непосредственно от автомобильного аккумулятора.

Число составляющих отопительного устройства огромное, но среди них можно выделить тройку основных элементов:
- Управляющий пульт или блок – необходим, чтоб контролировать работу устройства в целом
- Топливный насос – необходим, чтоб подавать требуемое количество горючего в камеру хранения
- Нагревательный элемент – в нем происходит нагревание воздуха, который впоследствии поступает в салон автомобиля
Возможно вас так же заинтересует наша статья про электрическое отопление
Резюме
Автомобильные обогреватели «Планар» – хороший выбор для тех, кому необходимо обеспечить дополнительный обогрев кабины либо крытого кузова грузовых или пассажирских автомобилей. Отметим, что для достижения требуемых результатов крайне важна правильная установка автономки и своевременное обслуживание устройства. Цена обогревателей начинается от 19,5 тыс. рублей.
В этом разделе полный список кодов ошибок для «самарких автономок» Планар Теплостар
Во время эксплуатации отопителя может возникнуть неисправность. Неисправность определяется по количеству миганий светодиода на пульте управления ПУ или по высвечиваемому коду на цифровом пульте . Количество миганий светодиода, причины, приведшие к отказу, и методы устранения неисправности указаны в таблице .
Как определить неисправность автономной печи
1) Проверить уровень и качество топлива.1) Оценить визуально-Повреждение проводов, шлангов, наличие деталей(насоса, топливного бака) итп.3) Посчитать коды ошибок для моделей без дисплея 4) Произвести ремонт согласно документации
Во время эксплуатации отопителя может возникнуть неисправность. Неисправность определяется по количеству миганий светодиода на пульте управления ПУ или по высвечиваемому коду на цифровом пульте . Количество миганий светодиода, причины, приведшие к отказу, и методы устранения неисправности указаны в таблице .
Возможны и другие неисправности, которые не диагностируются блоком управления, например: потеря герметичности теплообменником (прогорание), или прогорание уплотнительных прокладок, или снижение теплопроизводительности в результате нагарообразования на внутренней поверхности теплообменника. Перечисленные неисправности могут быть обнаружены визуально.
Выберите вашу модель
- 2D-24(2Д-24) 2кВт
- 4DM2-24(4ДМ) 3кВт
- 44D-24(44Д-12) 4кВт
- 8DM-24(8ДМ) 7-8кВт
- Бинар 5С
- Бинар 5S
- 14ТС-10 (14TC, Mini) Камаз МАЗ
Если совсем не разберетесь, можем помочь с ремонтом.
Особенности работы в различных ситуациях
Безусловно, отопительный прибор Планар является весьма полезным и в холодные зимы незаменимым. Однако многие автолюбители не рискуют его устанавливать, так как боятся некорректной работы в нештатных ситуациях.
Инженеры учли все возможные особенности эксплуатации устройства в различных условиях. Рассмотрим некоторые из них:

- Работа отопителя постоянно контролируется автоматикой. Если он неисправен, загорается предупреждающий светодиод (оранжевого или красного цвета)
- Устройство не допустит перегрева теплообменника – в подобной ситуации произойдет его отключение
- Возможны случаи, когда горение прекращается по самопроизвольным причинам – в подобных ситуациях также происходит автоматическое отключение установки
- В результате неудачного запуска отопительного оборудования автоматика сделает несколько повторных запусков. В случае завершения каждого из них неудачей будет выдано предупреждение о неисправности
Постоянные скачки напряжения могут оказаться весьма небезопасными. Блок управления будет обеспечивать работоспособность устройства лишь в ситуациях, когда оно не выходит за пределы нормального:
Бортовое напряжение 12 В (устройство 4ДМ-12) – от 10.5 В до 16 В
Бортовое напряжение 24 В (устройство 4ДМ-24) – от 20.5 В до 30 В
Зачастую причиной перегревания является некорректная установка оборудования. Оно происходит в тех случаях, когда были перекрыты входное и выходное отверстия у нагревателя.
Универсальные пульты управления
В настоящее время производитель Планаров, компания Адверс, комплектует все отопители (Спутник 2Д, Планар 2Д , Планар 4ДМ2, Планар 44Д) универсальным механическим пультом управления ПУ5:

Пульт управления Планар состоит из 2х кнопок: вентиляция и розжиг, и «крутилка» для выбора мощности работы отопителя.
В 2021 году был выпущен премиальный пульт ПУ27М с LCD дисплеем:

Новый пульт ПУ27М подходит ко всем выпускаемым на данный момент отопителям ПЛАНАР, более эргономичный, прост и удобен в обращении. Также имеет встроенный датчик температуры и возможность запуска отопителя по таймеру. Если запускать отопитель Планар по таймеру, то в этом случае устройство проработает 2 часа и выключится.
Как пользоваться прибором
Управление прибором осуществляется благодаря пульту дистанционного управления. Запуск и управление прибором осуществляется путем нажатия кнопок на пульте ДУ.
При использовании «Планара» существуют отдельные тонкости, соблюдение которых позволяет предотвратить возникновение технических проблем.
- Запрещается прокладка трубок топливопровода внутри салона автомобиля.
- Обогреватель запрещается использовать в закрытых помещениях, для безопасности эксплуатации помещение или салон автомобиля должны быть оборудованы огнетушителем.
- Если обогреватель подключен к топливной системе автомобиля, то при заправке машины его следует отключать.
- После выключения повторное включение устройства разрешается не ранее, чем через 10 секунд.
- Рекомендуется чаще использовать прибор на полную мощность, что позволяет производить очистку воздуховодов и топливопроводов обогревателя.
- Прибор нельзя отключать ранее окончания цикла продувки.
- В летний период рекомендуется сливать топливо из топливного бачка устройства.
Коды ошибок с пульта-таймера Теплостар
| Код | Несправность | Устранение неисправностей |
| 01 | Перегрев. |
|
| 02 | Опознан возможный перегрев. Разница температур, замеренных датчиком перегрева и датчиком температуры, слишком большая. |
|
| 03 | Неисправность датчика перегрева. | Проверить соединительные провода. Выходной сигнал и напряжение находятся в линейной зависимости от температуры (0°C соответствует 2,73 В и при увеличении температуры на 1°C, соответственно, увеличивается выходной сигнал на 10 мВ). Проверить датчик перегрева и при необходимости заменить. |
| 04 | Неисправность датчика температуры. | Проверить соединительные провода. Выходной сигнал и напряжение находятся в линейной зависимости от температуры (0°C соответствует 2.73 В и при увеличении температуры на 1°C, соответственно, увеличивается выходной сигнал на 10 мВ). Проверить датчик температуры, при необходимости заменить. |
| 05 | Обрыв индикатора пламени. | Проверить соединительные провода. Проверить омическое сопротивление между выводами индикатора пламени. При обрыве омическое сопротивление более 90 Ом. При обрыве индикатор пламени заменить. |
| 06 | КЗ индикатора пламени. | Проверить соединительные провода. Проверить омическое сопротивление между выводами индикатора пламени. При КЗ омическое сопротивление менее 10 Ом. При КЗ индикатор пламени заменить. |
| 07 | Прерывание пламени на режиме работы «МАЛЫЙ». | Проверить воздухозаборник, газоотводящий трубопровод и подачу топлива, устранить неисправности, при необходимости заменить топливный насос и индикатор пламени. |
| 08 | Прерывание пламени на режиме работы «ПОЛНЫЙ». | Проверить воздухозаборник, газоотводящий трубопровод и подачу топлива, устранить неисправности, при необходимости заменить топливный насос и индикатор пламени. |
| 09 | Неисправность свечи накаливания. | Проверить свечу накаливания, при необходимости заменить свечу. |
| 10 | Неисправность электродвигателя нагнетателя воздуха. | Проверить электропроводку электродвигателя. Устранить неисправность, при необходимости заменить нагнетатель воздуха. |
| 12 | Отключение, повышенное напряжение более 30,8 В. | Данный дефект возможен при включении подогревателя при работающем двигателе автомобиля. Причиной может быть неисправность регулятора напряжения автомобиля. |
| 13 | Попытки запуска исчерпаны. | Если допустимое количество попыток запуска использовано – проверить количество и подачу топлива. Проверить воздухозаборник и газоотводящий трубопровод. Проверить свечу. |
| 14 | Неисправность циркуляционного насоса (помпы). | Проверить электропровода циркуляционного насоса на короткое замыкание и обрыв, проверить помпу и при необходимости заменить. |
| 15 | Отключение, пониженное напряжение менее 20 В. | Проверить батарею, регулятор напряжения автомобиля и подводящую электропроводку. |
| 16 | Превышено время на вентиляцию. | За время продувки не достаточно охлаждён подогреватель. Проверить воздухозаборник и газоотводящий трубопровод. Проверить индикатор пламени и при необходимости заменить. |
| 17 | Неисправность топливного насоса. | Проверить электропровода топливного насоса на короткое замыкание и обрыв, проверить топливный насос и при необходимости заменить. |
| 18 | Неисправность реле вентилятора автомобиля. | Проверить электропровода реле, устранить К.З, при необходимости реле заменить. |
| 19 | Прерывание пламени на режиме «СРЕДНИЙ». | Проверить воздухозаборник, газоотводящий трубопровод и подачу топлива, устранить неисправности, при необходимости заменить топливный насос и индикатор пламени. |
| 20 | Нет связи между блоком управления и таймером. | Проверить предохранитель 5 А. Проверить цепи и контакты. |
| 23 | Напряжение менее 21,6 В (Предупреждение). | Необходимо выключить работающий подогреватель и провести зарядку аккумулятора. |
| 25 | Происходит блокировка от последующих запусков подогревателя после трех подряд включений, при которых подогреватель не запустился. | Блокировка снимается отключением подогревателя от аккумуляторной батареи. Проверить свечу накаливания. Проверить сетку и отверстие в камере сгорания на нагарообразование. Смотри также код 17. |
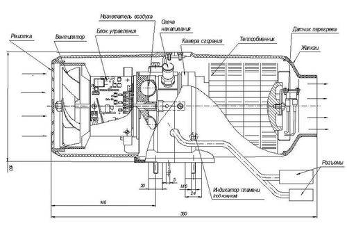
Конструкция и принцип работы
Отопитель имеет регулятор напряжения и таймер. Возможна постоянная работа в автономном режиме. Розжиг запускается электроникой только в случае соблюдения всех требований и при полной исправности составляющих, поэтому нет оснований переживать по поводу безопасности конструкции.
Главные составляющие Планара:
- блок питания;
- элемент для нагрева;
- насос для перекачки топлива.
Принцип работы автономки заключается в подаче воздуха извне в отделение нагрева. Этот воздух нагревает энергия, которая образуется в результате сгорания топлива. После этого тёплый воздух поступает в салон автомобиля, фургона или автобуса.

Преимущества использования воздушных обогревателей:
- невысокая стоимость;
- небольшой топливный расход;
- работа задаётся по температурному режиму или по мощности;
- при выключенном двигателе во время длительного простоя машины потребляется очень мало электроэнергии;
- не издаёт сильного шума;
- за счёт бесколлекторного двигателя увеличен ресурс работы;
- диагностика конструкции проходит в автоматическом режиме.
В этом видео вы узнаете, как устроен отопитель:
https://youtube.com/watch?v=UmOyjwPdkd8
Требования к монтажу
Устройство можно ставить в любом месте автомобиля, пульт управления рядом с водителем
Установка Планара выполняется строго по инструкции:
- Отопитель закрепляется как на стену, так и на пол. Положение строго горизонтальное, наклон запрещается.
- Дистанция от стенок или перегородок до входного отверстия – не менее 5 см.
- Расстояние от стенок кабины от выходного отверстия – не менее 15 см.
- Отопитель монтируют в таком месте, где возможен его ремонт и демонтаж.
- Корпус не должен соприкасаться со стенками или полом кабины.
- Топливный бак нельзя монтировать в салоне, багажнике или моторном отсеке. Он закрепляется так, чтобы при разлитии солярка не оказывалась на проводке.
- Воздух для горения берут снаружи, а не из салона или грузового отсека. Всасывающее отверстие патрубка размещается против воздушного потока во время езды.
Отопитель Планар: основные преимущества его использования
Среди владельцев автомобилей, особенно дальнобойщиков, которые проводят в дороге большую часть времени, отопитель планар заслуженно получает немало положительных отзывов. Отечественная разработка, в сравнении с импортными аналогами, надежная, но менее дорогостоящая.
В большом количестве положительных характеристик выделяют:

- Проведя воздухоотводные трубки в грузовой отсек, можно обогреть весь автомобиль, а не только водительскую кабину
- Даже при значительно низких температурах (менее -20 градусов) их эффективность остается на весьма высоком уровне
- Экономично расходуется топливо и ресурс аккумуляторной батареи
- Достаточный показатель мощности
- Неограниченное время работы установки
Обогреватель планар получил широкое распространение в автомобилях, используемых для транспортировки лекарств, напитков, животных, технологических жидкостей и т. д. Они активно применяются водителями кугунов, кранов и прочей специальной техники.

Для использования отопительного агрегата Планар нет необходимости запускать двигатель автомобиля. Это дает возможность продолжать эксплуатировать его во время ночевки.
На рынке предлагается несколько моделей, каждая из которых характеризуется присущими ей особенностями. Однако наиболее востребованной среди них считается модель Планар-4дм 24. Ее монтаж возможен не только в больших фургонах, но и бытовке, будках и т. д. В процессе работы отопительный прибор практически не издает шума.
Конструкция отопителя
Установка, осуществляющая обогрев кабины или рабочего места водителя с помощью потоков теплого воздуха, получило название воздушного обогревателя. Конструкция включает в себя нагревательный элемент, насос для подачи дизельного топлива, пускорегулировочную аппаратуру и провода для соединения элементов. Приборы выпускают российским заводом «Планар» (г. Самара) и характеризуются доступной ценой при высокой эффективности, как свидетельствуют отзывы. На фото – отопительная автомобильная установка.
Принцип работы воздушного отопителя Планар таков: насосом топливная смесь подается в камеру сгорания. Тепло, получаемое при сгорании, передается теплообменнику. Последний обдувается потоком воздуха, а затем нагретый воздух подается в кабину водителя. Продукты сгорания выводятся из салона автомобиля, поэтому использовать обогреватель Планар в закрытых помещения — гараж, мастерская, запрещается.
Топливной смесью для прибора служит дизельное топливо, получаемое из бака. Обогреватель работает в автономном режиме, вне зависимости от состояния двигателя.
Во время каждого включения обогревателя проводится предварительное тестирование датчика перегрева, состояния насоса, индикатора горелки и электроцепей. При отклонении в состоянии элементов согласно инструкции розжиг инициироваться не будет. Если тест пройден успешно, камера сгорания предварительно продувается – воздух выводится из салона, разгорается свеча, а затем подается смесь топлива и воздуха для сгорания. По достижению нормального стабильного горении отключается свеча.

При отключении прекращается подача топливной смеси, производится гашение горелки и продувка камеры сгорания.
Регулировка температуры производится автоматически, согласно установленному значению: от 15 до 30 градусов. Когда температура воздуха в салоне достигает заданной величины, прибор переходит в режим с меньшей теплоотдачей. Если разница между параметрами велика, то устройство может активировать режим вентиляции, способствующий охлаждению рабочего места. При понижении температуры воздуха, автономный обогреватель Планар переходит в более активный режим. Опционально прибор может быть снабжен выносным температурным датчиком, который размещается в кабине
Монтаж установки производится только специалистами.
РУКОВОДСТВА ПО ЭКСПЛУАТАЦИИ
- Инструкция по монтажу отопителей модельного ряда PLANAR6.94 Мб (Добавлен 26.12.2018)
- Пульт управления ПУ-5 сб 3520 (новинка) руководство по эксплуатации623.59 Кб (Добавлен 18.04.2018)
- Модемы РЭ (подключение и эксплуатация)870.58 Кб (Добавлен 10.12.2018)
- Отопители Планар (с маркировкой «S») руководство по эксплуатации581.15 Кб (Добавлен 11.10.2017)
- Устройства управления Планар (с маркировкой S)613.21 Кб (Добавлен 19.10.2017)
- Планар 2D-12/24 руководство по эксплуатации2.31 Мб (Добавлен 23.10.2014)
- Планар-4Д руководство по эксплуатации884.91 Кб (Добавлен 27.04.2016)
- Планар-4ДМ руководство по эксплуатации 1.85 Мб (Добавлен 27.04.2016)
- Планар-4ДМ2 руководство по эксплуатации1.92 Мб (Добавлен 27.04.2016)
- Планар 4DM2 руководство по эксплуатации2.78 Мб (Добавлен 27.04.2016)
- Планар-44Д-12/24 руководство по эксплуатации1.49 Мб (Добавлен 27.04.2016)
- Планар 44D-12/24 руководство по эксплуатации2.76 Мб (Добавлен 18.09.2014)
- Планар 44-GP (RUS-ENG версия) руководство по эксплуатации 2.76 Мб (Добавлен 05.02.2016)
- Планар-8ДМ руководство по эксплуатации1.22 Мб (Добавлен 27.04.2016)
- Планар 8DM-12/24 руководство по эксплуатации2.82 Мб (Добавлен 27.04.2016)
- Планар — 9D — 12/24 руководство по эксплуатации1.33 Мб (Добавлен 18.04.2018)
- Бинар-5-Компакт (изделия выпускаемые до 2013г) руководство по эксплуатации1.31 Мб (Добавлен 03.06.2013)
- Бинар-5-Компакт руководство по эксплуатации2.97 Мб (Добавлен 27.04.2016)
- Бинар-5-Компакт-GP руководство по эксплуатации3.44 Мб (Добавлен 27.04.2016)
- Бинар-5Д-24 вольт Компакт руководство по эксплуатации3.45 Мб (Добавлен 27.04.2016)
- BINAR 5S руководство по эксплуатации369.57 Кб (Добавлен 18.04.2016)
- BINAR 5S инструкция по монтажу1.25 Мб (Добавлен 18.04.2016)
- Пульт ПУ-20 для BINAR 5S руководство по эксплуатации1.05 Мб (Добавлен 16.12.2016)
- Binar-5B-5D-Compact-12-GP (RUS-ENG версия) руководство по эксплуатации3.37 Мб (Добавлен 02.02.2016)
- Жгут топливного насоса BINAR 5S инструкция по монтажу183.06 Кб (Добавлен 18.04.2016)
- Теплостар 14ТС-10(КАМАЗ) руководство по эксплуатации775.31 Кб (Добавлен 19.05.2011)
- 14ТС-10 МИНИ руководство по эксплуатации2.6 Мб (Добавлен 22.03.2018)
- Теплостар 14ТС-10 (с МК) руководство по эксплуатации3.31 Мб (Добавлен 27.04.2016)
- Теплостар 14ТС-10-24/12-С (с МК) руководство по эксплуатации2.1 Мб (Добавлен 27.04.2016)
- Теплостар 14ТС-10 (BAW) руководство по эксплуатации574.75 Кб (Добавлен 21.11.2011)
- Теплостар 14ТС-10 (МАЗ) руководство по эксплуатации500.25 Кб (Добавлен 03.06.2013)
- Теплостар 14ТС-10-M5 24В (МАЗ) руководство по эксплуатации499.75 Кб (Добавлен 03.06.2013)
- Теплостар 14ТС (УРАЛ) руководство по эксплуатации486.09 Кб (Добавлен 03.06.2013)
- Теплостар 11ТС (КАМАЗ) руководство по эксплуатации798.91 Кб (Добавлен 03.06.2013)
- Теплостар 20ТС руководство по эксплуатации1.13 Мб (Добавлен 27.04.2016)
- Теплостар 15 ТSG-24 руководство по эксплуатации871.55 Кб (Добавлен 31.01.2019)
- Теплостар 20ТС-Д 38 руководство по эксплуатации899.79 Кб (Добавлен 27.04.2016)
- Предпусковой подогреватель 30SP-24 руководство по эксплуатации911.78 Кб (Добавлен 16.10.2019)
- АПЖ 30Д-24 руководство по эксплуатации908.62 Кб (Добавлен 23.10.2014)
- Терммикс-15Д руководство по эксплуатации345.79 Кб (Добавлен 15.09.2011)
- Модем GSM Termo v.2 инструкция по эксплуатации590.58 Кб (Добавлен 21.10.2015)
- Модем GSM Termo v.3 руководство по эксплуатации581.76 Кб (Добавлен 21.10.2015)
- Модем CINTERION v6 руководство по эксплуатации851.93 Кб (Добавлен 08.12.2015)
- Пульт управления ПУ-11 (доп. опция) руководство по эксплуатации503.5 Кб (Добавлен 03.04.2012)
- Руководство по эксплуатации модем SIMCOM846.45 Кб (Добавлен 07.11.2017)
- Инструкция по монтажу отопителей модельного ряда Спутник3.94 Мб (Добавлен 22.11.2019)
- Руководство по эксплуатации воздушных отопителей Спутник-2Д-12/24454.48 Кб (Добавлен 22.11.2019)
- Каталог деталей и сборочных единиц Спутник-3Д896.8 Кб (Добавлен 03.12.2020)
- Руководство по эксплуатации на отопители СПУТНИК454.48 Кб (Добавлен 03.12.2020)





