Установка люстр и плафонов
Монтаж плафонов допустим на любые виды потолков, кроме натяжных. Чтобы добиться прочного крепления, потребуются саморезы. Их вкручивают посредством перфоратора.

Клеммы присоединяют к проводам только после того, как будет закреплен корпус. Следующим шагом становится фиксация лампочки. Потом мастер фиксирует лампочку и закрывает ее рассеивателем.
- Способ монтажа выбирают, ориентируясь на тип светильника. Люстры чаще всего вешают на крюки.
- Их аккуратно ввинчивают в потолок, причем последний может быть из ПВХ панелей, гипсокартона, ОСБ и дерева.
- Клеммник при этом прячут под крышкой светильнику.






Вместо крюка часто используют крепежную планку. В этом случае порядок действий схож с алгоритмом по установке плафона.

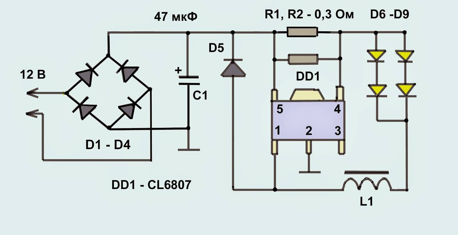
Схема светодиодного светильника
Входная часть схемы является местом для установки гасящего резистора и емкости. Эти элементы используются системой в качестве понижающего блока питания. За ними располагается диодный мост, предназначенный для трансформации переменное напряжение в постоянное, которое требуется светодиодам.

Существует три принципиальных схемы соединения светодиодов в светильнике:
- Последовательная;
- Параллельная;
- Смешанная.
В большинстве случаев отдельные светодиоды подключаются последовательно. Ключевая проблема такой схемы – если хотя бы один элемент в цепи придет в негодность, то и вся схема станет неработоспособной. Кроме того, всегда существует вероятность пробоя светодиода – и в таком случае питание продолжит поступать на остальные элементы, но в режиме перегрузки. В конечном итоге это приведет к перегоранию всех светодиодов. Само собой, такая схема светодиодного потолочного светильника не может считаться достаточно надежной.

Самой надежной схемой является параллельное подключение, в котором каждая лампа работает независимо от других. В случае любых неполадок с одной из ламп все остальные продолжат работать в штатном режиме, без перегрузок и риска пробоя. Недостатком такой схемы является дороговизна, во многом обусловленная тем, что к каждому светодиоду подводится отдельный резистор. Из-за высокой стоимости светодиодные светильники с параллельным подключением используются крайне редко.
Светодиодные светильники в вашем доме
Преимущества светодиодных светильников для потолка

Светодиоды
Современные светильники — накладные, встраиваемые и точечные — существенно отличаются от всех остальных осветительных приборов. Соответственно, по сравнению с ними светодиодные светильники обладают как преимуществами, так и недостатками.Вначале проанализируем, какие выгоды предоставит вам установка светодиодных светильников:
Во-первых, накладные светильники, настенные и встраиваемые отличаются низким уровнем энергопотребления. Светодиодный светильник потребляет электричества в 10 раз меньше, чем лампа накаливания и втрое меньше, чем люминесцентная лампа, обеспечивающая аналогичный уровень освещения. Т.е. установка светодиодных светильников дает вам возможность существенно снизить энергозатраты на освещение дома или квартиры;
Во-вторых, светодиодные лампы, используемые в светильниках, имеют номинальный срок службы около ста тысяч часов (что приблизительно соответствует 11 годам непрерывной работы). Следовательно, менять лампы, которыми комплектуются потолочные светильники, нужно гораздо реже;
Кроме того, светодиодные лампы не содержат в своем составе ртуть, что делает их абсолютно безопасными с экологической точки зрения.

Выгода от использования светодиодов
Кроме всего вышеперечисленного к достоинствам именно накладных светодиодных светильников можно отнести простоту в установке. В отличие от встраиваемых светильников, которые можно смонтировать только при масштабном ремонте (например, когда проводится установка реечного потолка в ванной комнате своими руками), накладной светильник можно смонтировать на любой потолок буквально за несколько минут.
Недостатки светодиодных светильников
Однако, кроме приведенного выше списка преимуществ, накладные потолочные светодиодные светильники обладают рядом недостатков по сравнению с другими осветительными приборами:
Светильники со светодиодами «Cree» — одни из лучших, то в то же время — одни из самых дорогих.
Следующий недостаток – постепенная «деградация» светильников. Недорогие модели светодиодных ламп могут со временем (через 3-5 лет интенсивной эксплуатации) терять яркость свечения. А если учесть, что вложения в светодиодные лампы за счет экономии электроэнергии окупаются в среднем за пять лет, то этот недостаток можно счесть весьма существенным;
• Также к недостаткам светодиодных светильников можно отнести неприятный спектр излучаемого ими света. Кроме того, свет от таких светильников достаточно узконаправлен, и если вы используете светодиодные потолочные светильники – накладные или встроенные в подвесной потолок, то вам может понадобиться установить больше точек освещения на единицу площади.
Анализируя достоинства и недостатки таких светильников, мы можем наблюдать практически паритет: где-то светодиоды разгромно выигрывают у ламп накаливания, а где-то — существенно им уступают. Вот почему делать выбор «за» или «против» нужно предельно взвешенно.
Куда установить светодиодный светильник
Одним из наиболее важных факторов при выборе в пользу светодиодного светильника является его размещение в квартире.
Попробуем разобраться, где же мы будем устанавливать светильники на светодиодах?
Спальня. Здесь светодиодный светильник, пожалуй, подойдет меньше всего. Достаточно резкий свет от светодиодных ламп будет контрастировать со всей атмосферой этого помещения, потому для спальни от светодиодов лучше отказаться;
Гостиная. Установка накладного светодиодного светильника вполне возможна – но только при условии, что светильник впишется в общий дизайн помещения. Потому для гостиной в стиле «хай-тек» светодиоды вполне применимы, а вот для классической гостиной – говорим решительное «нет!»;
Кухня. Здесь светодиодный светильник можно использовать не в качестве основного света, а в качестве направленной подсветки. К примеру, накладную светодиодную лампу можно установить над мойкой или плитой – для обеспечения яркого света при готовке или мойке посуды.

Накладной светильник для кухни
Также накладные светильники светодиодные – потолочные и настенные – можно устанавливать в хозяйственных постройках: гаражах, сараях мастерских. Наружное освещение частного дома тоже можно организовать с использованием светодиодных фонарей и прожекторов.
Монтаж потолочного светильника своими руками
1. Размечаем место монтажа.
В первую очередь необходимо разметить место установки, а именно нанести на потолок положение крепежных отверстий основания. Для этого прикладываем к потолку основание светильника, как показано на изображении ниже, центруем, выравниваем и отмечаем места для крепежа.

В нашем светильнике таких отверстий три, их достаточно просто определить из массы других технологических отверстий основания по характерной форме и симметричному расположению относительно центра (см.изображение ниже).

2. Делаем отверстия в потолке в отмеченных местах.
Если бетонный потолок, как в нашем случае, то бурим перфоратором отверстия диаметром 6мм. Если же у вас деревянные перекрытия, то прикрепить основание светильника можно напрямую, саморезами.

3. Подключаем накладной потолочный светильник к питающему кабелю.
Данная модель, хотя и имеет три лампы, рассчитана на подключение к одноклавишному выключателю, другими словами, она, при включении загорается сразу вся. Из потолка при этом должно выходить два (фаза+ноль) или три (фаза+ноль+заземление) провода, схема электропроводки следующая:

Если же вы захотите подключить накладной потолочный светильник к двухклавишному выключателю, в случае, когда у вас из потолка три (фаза1+фаза2+ ноль) или четыре (фаза1+фаза2+ноль+заземление) провода, схема электропрводки:

То вам необходимо несколько переделать светильник по ЭТОЙ инструкции, это довольно просто.
Мы же будем подключать к одноклавишному выключателю. Для это, с тыльной стороны основания, есть клемма, к которой сведены все провода от ламп светильника, к ней и подключаются питающие провода в следующем порядке:

Как определить какой из проводов фаза, ноль, а какой заземление самостоятельно, вам поможет наша подробная инструкция – ЗДЕСЬ.
Если у вашего потолочного светильника всего одна лампа, возможно с тыльной стороны основания не будет клеммы для подключения. В этом случае, питающий кабель выводится в одно из технологических отверстий и подключается напрямую к патрону, как показано на изображении ниже.

4. Фиксируем светильник на потолке.
После завершения подключения питающих проводов к клемме, крепим основание к потолку. Для этого, можно воспользоваться крепежом из комплекта поставки, либо использовать свой, в данном случае дюбель-гвозди.
В проделанные в потолке отверстия помещаем дюбели-пластиковые пробки.

После чего, прикладываем к потолку светильник, совмещая монтажные отверстия основания с теми, что мы проделали в потолке и вкручиваем саморезы.

5. Устанавливаем лампы.
Следующим этапом аккуратно устанавливаем лампы в патроны светильника.

6. Проверяем работу светильника.
Когда лампы установлены, еще раз внимательно осматриваем светильник, все контакты, места подключений, положения ламп и т.д., ищем возможные неполадки, разрывы, плохие контакты и т.д.
После того как убедились в надежности всей конструкции и контактов, можно включить подачу электричества и проверить работу светильника и правильность подключения. Если все в порядке, все лампы загорятся.

7. Устанавливаем рассеиватель/плафон.
Последним этапом монтажа является установка рассеивателя. Выполнять это необходимо только при выключенном светильнике. На большинстве подобных потолочных светильников, не зависимо от производителя, рассеиватель света устанавливается одинаково.
Для фиксации плафона на основании есть три скобы, одна из которых подвижная, подпружиненная.

Для установки рассеивателя необходимо:
– Упереть рассеиватель в две неподвижные скобы
– Отвести на себя скобу с пружиной
– Прижать плафон к основанию светильника
– Плавно надвинуть на него подвижную скобу

На этом установка потолочного светильника завершена. Как видите, в этом нет ничего сложного и вы, обладая минимальными навыками и инструментом, а главное желанием, сможете выполнить монтаж своими руками.
Что необходимо для установки
Из материала понадобятся следующие элементы: точечные светильники; лампы; провод питающий; клеммники или гильзы для соединения проводов; изоляционная термоусадка, изолента; выключатель.
Желательно подбирать светильники одного типа для каждого типа освещения. Соответственно к типу конструкции закупаются сами лампы необходимого количества
Важно строго проверять наличие светоотражающего слоя по конусу в основании цоколя для ламп накаливания и технические характеристики в соответствии с требованиями к светильнику
Для подвесных потолков используются лампы 40 Вт, более мощные будут значительно нагревать материал подвесного потолка и могут привести к порче конструкции или даже пожару. Галогеновые и светодиодные варианты осветительных элементов подбираются по мощности и спектру выдаваемого света.
Провод подбирается в зависимости от материала, из которого выполнен подвесной потолок. Так для гипсокартона, который является огнеупорным материалом, подойдет обычный двухжильный или трехжильный провод ВВГ-2(3)х1,5. Для таких материалов, как МДФ или пластик, необходимо подобрать пожаробезопасный вариант провода РКГМ.
Провод должен быть мягким, то есть каждая жила представлена множеством мелких жилок, объединенных под одной изоляцией. Для соединения проводов и подключения к ним светильников можно использовать специальные клеммники, которые продаются в любом хозяйственном магазине.
Однако болтовое соединение является обслуживаемым. Потребуется как минимум два раза в год проверять затяжку прижимных болтов. В ином случае в месте контакта клеммники и провода могут начать нагреваться и обугливаться. Более надежным и долговечным вариантом является фиксация с помощью медных или меднолуженных гильз.
Предохранить места соединения необходимо с помощью изоленты или же используя специальную термоусадочную трубку для изоляции питающих проводов.
Материалы для монтажа светильников
Перед тем, как начать монтаж светильников, проверьте на наличие:
Светильника с готовыми креплениями; Электрический привод; Лампы (важно, чтобы они соответствовали цоколю у светильника); Гильзы или клеммники для соединения проводов; Стандартная изолента; Выключатель для светильников. При покупке светильника в магазине выберите светильники одного типа
Например, вы знаете, что вам не хватит мощности главной люстры и придется докупить к ней еще несколько небольших точечных светильников: выберите варианты из одной коллекции. Так вы избежите разнобоя в дизайне и вам будет легче начать монтаж освещения
При покупке светильника в магазине выберите светильники одного типа. Например, вы знаете, что вам не хватит мощности главной люстры и придется докупить к ней еще несколько небольших точечных светильников: выберите варианты из одной коллекции. Так вы избежите разнобоя в дизайне и вам будет легче начать монтаж освещения.
Обязательно проверьте, есть ли светоотражающий слой по специальному конусу колбы у них. Уточните на их соответствие с техническими характеристиками светильников.
Мощность ламп не должна превышать 40 ватт. Если вы выберите такую мощность, то светильник не будет перегреваться и гипсокартон вокруг него останется в сохранности. А лучше для этой цели подходят светодиодные и галогеновые лампы: вам останется лишь подобрать их по мощности излучения.
Так же уделите внимание подбору провода, а лучше при покупке проконсультируйтесь по этому вопросу со специалистами. Если ваш потолок гипсокартонный, то отлично подходит 2-х жильные ВВГ-2х1.5
Не забудьте приобрести в специализированном магазине клеммники: за ними нужно будет следить и после завершения установки
Со временем они без обслуживания нагреваются, поэтому необходимо периодически подтягивать их болты
Не забудьте приобрести в специализированном магазине клеммники: за ними нужно будет следить и после завершения установки. Со временем они без обслуживания нагреваются, поэтому необходимо периодически подтягивать их болты.
Инструменты
Для монтажа потолочных светильников своими руками вам понадобятся следующие инструменты:
- дрель;
- распределительные коробы;
- кабель выбранной длины;
- отвёртка;
- нож строительный;
- пассатижи;
- клеммники.
Некоторые из перечисленных инструментов обычно есть в каждом доме.
Инструменты для монтажа светильников
Как происходит крепление к потолку: монтаж
Во время монтажа пользуются такими инструментами:
- Клеммники.
- Пассатижи.
- Строительный нож.
- Отвёртка.
- Кабель с достаточной длиной.
- Распределительные коробы.
- Дрель.
Установка ЛЕД ламп: схема включения
Любое количество встроенных светильников с лампами предполагает применение негорючего кабеля ВВГ нг 2*1,5. Допустим вариант 3*1,5. Проводка с заземлением требует применения трёхжильного провода.
При использовании схем важно запомнить, что за чем идёт
Необходимый инструмент для включения в сеть
Распределительные коробки, провода и гофра – основные приспособления, которые применяются во время монтажа в таких ситуациях. Расположение и конфигурацию каждого светильника продумывают ещё на этапе проектирования.
Выбор провода
Стандартно рекомендуют для всех отрезков выбирать исключительно медную продукцию. Лучше пропаять и изолировать изделия, если на них встречаются скрутки первоначально
К каждому из светильников важно подвести отдельный гибкий провод. Медные гильзы или специальный «клеммник» помогают соединить элементы вместе
В последнем случае потом для изоляции используют ленту.
Разметка и прокладка кабеля
На этом этапе тоже нужно выполнить несколько действий.
Планирование общего пространства.
Потолки на нескольких уровнях предполагают выделение освещения по отдельным контурам. Для каждого из них управление организуется отдельным выключателем на 220 В. Надо заранее точно проработать монтажную схему.
Протяжка кабелей, их закрепление.
Для крепления рекомендуют выбирать металлические профили. Конструкция увеличивает надёжность благодаря стяжкам из пластмассы. Специальные петли формируют на местах, где крепятся световые точки. Их легко зацепить, достать через отверстия на потолке. Небольшое провисание таких компонентов вполне допустимо.
После монтажа потолочной поверхности схема крепления должна приобретать окончательный вид. По центру панелей лучше располагать светильники, когда речь идёт об алюминии, пластике. Дрель и специальная насадка под названием «коронка» помогут создать подходящие отверстия.
Что необходимо для установки
Из материала понадобятся следующие элементы:
- точечные светильники;
- лампы;
- провод питающий;
- клемники или гильзы для соединения проводов;
- изоляционная термоусадка, изолента;
- выключатель.
устройство стандартного потолочного спота
Желательно подбирать светильники одного типа для каждого типа освещения. Соответственно к типу конструкции закупаются сами лампы необходимого количества
Важно строго проверять наличие светоотражающего слоя по конусу в основании цоколя для ламп накаливания и технические характеристики в соответствии с требованиями к светильнику. Для подвесных потолков используются лампы 40 Вт, более мощные будут значительно нагревать материал подвесного потолка и могут привести к порче конструкции или даже пожару
Галогеновые и светодиодные варианты осветительных элементов подбираются по мощности и спектру выдаваемого света.
Провод подбирается в зависимости от материала, из которого выполнен подвесной потолок. Так для гипсокартона, который является огнеупорным материалом, подойдет обычный двухжильный или трехжильный провод ВВГ-2(3)х1,5. Для таких материалов, как МДФ или пластик, необходимо подобрать пожаробезопасный вариант провода РКГМ. Провод должен быть мягким, то есть каждая жила представлена множеством мелких жилок, объединенных под одной изоляцией.
Для соединения проводов и подключения к ним светильников можно использовать специальные клемники, которые продаются в любом хозяйственном магазине. Однако болтовое соединение является обслуживаемым. Потребуется как минимум два раза в год проверять затяжку прижимных болтов. В ином случае в месте контакта клемники и провода могут начать нагреваться и обугливаться. Более надежным и долговечным вариантом является фиксация с помощью медных или меднолуженных гильз.
Предохранить места соединения необходимо с помощью изоленты или же используя специальную термоусадочную трубку для изоляции питающих проводов.
Установка светильников на пластиковый потолок
Потолки, собранные из пластиковых панелей, давно и надолго вошли в моду при ремонте и строительстве.
Во-первых, они невероятно дешево стоят – это, пожалуй, самый экономичный вариант ремонта. Во-вторых, потолок из пластиковых панелей прослужит очень долго, ведь за ним легко ухаживать. И, в-третьих, обилие всевозможных дизайнов панелей из пластика позволяет создать оригинальный интерьер в любой комнате.
Учитывая, что за пластиковыми панелями очень просто ухаживать, они не пропускают влагу и легко моются – это идеальное решение для ванной комнаты или кухни
Несмотря на то, что пластиковые панели на потолке имеют массу плюсов, у них есть существенный недостаток – они неустойчивы к высоким температурам. Поэтому рекомендуется для установки на таком типе потолка выбирать лампы, мощностью не более 40 Вт.
Специалисты рекомендуют не использовать лампы накаливания, а приобретать специальные лампочки, оснащенные защитным металлическим кольцом.
Несмотря на то, что монтаж точечных светильников в пластиковый потолок следует проводить после завершения установки панелей, подготовится к их подключению следует заранее.
Как и при установке других типов потолочных покрытий, перед началом их монтажа следует позаботиться о проводке для светильников. Она должна располагаться под потолочным покрытием и проходить в тех местах, где планируется разместить точечные светильники.
Если личного опыта в разводке электрической проводки нет, лучше обратиться за помощью к профессионалам. Это единственный этап работ, где может понадобится помощь специалиста, все остальное можно сделать самостоятельно.
При прокладке проводов, важно поместить их в специальную пластиковую гофру, которая предотвратит распространение огня в случае короткого замыкания
При этом один конец будет подсоединяться к светильнику, а другой будет вести к распределительной коробке и выключателю. Для того чтобы в дальнейшем, если одна из лампочек перегорит, все остальные не отключались, следует выбирать вариант параллельного подключения проводки.
Подробнее о том, какой может быть гофра для электропроводки читайте далее.
Для прокладки проводки рекомендуется использовать кабель размерами 3х1,5. Расстояние между светильниками определяется на усмотрение строителя. При этом, лампочка должна находиться на расстоянии минимум 60 см от стены.
Еще один фактор, который следует учитывать при установке потолка из пластиковых панелей – расстояние между ними и основанием должно быть достаточным, для помещения головки светильника.
После того, как все требования соблюдены и пластиковые панели уложены, можно приступать к установке светильников на потолок
Для того чтобы установить точечные светильники на пластиковом потолке не потребуется особенных инструментов, большая их часть найдется в каждой квартире:
- нож, достаточно острый чтобы разрезать пластик;
- электродрель;
- рулетка;
- коронки, при помощи которых можно сверлить круглые отверстия.
Как только необходимые инструменты подготовлены, можно приступать к монтажу светильников.
Для этого на потолке необходимо наметить точки, где будут размещаться лампочки. Далее, при помощи коронок и ножа необходимо сделать отверстия, которые в диаметре будут слегка превышать диаметр цоколя.
Перед тем, как приступать к укладке пластиковых панелей, необходимо выполнить разводку проводки и подготовить те места, куда будут подсоединяться точечные светильники
Для того чтобы соединение светильника с проводом было максимально надежным, рекомендуется использовать клеммники. С их помощью обеспечивается надежная фиксация соединений, но в дальнейшем, хотя бы один раз в год, их следует проверять.
После фиксации проводов, необходимо обеспечить их надежную изоляцию. Сами светильники устанавливаются в заранее проделанное отверстие очень просто – при помощи металлических «лапок», расположенных на обратной стороне устройства.
Монтаж светильников
Для натяжных потолков сегодня можно выбрать большое количество разновидностей осветительных приборов.
Полотно — конструкция не плотная, удерживать элементы освещения она не сможет, поэтому обязательно провиснет.
Видео:
Чтобы этого не случилось, при формировании освещения своими руками должна быть схема, которой стоит придерживаться.
Технология при монтаже различных видов ламп на полотно примерно одинаковая. Крепежные элементы, стойки, профильные направляющие фиксируются на базовой основе.
В качестве базового потолка стоит брать основную поверхность, сделанную из дерева, бетона, других материалов.
В натяжном потолке делают специальное отверстие, через которое устанавливают светильник.
При установке осветительных приборов важно применять термокольцо. Оно будет предохранять поверхность полотна от нагревания, ведь поливинилхлорид плавится от воздействия высокой температуры. Кроме этого, термокольцо будет усиливать всю конструкцию
Кроме этого, термокольцо будет усиливать всю конструкцию.
Точечные светильники
Точечные осветительные приборы являются самыми популярными при формировании освещения на натяжных конструкциях.
Вместе с самими светильниками в комплект входят стойки, которые необходимо крепить к базовому потолку. Эти элементы подходят по размеру друг к другу, поэтому проблем с установкой не возникнет.
При выборе такого вида осветительного прибора, стоит обратить внимание на стойку. Ее высота должна быть равной пространству между потолком и полотном. Видео:
Видео:
Стойку нужно прикреплять к поверхности потолка саморезами или дюбелями. Они также входят в комплект, если нет, то в любом строительном магазине их можно приобрести.
Крепежный узел должен быть установлен крепко. Для этого используют пару крепежных элементов.
Кроме стойки в комплект точечных светильников входит кольцо, направляющие. Диаметр кольца должен быть таким же, как и диаметр посадочного отверстия.
Кольцо возможно отрегулировать направляющими вверх или вниз.
Точечные светильники смогут осветить небольшую площадь комнаты. На все помещение придется купить несколько приборов. Количество источников света зависит от площади помещения.
Светодиодные светильники
Монтаж светодиодных светильников своими руками выполняется для достижения нескольких целей. Такой подсветкой можно зонировать комнату, а можно создать интимную обстановку в помещении.
Для монтажа необходима специальная схема с размещением приборов. Такими элементами украшают ниши в натяжных потолках. Как основной источник света светодиодные приборы не подходят.
Это крайне важно, так как полотно на потолке не выдерживает высоких температур. На поверхности полотна от светодиодных осветительных приборов не создается отражения, что важно для создания уюта в интерьере. Технология крепления светодиодных светильников показана на видео
Технология крепления светодиодных светильников показана на видео
На поверхности полотна от светодиодных осветительных приборов не создается отражения, что важно для создания уюта в интерьере. Технология крепления светодиодных светильников показана на видео. Видео:
Видео:
https://youtube.com/watch?v=4Uv0TepWQaQ
При установке светильников в полотно на потолке своими руками специалисты рекомендуют соблюдать определенные правила.
Разработанная мастерами технология поможет правильно установить и подключить приборы:
- Элемент для освещения комнаты нужно устанавливать так, чтобы его можно было легко снять и вернуть на место. Снимать периодически их необходимо, чтобы очищать от пыли, которая неизбежно будет скапливаться на поверхности;
- Провода, с помощью которых подключают светильники, должны быть качественно изолированы. Они не должны проходить в натяжку под поверхностью полотна и быть надежно закреплены;
- Устанавливать приборы нужно с расчетом, чтобы при необходимости можно было легко добраться к месту подключения. Доступ к блокам осветительного прибора также должен быть обеспечен;
- Нужно быть готовым к тому, что лампы выйдут из строя, поэтому сам прибор должен иметь товарный вид на всем гарантийном сроке эксплуатации;
- На полотно не должна создаваться нагрузка, поэтому при креплении точечных светильников нужно использовать кольцо, специальную платформу, они крепятся к базовому основанию;
- Если устанавливается встроенный светильник, следует строго выдерживать температурный режим.





