Конструкционные особенности
И так, с самого начала рассмотрим ее конструкционные особенности. Как и все LED-ленты с маркировкой SMD, так и наша лента создается путем установки каждого элемента на поверхность печатной платы. Иными словами при производстве осуществляется поверхностный монтаж каждого элемента.
Какие же элементы размещаются на поверхности платы светодиодной ленты, которую называют SMD3528? Список этих элементов состоит из:
- Светодиодов.
- Токопроводящих дорожек.
- Резисторов.
Во время производства по всей длине печатной платы размещаются две или четыре (в случае RGB-ленты) токопроводящих дорожки. Далее к этим дорожкам подключаются светодиоды и резисторы.
Здесь стоит отметить, что все светодиоды являются сгруппированными. Каждая группа насчитывает три таких элемента и, соответственно, подключается к вышеназванным дорожкам. Также в состав каждой группы входит один или три резистора. Количество резисторов зависит от особенностей светового диода.
Процесс пайки
Пайка оказывает большое влияние на надёжную и продолжительную работу светодиода. Даже кратковременный перегрев корпуса может вызвать необратимый процесс в кристалле, и как следствие, его выход из строя. В связи с этим во время монтажа и пайки рекомендуется соблюдать некоторые правила:
- Применять низкотемпературные сплавы.
- Брать и удерживать светодиод во время пайки с боков, используя пинцет или специальный зажим. Запрещается фиксировать и надавливать на люминофор пальцем и другими предметами.
- Использовать паяльную станцию, установив температуру жала паяльника на уровне 260°C. При этом время пайки не должно превышать 10 с.
- Допускается кратковременный нагрев светодиода до 300°C.
- Пайка оплавлением может быть произведена не более двух раз.
Степень защиты
Степень защиты ленты обозначается двумя латинскими буквами – “IP” и двумя цифрами после них.
ленты без защиты – IP20
Она не защищена от влаги, брызг и очень слабо защищена от механических воздействий. Открыты места пайки, контакты и т.д. Некоторые производители прописывают в документах IP33, но это также можно отнести к изделиям без защиты.
При попадании влаги на такую ленту может произойти замыкание и она перегорит.
ленты с защитой IP65 или IP54
На нее с верхней стороны нанесен защитный состав. Среди специалистов ее называют – лента в силиконе. На самом деле это не силикон, а эпоксидное покрытие. 
Эта светодиодная лента боится морозов, потому что ее защита при отрицательных температурах просто дубеет и становится жесткой и хрупкой.
ленты с защитой IP67
Это уже вполне герметичное изделие. Такую ленту можно монтировать даже на улице. Она помещена в силиконовый чехол и не боится влаги и дождя.
максимальная защита IP68
Такая лента укладывается в П-образный силиконовый профиль и сверху заливается эпоксидным составом. Она способна выдержать даже помещение в воду. Часто применяется для подсветки в фонтанах или в ванной.
Ознакомившись со всеми характеристиками при следующем походе в магазин на вопрос продавца: “Какую вам светодиодную ленту нужно?” вы должны смело и со знанием дела ответить:
Основные технические характеристики
Чтобы понять, подойдёт ли данный тип LED-ленты для решения поставленных задач, необходимо узнать её параметры. Для этого предлагаем рассмотреть основные технические характеристики светодиодной ленты SMD 5050.
Напряжение питания
Значительная часть светодиодных лент рассчитана на работу от сети постоянного тока напряжением 12 В, что обусловлено несколькими факторами:
- +12 В – это стандарт, применяемый для многих видов аккумуляторов, включая автомобильные;
- +12 В позволяет запитать группу из 3-х последовательно включенных светодиодов любого цвета с минимальными потерями на ограничивающем резисторе;
- +12 В является наиболее безопасным напряжением для человека.
Светодиодная лента SMD 5050 на 12 В – это оптимальный вариант для конструирования подсветки в домашних условиях, т.к. для её подключения можно воспользоваться не только готовым блоком питания, но и блоком питания от компьютера или аккумулятором от ИБП.
Также в продаже можно найти светодиодные ленты SMD 5050 на 24 В и 36 В, подключаемые к соответствующему БП постоянного тока, и с питанием от сети переменного тока 220 В, подключаемые через диодный выпрямитель. Модели с таким напряжением не пользуются большой популярностью по разным причинам, в т.ч. из-за большой кратности резки. Для адресной ленты SMD 5050 напряжение питания составляет 5 В.
Степень защиты от влаги и пыли
Важным параметром при выборе светодиодной ленты является степень защиты от внешнего воздействия твёрдых предметов и воды (IPXX). Пренебрегать этим параметром нельзя, т.к. он влияет на стоимость и на способность изделия противостоять негативному влиянию внешних факторов в процессе эксплуатации. Как правило, внешняя оболочка светодиодных лент SMD 5050 имеет следующий класс защиты:
- IP20 – от твёрдых предметов диаметром более 12,5 мм и никак не препятствует попаданию воды. Такое изделие не имеет никакого покрытия и может применяться только внутри сухих помещений (гостиные, спальни, офисы).
- IP33 – от твёрдых предметов диаметром более 2,5 мм и от капель воды. В данном случае покрытие выполнено из тонкого слоя лака. Кроме сухих помещений, лента может применяться для подсветки кухни, где существует вероятность попадания на неё водяных капель.
- IP54 – с частичной защитой от пыли и брызг воды в виде силиконового слоя только со стороны элементов. Как и в предыдущем варианте, такая лента предназначена для оформления интерьера кухонь и прочих помещений с временно повышенной влажностью.
- IP65 – с полной защитой от пыли и струй воды. В данном случае защитный слой – это силиконовое покрытие со всех сторон. Светодиодная лента с IP выше 65 вполне подходит для уличной подсветки и ванных комнат.
- IP67 – выдерживает кратковременное нахождение под водой. Визуально от изделий с IP65 отличается типом оболочки (ПВХ профиль и силикон сверху). Она прекрасно подходит для авто- и вело- тюнинга.
- IP68 – наивысшая степень пыле и влагозащиты. Такая LED-лента размещена внутри ПВХ-трубки и способна длительно без повреждений выдерживать воздействие воды под давлением. Сфера её применения – украшение бассейнов и фонтанов.
Плотность светодиодов
Этот параметр указывает на количество светодиодов в одном погонном метре ленты и может принимать значения: 30, 60, 120 и 240 шт./м. Чем выше плотность монтажа, тем больше световой поток и мощность потребления светодиодной ленты SMD 5050. Чтобы не допустить деградации светодиодов, ленту с плотностью 120 и 240 светодиодов на метр необходимо клеить на алюминиевый профиль.
Иногда вместо плотности (шт./м.) на бобине можно увидеть надпись «количество – 300 шт.» Это значит, что производитель указал общее количество светодиодов в ленте длиной 5 метров. Соответственно плотность такой ленты стандартная – 60 шт./м.
Световой поток
Для монохромных и RGB светодиодных лент SMD 5050 результирующая величина светового потока зависит от цвета свечения. Известно, что глаз человека лучше всего воспринимает зелёный свет. Поэтому RGB лента, включённая в режиме зелёного света, кажется наиболее яркой. Также не стоит забывать о том, что световой поток LED-ленты «Эконом» класса примерно на 30% ниже, чем у «Премиум» класса. Причём существенная разница в качестве может наблюдаться даже у одного производителя. Например:
- Foton SMD5050-30led/m-RGB-IP20-Econom – 180 lm;
- Foton SMD5050-30led/m-RGB-IP20-Premium – 270 lm.
На световой поток белой светодиодной ленты SMD5050 влияет цветовая температура (оттенок). Для чипа SMD 5050 нейтрального света (4500-5500°K) нормой считается световой поток 18 лм; тёплого света (3000-4000°K) – 16 лм; холодного света (6000-7500°K) – 20 лм. Умножая данные значения на плотность, получим суммарное количество люмен, испускаемых одним метром светодиодной ленты.
Схема подключения

Чтобы подключить SMD 3528 к стандартной сети 220 В, необходимо использовать драйвер, который играет роль источника стабилизированного тока. Встречаются две разновидности схем драйверов для светодиодов:
- На конденсаторе.
- Расширенная, с применением микросхем стабилизатора.
Сборка самого драйвера на конденсаторе не составит труда. Для этого понадобится минимум деталей и немного времени.
Благодаря высоковольтному конденсатору, напряжение 220 В понижается. Затем оно выпрямляется и стабилизируется. Он используется в недорогих светодиодных лампах. Главным недостатком является высокой уровень пульсаций света, которые неблагоприятно влияет на здоровье. Схему достаточно сложно рассчитать по причине разброса характеристик электронных составляющих.

Улучшенная схема с наличием специальных микросхем значительно улучшает стабильность непосредственно на выходе драйвера. При хорошем совладении с нагрузкой драйвер не допустит превышения коэффициента пульсации выше 10%. Драйвер можно также взять из вышедшей из строя лампочки.

При наличии стабилизатора можно легко регулировать силу тока. К техническим характеристикам микросхемы драйвера допускается добавить больше сопротивления или убрать один из резисторов. Так можно получить нужную силу тока.
Самая простая схема стабилизатора тока специально для светодиодов состоит из микросхемы LM317, а также аналогов этой модели. Сила тока на выходе может составлять от 0.1 до 5А. Имеется два недостатка – низкий уровень КПД и довольно сильный нагрев.

Общая информация
Эта разновидность выпускается исключительно в квадратном корпусе толщиной 1,6 мм и размерами 5х5 мм. Указанная информация в виде маркировки наносится на сам корпус и дополнительно указывается в паспорте.
В отличие от всех других разновидностей светодиодов, модуль smd 5050 led включает в себя сразу 3 источника, которые могут быть:
- белыми – сверхъяркие мощные лампы, на которые нанесен тончайший слой люминофора;;
- цветными – в зависимости от типа модуля цвета могут отличаться. Также нанесен слой люминофора;
- цветными – RGB 5050 из красного, зеленого и голубого цветов.
Светодиоды SMD5050 и SMD3528
Все световые приборы люминесцируют, то есть поглощают свет лампы и преобразуют его в свечение, подобное солнечному. Цветовая температура может варьироваться от 2800°К до 12000°К в зависимости от типа лампы. Для информации – цветовая температура Солнца составляет 5000°К.
Цветные источники SMD 5050 излучают только один цвет, почему их и именуют монохромными – это может быть теплый желтый, красный, зеленый или синий.
Монохромные источники
Конфигурация RGB SMD уже состоит из светодиодов сразу трех цветов – красного (R), зеленого (G) и синего (B), которые при одновременно включении выдают белый свет. При регулировании интенсивности каждого отдельного элемента можно получить любой цвет из видимого человеческим глазом спектра.
SMD 5050 RGB
Параметры тока, важные для подключения диода в сеть
Работа светодиодов базируется на трех основных параметрах:
- напряжение питания;
- ток потребления;
- рассеиваемая мощность.
Наиболее важными из них являются напряжение светодиода и сила тока. Значение мощности несложно вычислить самостоятельно, перемножив эти два показателя. Знание этих параметров может пригодиться на любых стадиях работ с элементами — от замены вышедших из строя, до подбора источника питания. Базовые характеристики светодиодов необходимо рассмотреть внимательнее:
Потребляемый ток LED
Сила тока определяет стабильность функционирования элемента. Увеличение этого параметра, даже в небольших пределах, вызывает преждевременное старение кристалла (снижение интенсивности свечения) с одновременным усилением цветовой температуры. Для защиты от превышения силы тока в светодиодных светильниках или лампах устанавливаются драйверы — стабилизаторы. Подключение к сети отдельных светодиодов производится через резисторы, обеспечивающие соответствующее падение напряжения и силы тока. Номинал этих резисторов должен быть рассчитан для каждого светодиода исходя из его характеристик.
Напряжение
«Напряжение на светодиоде» — это не совсем верное выражение. Правильнее применять термин «падение напряжения», обозначающий величину на выходе устройства при пропускании через светодиод номинального тока. Элементы разных цветов имеют собственное рабочее напряжение:
- для синих, белых или зеленых светодиодов напряжение составляет 3 вольта;
- красные и желтые устройства — от 1,8 до 2,4 В.
По этим показателям можно примерно определить напряжение светодиода. Однако, нельзя уверенно сказать, какое напряжение является номинальным для данного элемента, если просто посмотреть на его цвет и не выполнить никаких дополнительных измерений. При изменении параметров тока оттенок свечения изменяется, поэтому визуально определяется не номинал, а реально существующее напряжение.
Мощность диода
Мощность — это произведение силы тока на напряжение. Показатель расчетный, внешне он практически не подлежит определению. Точно узнать мощность светодиода можно из данных на упаковке, с определенной долей погрешности параметр измеряется мультиметром. Подготовленный, опытный человек способен определить значение по внешнему виду элемента, но и тут возможны ошибки, поскольку многие модели очень похожи друг на друга.
Почему важно знать эти характеристики
Знание всех рабочих параметров светодиода поможет произвести правильную замену сгоревшего элемента. Кроме того, если знать потребление тока и вольтаж, можно вычислить мощность устройства, которая необходима при подборе соответствующего блока питания.
Например, если имеется светодиод с напряжением 3 В и силой тока 0,1 А, его мощность составит 0,3 Вт. Соответственно, при соединении 10 штук значение увеличится до 3 Вт.
Исходя из этих показателей, для сборки понадобится блок питания мощностью 3,3 Вт (с учетом 10% запаса для более стабильной работы).
Чем интересны светодиоды типа SMD 3528?
Диод SMD 3528 – это полупроводниковый источник, относящийся к сверхъярким светодиодам первого поколения. Именно на его основе начали изготавливаться LED-ленты, светодиоды с тремя кристаллами в одном корпусе, и трехцветные светодиоды RGB (с красным, зеленым и синим свечением). Также светодиоды типа SMD 3528 позже были трансформированы в форму SMD 5050, где использовались сразу три кристалла диода этой разновидности.
Конструктивно светодиоды 3528 представляют собой корпус из термоустойчивого пластика, полупроводникового источника и рассеивающей линзы, залитой эпоксидной смолой. Внешние габариты элемента составляют 3,5 x 2,8 мм. За счет теплоотводящей подложки, размещенной между контактными площадками, обеспечивается дополнительный отвод тепла во время работы. Диапазон рабочих температур устройства: -30°C +85°C. Угол свечения 120°. За счет применения легирующих добавок и различных технологий при производстве, современные диоды этого формата имеют широкий спектр оттенков свечения: белый, дневной белый и теплый белый, красный, синий, зеленый, красный.
Перечисленные характеристики светодиодов SMD 3528 обусловили их область применения:
- LED-лампы и светильники;
- Информационные табло и автодорожные знаки;
- Автолампы и индикаторы приборной панели;
- Наружная реклама и вывески;
- ЖК-телевизоры и другая аппаратура;
- Системы аварийного освещения.
Схема включения на 12 вольт
Прямое напряжение, на которое рассчитан светодиод 5730, составляет 3 В, поэтому непосредственно включать его в 12-вольтовую цепь нельзя. Нужен балластный резистор. Он ограничит ток в цепи и погасит излишек напряжения.

Включение единичного светодиода 5730 в цепь 12 В
Рассчитывается он по такому алгоритму:
- Вычисляется падение напряжения на резисторе – разность между напряжением питания 12 В и падением напряжения на диоде (3 В): Uрез=Uпит-Uled=9 В.
- По закону Ома рассчитывается номинал резистора: R= Uрез/Iраб, где Iраб – рабочий ток светодиода, 150 или 300 мА в зависимости от исполнения LED. Полученное значение не всегда попадет в стандартный ряд, поэтому надо выбрать ближайшее значение.
- Мощность резистора рассчитывается по формуле P=Uрез*Iраб. Полученное значение надо округлять в сторону ближайшего большего стандартного значения.

Включение цепочки LED 5730 в цепь 12 В
Светодиоды можно соединять в цепочку. Общее количество должно быть не более 3 – ограничение накладывает напряжение питания. Четыре и больше прибора от 12 вольт не открыть, а еще что-то должно упасть на балластном резисторе. Расчет в этом случае принципиально не отличается от вычислений при использовании одного LED, но формула напряжения на резисторе должна учитывать количество элементов:
Uрез=Uпит-N*Uled, где N=2 или 3, по количеству полупроводниковых элементов.
В расчете не учтено сопротивление светодиодов в открытом состоянии, но оно невелико, поэтому принципиально на результат не повлияет.
Результаты расчетов для всех вариантов включения светодиода 5730 в цепь постоянного напряжения 12 В собраны в таблицу.
| Количество светодиодов в цепи | 1 | 2 | 3 | |||
| Количество кристаллов в корпусе | 1 | 2 | 1 | 2 | 1 | 2 |
| Сопротивление резистора, Ом | 62 | 33 | 39 или 43 | 20 | 20 | 10 |
| Мощность резистора, Вт | 1,5 | 3 | 1 | 2 | 0,5 | 1 |

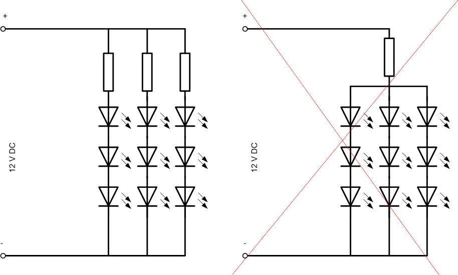
Параллельное соединение цепочек LED
Цепочки можно соединять параллельно, соблюдая два момента:
- Мощность источника питания должна выдерживать итоговую нагрузку.
- На каждую цепочку должен быть свой резистор. Параллельно соединять светодиоды не рекомендуется. Из-за разброса характеристик яркость свечения будет разной. При худшем варианте развития событий элементы начнут выходить из строя.
Логичный вопрос: почему не выходят из строя p-n переходы при установке двух и более кристаллов в один корпус? Ведь они тоже установлены параллельно. Ответ прост: эти элементы изготовлены в одной партии, поэтому разброс их характеристик минимален.
Светодиоды smd 3528 – cветовые характеристики
SMD 3528 светодиоды – световая температура, световой поток, энергоэффективность
Естественно, светодиоды smd 3528 могут различаться не только по электрическим, но и по световым характеристикам. Осветительные светодиоды размера 3528 выпускаются с различной цветовой температурой. Несомненно, обычно их диапазон составляет от 2700 K до 6500 Кельвинов. Светодиоды с разной цветовой температурой имеют различный индекс цветопередачи, световой поток и энергоэффективность. То есть SMD 3528 могут быть не только белыми-осветительными, но и самых разных цветов. Как правило, они имеют красный, желтый, синий, зеленый цвета свечения. Угол рассеивания света (угол свечения) у типоразмера 3528 чаще всего 120°. Светдиоды 3528 могут иметь различное покрытие кристаллов. Это может быть прозрачное покрытие, желтый люминофор или линзы различной формы. К примеру, вот такой сферической. От применяемого типа покрытия также происходит изменение световых характеристик светодиода. Например, изменяется угол свечения светодиода.
Таблица – световые характеристики светодиодов SMD 3528 разного цвета

Важно учитывать при покупке светодиодов 3528 их отличие от светодиодов 2835

Не стоит путать светодиоды 3528 со светодиодами 2835. Без сомнения, это два разных вида светодиодов. Применяются в разных световых приборах и не заменяют друг друга.

При покупке стоит учитывать, что светодиоды 3528 могут иметь самые разные характеристики. Как следствие, нужно выбирать ту разновидность светодиода, которая максимально подходит характеристиками под ваши цели.

Подсветка приборной панели Ford Focus переделанная на светодиоды smd 3528
Похожие товары в разделе Светодиоды SMD
Количество диодов на один метр
Еще одной особенностью этой LED-ленты является количество светодиодов на погонный метр. Это количество определяет способ их размещения. Собственно светодиодная лента SMD-3528 может иметь 60, 120, 180 или 240 светодиодов.

Различные типы светодиодной ленты
В первых двух случаях все элементы размещаются в один ряд (А и Б). Если количество светодиодов на погонный метр равняется 180, то они размещаются в три ряда (В). При этом три диода одной группы размещаются поперек ленты.
Если число светодиодов равняется 240, то они размещаются в два ряда (Г). Одна неделимая частица насчитывает шесть диодов.
От количества диодов в погонном метре зависит и мощность LED-ленты SMD-3528. Мощность одного метра SMD-3528 с 60-ю диодами на метр составляет 4,8 ватта.
Что касается этой величины той ленты, которая имеет 120 диодов на метр, то она равняется 9,6 вата. Метр светодиодной ленты, на котором есть 240 диодов, характеризуется мощностью в 16,8 ватта.
Для того чтобы SMD-3528 могла использоваться в различных интерьерах и могла гармонизировать с различными дизайнерскими стилями, производители красят печатную плату в разный цвет. Так, печатная плата может быть:
- белой;
- черной;
- коричневой;
- желтой.
Все элементы (диоды, дорожки и резисторы) покрываются лаком
Здесь важно упомянуть о том, что SMD-3528 может покрываться также силиконом и герметизирующими веществами
Иными словами самая простая SMD-3528 не имеет защиты от воды. Те, которые покрываются силиконом (он наносится только на верхнюю часть), является частично защищенными от воды. Такая светодиодная лента 3528, на погонном метре которой может размещаться 60, 120 или 240 led, обозначается маркировкой IP65.
Также SMD-3528 может иметь сплошную герметизацию. Ее можно отличить благодаря маркировке IP67 и IP68.
Для того чтобы закрепление светодиодной ленты было легкой процедурой, производитель монтирует на нижнюю часть печатной платы клейкую ленту. Она обеспечивает надежное и длительное крепление.
Полезный совет: для того чтобы крепление было более надежным, поверхность объекта надо очищать и обезжиривать. Некоторые производители устанавливают некачественный двойной скотч.
Это может стать причиной преждевременного отклеивания. Для избегания этого сценария надо дополнительно использовать свой клей.
Примечательным фактом является то, что двойным скотчем не оснащаются только LED-лента SMD-3528 с обозначением IP67 и IP68.
Достоинства и недостатки светодиодов SMD
К плюсам LED в исполнении SMD относятся:
упрощение (следовательно, удешевление) производства печатных плат – отсутствует (или сводится к минимуму) этап сверления и металлизации отверстий;
упрощение (удешевление) технологии монтажа элементов на плату – отсутствует этап формовки и изгиба выводов, сама процедура пайки лучше поддается автоматизации и т.п.;
возможность обратную сторону платы делать из металла – упрощается проблема отвода тепла;
проще охлаждать сами элементы из-за плотного прилегания к плате большой поверхностью;
меньший размер электронных устройств из-за небольшого размера деталей и плотного размещения;
снижение побочных емкостей и индуктивностей, что важно при разработке высокочастотных устройств.
Есть и недостатки:
если устройство собирается вручную, потребуются более квалифицированные мастера;
высока инвестиционная составляющая стоимости готовой продукции – оборудование для монтажа сложное и стоит дорого;
при тепловом расширении или изгибе печатной платы возможен отрыв контактов элементов от мест пайки, а также возникновение микротрещин.
В целом плюсы перевешивают – в итоге готовые изделия имеют меньшие размеры, массу и себестоимость.
Светодиод SMD 5630: особенности и характеристики
Светодиод SMD 5630 – представляет класс высокоэффективных светодиодов средней мощности, предназначенных для поверхностного монтажа.
SMD 5630 производства Philips, Epistar, Samsung отличаются высоким коэффициентом цветопередачи, что позволяет конструировать на их основе светильники для качественного освещения внутри помещений.
В качестве примера рассмотрим светодиод LUXEON 5630 Mid-Power, выпускаемый компанией Philips lumileds.
Конструктивные особенности
SMD 5630 выполнен в корпусе размером 5,6х3,0х0,9 мм.
Электрический контакт осуществляется через 4 вывода, как показано на рисунке.
Они имеют следующее назначение:
- 1 – катод;
- 2 – катод;
- 3 – анод;
- 4 – не задействован.
По центру нижней части корпуса SMD 5630 предусмотрена контактная площадка размером 1,62х1,28 мм, предназначенная для эффективного отвода тепла от излучающего кристалла.
Во время монтажа она обязательно должна быть припаяна к печатной плате. При этом контакт теплоотвода электрически должен быть изолирован от анода и катода.
Для визуального определения анода и катода со стороны выводов катода на люминофоре имеется срез.
Технические характеристики
Белые светодиоды SMD 5630 на номинальном токе 100 мА излучают световой поток от 32 лм (2700К) до 36 лм (6500К). При этом падение напряжения на p-n-переходе может варьироваться от 2,9 до 3,4 В.
Для своих светодиодов Philips lumileds гарантирует коэффициент цветопередачи CRI не ниже 80 ед. и угол рассеивания света 2ϴ1/2 равный 120°.
Для пайки рекомендуется использовать низкотемпературные оловянные сплавы, придерживаясь международного стандарта JEDEC J-020B. Пайку светодиодов следует производить при температуре не выше 260°C на протяжении не более 10 сек.
Зависимость прямого напряжения от протекающего тока показана на вольт-амперной характеристике (t=25°C). Из приведенного графика следует, что падение напряжения на номинальном токе для большинства белых светодиодов SMD 5630 составляет 3,1 В. Яркость светодиода напрямую зависит от соблюдения его температурного режима работы. Как видно из графика повышение температуры в точках припоя до 85°C вызывает снижение светового потока примерно на 15%
В связи с этим очень важно избегать перегрева кристалла. Например, светодиодную ленту на SMD 5630 нужно обязательно клеить на алюминиевый профиль
На следующем графике показана зависимость светового потока от величины прямого тока
Полная светоотдача обеспечивается на токе 100 мА. При этом производитель светодиодов делает акцент на том, что замеры в контрольных точках с последующим построением характеристики производились при температуре 25°C
На следующем графике показана зависимость светового потока от величины прямого тока. Полная светоотдача обеспечивается на токе 100 мА. При этом производитель светодиодов делает акцент на том, что замеры в контрольных точках с последующим построением характеристики производились при температуре 25°C.
Область применения
Так же как и SMD 5730, светодиоды SMD 5630 устойчивы к вибрации и резким перепадам температуры (-40/+65°C), что в значительной мере расширяет их сферу применения.
Благодаря высоким эксплуатационным показателям, данный тип светодиодов устанавливают в светильники уличного, промышленного и аварийного освещения. В розничной торговой сети можно свободно купить светодиодные ленты и модули на 12 В, а также линейки на 220 В, собранные на базе SMD 5630.
Опираясь на технические данные, радиолюбителям будет несложно произвести расчёты и своими руками сделать подсветку на светодиодах SMD 5630.
К сожалению, найти в продаже фирменные светодиоды форм-фактора 5630 непросто. Вместо них на рынке превалируют китайские аналоги с сильно заниженными техническими характеристиками.
Такое несоответствие параметров объясняется установкой в корпус 5,6х3,0 мм кристалла значительно меньших размеров, который не может длительно пропускать ток в 150 мА.
Поэтому производители светодиодных ламп и лент, собранных на поддельных SMD 5630, подбирают рабочий ток на своё усмотрение, в результате чего снижается срок службы изделия.





