Какие цели достигаются за счет утепления фундамента
Как и гидроизоляция, утепление служит инструментом защиты фундамента от негативных воздействий внешней среды. Если стены и кровля здания обеспечены теплоизоляцией, то фундамент становится основным источником утечки тепла из жилища, особенно если в доме предусмотрено подвальное помещение и оно используется в качестве гаража или по другому назначению. Утепляется, как правило, не весь подвал, а только цокольная часть фундамента, чтобы снизить уровень теплопотерь на уровне первого этажа. Данная мера становится обязательной, если дом возведен на свайном основании.
- В результате теплоизоляции фундамента будут достигнуты следующие задачи:
- общее снижение потерь тепла;
- сокращение затрат на отопление здания;
- снижение негативных эффектов, вызванных от пучения грунта;
- стабилизация средней температуры в доме;
- предотвращения образования конденсата на стенах;
- дополнительная защита гидроизолирующего слоя.
Шкафы РЗА

Современные микропроцессорные устройства РЗА выполняют не только свою прямые задачи защиты, но и другие смежные функции. Таким образом, сегодня большое количество устройств можно укомплектовать в одном шкафу, что значительно упрощает монтаж оборудования, непосредственную эксплуатацию, а также значительно освобождает пространство.
Типовые шкафы защиты имеют еще ряд дополнительных преимуществ: так как шкафы выполняются по стандартным схемам, проверенным в эксплуатации, вероятность ошибок в работе значительно снижается, а удобство в наладке и монтаже возрастает. Узнайте еще больше о РЗА и типовых решениях на нашем сайте.
Схема
Разновидностей, комбинаций, мест релейной защиты на сетях и в ЭУ чрезвычайно много. Есть также стандартизированные варианты, своеобразные шаблоны — принципиальные схемы. Но независимо от сложности любой чертеж можно понять, только научившись его читать. Этот навык необходим для работы с РЗиА.

По важности и сложности «принципиалки» комплектов РЗиА вторые в проекте всей системы электрооборудования. Во всех случаях — при разработке или для проверки готовых схем потребуются хотя бы минимальные навыки в электротехнике
Даже специалистам порой сложно разобраться в схеме РЗ на элементарном вводе трансформаторов 10 кВ, не говоря уже в целом для подстанции 110/10 кВ.
Рассмотрим прием, упрощающий понимание чертежей. Нижеописанный метод стандартный и распространенный, он не наносит ущерб качеству анализа.
Разбивка схемы на части
Целая схема чрезвычайно сложная для восприятия, поэтому ее условно разделяют на обособленные участки и анализируют каждый отдельно.
Рассмотрим РЗиА с терминалами на микропроцессорах, разделим чертеж на 10 позиций:
- поясняющая;
- цепи: измерений (тока, напряжений);
- механизма выключателя;
- задействованного тока (оперативного), в том числе питание терминала;
- сигнализации;
- выходные, в том числе ТС и резерва;
- АСУ;
- вспомогательные (обогрев, свет, розетки и пр.);
список элементов, может быть отдельно;
параметрирование, изложенное в таблицах и логических схемах. Также могут выделяться отдельно.
Не каждый комплект РЗ содержит все 10 позиций, но отсутствие какой-либо должно быть обосновано, если же это невозможно сделать, то в наличии ошибка в схеме.

Указанный метод — это своеобразный чек лист, система анализа. Полученные результаты можно зафиксировать списком с галочками напротив пунктов и передать исполнителю перед конструированием.
Пример проверки: обосновывается отсутствие цепи привода в ТН 10 кВ (позиция 2 в разделе «цепи» списка) тем, что ячейка последнего без выключателя, и это логично. Если же ответа на поставленный вопрос, например, почему по вводу 10 кВ в РЗ отсутствуют данные параметрирования, нет, то в наличие ошибка, особенно для терминалов с гибкой логикой.
Типовые ошибки схем:
- в токовых цепях — неправильная полярность при подсоединении ТТ к терминалу;
- цепи привода — взвод (готовность к активации). Может быть неправильное смыкание, разомкнутость. Надо проверять сопоставляя с алгоритмом терминала;
- цепи оперативных токов — ключи контроля, режима управления (МУ/ДУ);
- цепи дуговой защиты, конструкции с генерированием особенно подвержены таким сложным ошибкам.

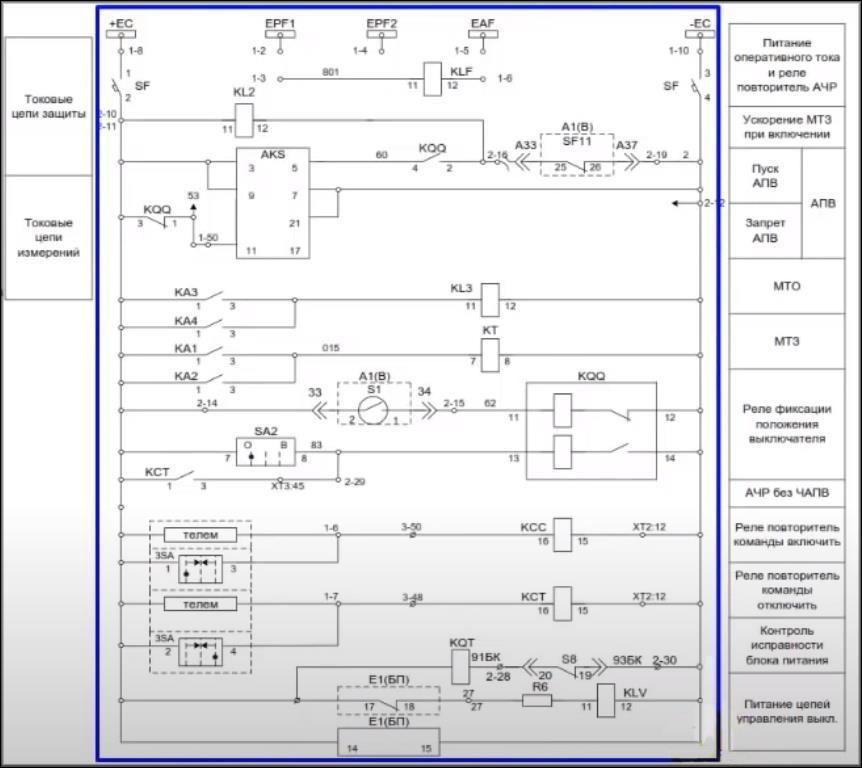
Пример разбивки схемы и прочтения
Для объяснения мы взяли популярный пример из интернета, к нему также в сети есть видеоматериалы. Схему покажем по частям (соединяются в горизонтальной плоскости), так как она достаточно большая.
Чертеж для РЗ с электромеханическими реле, выключателем ВВТЕЛ Тавридаэлектрик (без терминала, это не цифровая конструкция на микропроцессорах) линии 10 кВ на подстанции 110/10 кВ:

Вторая часть схемы:

Третья часть схемы:

Схема доступная в сети, для ее открытия потребуются специальные программы для чертежей. Далее, выделим и покажем части.
Поясняющая схема:

Измерительные цепи (электромеханика, МТЗ, МТО, цепи питания от переменного опертока привода выключателя, счетчики преобразователи):

Цепи привода (блок питания и управления, цепи электромагнитов):

Цепи оперативного тока (автомат, исполнительные реле, блок питания):

Дуговая защита относится к цепям опертока:

Цепи аварийной и предупредительной сигнализации световой, центральной (ниже):

Выходные цепи (в данном случае это то, что входит в телесигнализацию):

Вспомогательные цепи:

Перечень элементов:

В данном примере нет таблиц логики, данных параметрирования, цепей АСУ, параллельной защиты автоматики, так как эта релейная защита без терминала, не на микропроцессорах.
Преимущества и недостатки
Несмотря на широкое применение благодаря высокой скорости срабатывания, каждый из видов дифференциальных защит имеет свои плюсы и минусы.
Преимущества продольной дифзащиты:
- Абсолютная селективность.
- Возможность применения с другими видами защит.
- Отлично подходит для линий электропередач (ЛЭП) небольшой длины.
- Отключение аварийного участка сети без задержки.
К недостаткам продольной защиты можно отнести:
- Снижается эффективность при проектировании длинных ЛЭП.
- Необходимы устройства контроля за отказом вспомогательных проводов для корректировки дифзащиты.
- Возникновение тока небаланса.
- Высокая стоимость при использовании реле (реле с торможением).
- Очень сложная реализация (дополнительно сооружаются линии связи для трансформаторов токов).
Преимущества поперечной дифзащиты:
- Высокая селективность (100%).
- Не оказывает влияние на работу других реле в схемах.
- Мгновенное срабатывание.
Недостатки поперечной защиты:
- Возрастает необходимость повторного запуска защиты при срабатывании.
- Не применяется в виде основной и единственной защит.
- Необходимо учитывать мертвые зоны, которых несколько.
- Не может защитить концы линии и ошиновку подстанции.
- Не может определить место короткого замыкания.
- Не применяется для ЛЭП, где требуется отключить лишь поврежденные участки.
- Не применяется с автоматическими выключателями.
- Необходимо полностью отключать линию с повреждением.
Пример видео, где показана работа реле напряжения
Решать проблему скачков напряжения в сетях помогают специальные устройства – реле контроля напряжения. Принцип действия таких реле достаточно прост, есть “электронный блок”, который следит, чтобы напряжение находилось в заданных уставками пределах и при отклонениях сигнализирует расцепителю (силовой части), который отключает сеть. Все бытовые реле контроля напряжения включаются автоматически через определенное время. Для обычных потребителей достаточно задержки в несколько секунд, но для холодильников и кондиционеров с компрессорами нужна задержка в несколько минут.
Реле контроля напряжения бывают однофазные и трехфазные. Однофазные реле напряжения отключают одну фазу, а трехфазные – одновременно все три фазы. При трехфазном подключении в быту, следует применять однофазные реле напряжение, чтобы колебания напряжения на одной фазе, не привели к отключению других фаз. Трехфазные используют для защиты двигателей и других трехфазных потребителей.
Я разделяю приборы защиты от перенапряжений на три типа: УЗМ-51М от “Меандра”, Zubr от “Электроникс” и все остальные. Никому ничего не навязываю – это мое личное мнение.
Реле напряжения Zubr (Rbuz)
Данное устройство предназначено для защиты от перепадов напряжения (отгорания нуля). Производят ЗУБР в Донецке.

Отмечу особенности этого реле напряжения.
Индикация напряжения на устройстве – показывает значение напряжения в реальном времени. Это достаточно удобно и необходимо для оценки ситуации с напряжением в сети. Погрешность показаний низкая, разница относительно высокоточного мультиметра Fluke 87 всего 1-2 Вольта.

Реле напряжения Zubr выпускают на различные номинальные токи: 25, 32, 40, 50 и 63А. Устройство при номинальном токе на 63А выдерживает в течение 10 минут ток 80А.
Верхнее значение по напряжению выставляется от 220 до 280 В с шагом 1 Вольт, нижнее – от 120 до 210 В. Время повторного включения от 3 до 600 сек., с шагом 3 секунды.
Я выставляю на реле Zubr, максимальное (верхнее) значение по напряжению 250 Вольт, а нижнее значение – 190 Вольт.
У приборов с индексом t в названии, например Zubr D63t, есть термозащита от внутреннего перегрева. Т.е. при увеличении температуры самого прибора до 80 градусов (например из-за нагрева контактов) – он отключается.
Реле Zubr занимает 3 модуля или 53 мм на дин-рейке и бывают только однофазными.
В паспорте и приведенных схемах подключения Зубр, не сказано про ограничения по току, но в старой документации, ранее указывалось, что не более 0,75 от номинального.
Подключение стабилизатора
Теперь переходим к непосредственному подключению самого стабилизатора. Для того, чтобы подобраться к его контактам, может понадобиться снять внешнюю крышку.

Пропускаете два кабеля (вход и выход) через отверстия и зажимаете под клеммы по следующей схеме:
фазную жилу входного кабеля стабилизатора затягиваете на клемме ВХОД (Lin)
нулевую жилу (синего цвета) к клемме N (Nin)
заземляющую жилу к винтовому зажиму с обозначением ”земля”

Кстати, отдельной клеммы ”земля” может и не быть. Тогда данную жилу закручиваете под винт на самом корпусе аппарата.

Есть модели с клеммниками всего под 3 провода. В них назад возвращается только фаза.

Ноль на питание электроприборов берется с общего щитка.
Теперь когда вы подали напряжение от щитка до стабилизатора, вам нужно вернуть это напряжение, но уже стабилизированное обратно в общий щит.
Для этого подсоединяете кабель — выход со стабилизатора.
его фазную жилу к зажиму ВЫХОД (Lout)
нулевую к N (Nout)
жилу заземления, туда же где и заземляющая жила от входного кабеля

Еще раз визуально проверяете всю схему и закрываете крышку.

Требования к РЗиА
Требования к релейной защите исчерпывающе прописаны в ПУЭ (Р. 3 Гл. 3.2), а также в многочисленных пособиях — смысла дублировать их в статье нет
Обобщим их так, чтобы читатель смог сориентироваться, на что обратить внимание, быстро найти и уточнить их в указанных источниках

Выполнением каких принципов обеспечивается работоспособность
Нарушения в работе РЗиА при некорректном подборе, монтаже, несоблюдении норм:
- ложные тревоги при исправной ЭУ и сети;
- ненужные активации, например, когда сработка исполнительных узлов излишняя;
- повреждения конструкции РЗ.

ПУЭ и связанные нормативные акты предъявляют требования, с помощью которых исключается перечисленное выше (касаются проекта, монтажа, настройки и запуска, техобслуживания):
- соблюдение по классам, уровням надежности;
- чувствительность;
- быстрота сработки;
- селективность — обеспечение уровней активации защиты в правильном порядке. Этот параметр тесно связанный с предыдущими двумя.
Надежность
Определяется такими характеристиками:
- безотказностью;
- соблюдением количества заложенных при создании РЗ циклов сработки;
- ремонтопригодностью;
- продолжительностью службы, сохраняемость. Ее должен гарантировать производитель, конструктор согласно ТУ (которая обязательно согласовывается с ГОСТами, ПУЭ) продукции. Изделие должно иметь паспорт и сертификат.

Каждая позиция имеет свою оценку, указанную в техдокументации, в утвержденном согласно нормативным документам проекте.
Есть 3 позиции по надежности при ТО и эксплуатации РЗ по активации: при КЗ внутренних на рабочих локациях, за их границами, при функционировании без неисправностей. Надежность бывает 2 типов: эксплуатационная и аппаратная.
Чувствительность
Требования, предъявляемые к РЗА, релейной защите в первую очередь касаются функциональных настроек, так как фиксация пороговых значений, нарушения уставок подразумевают наличие у РЗ определенной чувствительности.

Надо правильно определить, какая предполагаемая степень нарушения режима, перегрузки является опасной, и подобрать под нее соответственно настроенный вариант РЗ.

Есть уравнение для чувствительности (ее числового значения) при возникновении КЗ. Применяется специальная характеристика — Кч, коэффициент.
Кч = Iкз min/Iсз
Расчет: отношение наименьшего тока КЗ рабочего участка к величине тока активации. РЗ нормально функционирует при Iсз < Iкз min. Наиболее оптимальная чувствительность (коэфф.) — 1.5–2.

Быстродействие
Быстрота обесточивания имеет 2 составляющие:
- сработка защитных алгоритмов с командой на нижеуказанный узел;
- задействование привода выключателя.

Реагирование по времени регулируемое в диапазоне мин.-макс. значения в зависимости от возможностей устройства релейной защиты, применяемых элементов. Задержка сработки создается внедрением специальных реле с возможностью настройки, такая опция используется для наиболее отдаленных защит. РЗ размещенные ближе к месту неполадки, к защищаемому участку настраиваются на более короткий временной интервал активации или применяются без него.
Селективность
Второе название данной характеристики — избирательность. Опция позволяет определить место повреждения в схемах любой сложности.

Генератором вырабатывается и подается электричество потребителям на сегментах 1–3 (каждый со своей защитой). При КЗ на приборе потребителя на 3 промежутке, ток течет по всем узлам РЗ, начиная от источника энергии. В таких условиях целесообразно отключать цепь сегмента с неисправностью, например, электромотора, оставляя задействованными остальных исправных потребителей. С этой целью есть возможность делать уставки РЗ для каждой цепи. Обычно такие особенности закладываются еще на стадии проектирования.

Защита 5 3-го сегмента должна фиксировать токи неполадок раньше, и оперативнее активироваться, отключая поврежденные сегменты от цепей. Поэтому величины токово-временных уставок на каждом промежутке снижаются от генератора к потребителю. Прицип: чем дальше от локации поломки, тем меньшая чувствительность. Так одновременно реализуется резервирование, учитывающее возможность эффективной защиты при неполадках любых приборов, включая и системы РЗ более низкой ступени. Описанная схема означает, что при поломке самой защиты 5 сегмента 3 при аварии должны активироваться приборы защиты 3 или 4 промежутка 2. А эти секции, в свою очередь, подстраховываются защитными узлами сегмента 1.

Как правильно защитить бытовую технику
Не стоит недооценивать важность защиты от скачков напряжения. Регулярные перепады в сети приводят в неисправное состояние электронику точного оборудования, выводят из строя реле и двигатели холодильников, морозильных камер
Часто даже способствуют сгоранию техники. Чтобы этого не случалось, нужно оборудовать дом надежными защитными приборами.
Реле контроля напряжения
Реле контроля напряжения трехфазное ZUBR 3F, 5А
Такая защита от повышенного напряжения позволяет мгновенно отключать все приборы от сети. Устройство контролирует параметры Вольт и при их резком повышении блокирует подачу питания к бытовой технике. После того как сеть стабилизирует свою работу, аппарат снова включается в работу и запускает технику.
Различают точечные реле (вилки и переходники), а также устройства по типу автомата для установки на DIN-рейку к распределительному щитку. В первом случае аппараты контролируют и защищают отдельные бытовые приборы. Так сказать, являются индивидуальными. Второй вариант — это надежный автомат защиты от перепадов напряжения в сети для всего дома.
Стабилизатор напряжения
Релейный стабилизатор напряжения
Такая защита по напряжению предполагает изменение параметров по Вольтам до тех пор, пока они не будут приведены к нормальному состоянию. К примеру, стиральная машина или телевизор, подключенные через стабилизатор, работают всегда на одном напряжении. Если аппарат улавливает резкий скачок, то пропускает к бытовой технике лишь нормальный показатель 220-230 В.
Главные технические параметры стабилизаторов — время реакции на скачок, точность стабилизации, диапазоны входного напряжения и уровень издаваемого шума.
Все устройства такого типа делят на несколько видов:
- Релейные. Самые дешевые виды стабилизаторов. Имеют низкий уровень мощности. Если и используются до сих пор, то на отдельные бытовые устройства.
- Электромеханические (их еще называют сервоприводными). Рабочие характеристики подобных аппаратов мало отличаются от стабилизаторов релейных. Единственная разница между первыми и вторыми – чуть более высокая цена.
- Электронные. Подобные устройства собирают на базе симистора или тиристора. Такие стабилизаторы отличаются хорошей мощностью, долговечностью, точностью реакции на скачки напряжения. При максимально быстром своем действии электронные устройства обеспечивают надёжную защиту от перепадов напряжения.
- Электронные двойного преобразования. Подобные стабилизаторы — самые дорогие из всех. При этом они хорошо защищают как отдельные бытовые приборы, так и всю электросеть в доме. Выделяют одно- и трехфазные устройства. Первые применяют в быту. Вторые — на крупных промышленных, коммерческих объектах. Стабилизаторы двойного преобразования способны сглаживать резкие перепады в диапазонах от 90 до 380 Вольт с отменной точностью.
ИБП (источник бесперебойного питания)
Источник бесперебойного питания (ИБП) APC Back-UPS CS 650VA/400W
Главная задача ИБП — не защита от высокого напряжения, а обеспечение автономного резервного электроснабжения при резких и непродолжительных отключениях энергии. Подобные аппараты особенно нужны в частных домах, если в поселке остро стоит проблема частого отключения света.
Есть также разновидность источника бесперебойного питания с функцией стабилизатора. Если случится резкий высокий скачок напряжения, такой ИБП способен мгновенно переключиться на резервное питание и выровнять параметры Вольт в сети до оптимальных.
Датчик перепадов напряжения
Сетевой фильтр MOST EHV 2м (белый)
Это небольшое устройство, так же как и реле, контролирует скачки напряжения в сети. Но его монтируют сразу с УЗО (устройством защитного отключения). Если датчик выявляет нарушение сетевых параметров, он провоцирует утечку тока. В этом случае УЗО обнаруживает её и отключает питание на дом в аварийном режиме.
Технические характеристики
- Максимально действующее напряжение. Под этим понятием необходимо понимать величину наибольшего значения величины напряжения, при котором ограничитель способен сохранять свою работоспособность без ограничения по времени.
- Номинальное напряжение, эквивалентно величине, воздействие которого ОПН способен выдерживать в течение 10 минут.
- Ток проводимости. Величина тока, в цепи нелинейных резисторов в период воздействия номинальных значений приложенного напряжения. Как правило, имеет мизерное значение.
- Номинальный разрядный ток. Параметр, определяющий классификацию ограничителя в условиях грозового режима.
- Расчетный ток коммутационного перенапряжения. Значение тока, определяющее классификацию при коммутационных перенапряжениях.
- Токовая пропускная способность. Величина эквивалентная классу разряда линии.
- Устойчивость к короткому замыканию. Категория способности ОПН противостоять токам короткого замыкания, сохраняя при этом целостность защитной оболочки.
Защита электрохозяйства административных зданий, многоквартирных домов и предприятий возлагается на соответствующие службы энергетических компаний, оградить свой дом от нежелательных последствий грозового разряда возложена на домовладельца. В настоящее время этот вопрос решается просто. В специализированных магазинах представлен широкий выбор ограничителей перенапряжения различной степени сложности и ценового диапазона.
На рисунке ниже показано подключение ОПН к однофазной сети и условное обозначение на схеме. Подключить ограничитель перенапряжения к домашней электросети не сложно, но выполнение этой операции лучше доверить специалисту, если вы не имеете опыта в электромонтажных работах.

Напоследок рекомендуем просмотреть видео, на котором наглядно рассматривается конструкция и принцип действия ограничителей перенапряжения нелинейных:
Вот мы и рассмотрели устройство, назначение и принцип действия ограничителя перенапряжения. Как вы видите, существует различные виды и конструктивные исполнения данных устройств, благодаря чему можно подобрать подходящий вариант для собственных условий применения.
Будет интересно прочитать:
- Испытания ограничителей перенапряжения нелинейных
- Для чего нужно реле напряжения
- Как защититься от помех в электросети
Автоматические устройства защиты электрических сетей
В настоящее время автоматические устройства защиты электрических сетей являются наиболее надежными. Чаще всего применяют следующие виды:
- автоматические выключатели;
- устройства защитного отключения;
- дифференциальные автоматы;
- устройства защиты от импульсных перенапряжений;
- стабилизаторы.
При правильном выборе такого приспособления обеспечивается гарантированная защита электросети от неисправностей, вызванных причинами, указанными выше. Выбор автоматического электрического устройства защиты должен учитывать его тип, назначение, номинал.
Автоматические выключатели
Читайте о том, как подобрать характеристики автоматических выключателей
Эти приборы представляют собой коммутационные аппараты, предназначенные для включения и отключения тока при помощи ручного управления, а также автоматического отключения тока при увеличении его сверх значении, превышающего номинал прибора.
Другими словами, правильно подобранный автоматический выключатель должен прервать линию, как только сила тока превысит допустимую для цепи, в которую он установлен. Ток может увеличится от короткого замыкания или включения мощной нагрузки. Для защиты однофазной электрической сети устанавливают однополюсный или двухполюсный, а для защиты трехфазной — трехполюсный автоматический выключатель. Очень редко применяют четырехполюсные устройства, способные отключать сразу все четыре (включая нейтральный или «нулевой») проводника в трехфазной электрической сети при возникновении аварийной ситуации.
Таким образом, задача автоматического выключателя — обесточивать цепи при возникновении перегрузок и короткого замыкания, вызывающих перегрев проводника, что особенно важно, если это кабель для электропроводки в деревянном доме
Устройства защитного отключения
Читайте все об устройствах защитного отключения и их характеристиках
В отличие от автоматических выключателей, устройства защитного отключения (УЗО) предназначены для защиты электросетей от утечки. Она в незначительном количестве всегда присутствует в любой электрической цепи. А вот в опасных значениях утечка может возникать по нескольким причинам:
- неисправность электроприбора из-за пробоя фазного проводника на корпус;
- попадание влаги на контакты для подключения проводов;
- недостаточные свойства изоляции в проводке из-за естественного износа или механического повреждения.
Следствием утечки могут быть поражение человека или домашних животных, а также возгорание изоляции проводов.
Задача УЗО — при обнаружении утечки в цепи, отключить подачу тока в течение короткого промежутка времени. Если это сделано вовремя, воздействие электричества будет настолько мало, что любой живой организм не почувствует его, а горючий материал не успеет воспламениться.
Однако при возникновении перегрузок или короткого замыкания в сети, УЗО не сработает.
Дифференциальные автоматы
Дифференциальный автомат объединяет в своей конструкции УЗО и автоматический выключатель. Поэтому правильное название устройства — дифференциальный автоматический выключатель. Он способен отключать сеть, питающую электроустановку, и в случае утечки тока в ней, и в случае превышения нагрузки или короткого замыкания.

Как правило, дифференциальный автомат устанавливают на отдельную цепь, осуществляющую питание одного мощного потребителя. Это могут быть, например, электроплита, электродуховка, электрический водонагреватель, кондиционер.
Устройства защиты от импульсных перенапряжений
Эти приспособления предохраняют сети от мгновенных скачков напряжения и тока. Такое может происходить при ударе молнии, перехлестывании проводов воздушных линий электропередач, аварий в питающих сетях, включении оборудования с большой реактивной мощностью.
Устройства защиты от импульсных напряжений устанавливают непосредственно перед потребителем. Основным условием успешной работы УЗИП является наличие качественно выполненного заземления всей электроустановки. В настоящее время такие приборы широко применяют в системах управления оборудованием частного дома «Умный дом».
Стабилизаторы
Стабилизаторы обеспечивают выравнивание напряжения там, где недопустимы какие-либо колебания этой характеристики. Они предохраняют от выхода из строя сложные электронные приборы и оборудование. Основное требование, предъявляемое к стабилизатору — обеспечить в течение заданного времени выравнивание тока при максимально допустимой нагрузке.
Стабилизаторы могут защищать всю электроустановку, а могут устанавливаться для защиты всего одного прибора или электрического агрегата.
Защита электрооборудования от перенапряжения. Способы.
Сетевой фильтр
Установка в вводном щитке Устройства защиты от перенапряжения или реле контроля напряжения (УЗПН, УЗИП, РКН). Данные устройства призваны отключать электрическое оборудование при изменении параметров электрического тока от заданных. Модификаций приборов великое множество. Выпускаются версии в виде удлинителей или моноблока с индивидуальной вилкой и розеткой для защиты одиночных потребителей. Защита электрооборудования от перенапряжения.
Реле контроля напряжения
Отличным выходом для защиты домашнего электрооборудования от перенапряжения является покупка инверторного стабилизатора. Он убережет дорогостоящую технику от длительных и кратковременных перепадов напряжения. Отечественная и зарубежная промышленность выпускает огромное количество стабилизаторов в разных ценовых сегментах. Большим преимуществом перед УЗПН, УЗИП, РКН является то, что он не отключает приборы от сетей, а выдает правильную синусоиду заданной амплитуды. Простыми словами, всегда выдает 230в.
Стабилизатор напряжения
Вам может быть интересно – «Аварийное освещение в помещениях».
ОСНОВНЫЕ ВИДЫ УСТРОЙСТВ РЕЛЕЙНОЙ ЗАЩИТЫ И АВТОМАТИКИ
Типы УРЗА можно классифицировать по параметрам режима работы сети, на которые они реагируют.
Токовые защиты.
Наибольшее распространение получили токовые защиты, поскольку именно повышенное значение тока является критерием такого частого вида нарушения режима работы как короткое замыкание. В основе токовой релейной защиты находится реле тока.
Традиционно используемыми являются реле электромеханического типа, состоящие из токовой катушки и подвижной электромагнитной системы, замыкающей контакты. На смену этим приборам пришли полупроводниковые устройства, а с развитием цифровых технологий и микропроцессорные системы релейной защиты.
Независимо от элементной базы, логика работы защит остаётся в принципе той же. Конечно, микропроцессорные системы способны реализовать более сложный и разветвлённый алгоритм действий.
В простейшем случае, на реле выставляется требуемая уставка – значение тока, при котором реле должно сработать. Первичными преобразователями тока являются измерительные трансформаторы или датчики тока.
К разновидности токовых защит относятся дифференциальные защиты, реле которых включается на разность токов. Дифференциальные токовые реле входят в комплект релейной защиты трансформаторов и шин подстанций.
Защиты по напряжению.
Среди самых распространённых представителей этого класса групповая секционная защита минимального напряжения.
Логика работы этой автоматики увязана с технологическим процессом, электропривод оборудования которого питается от одной секции подстанции. Автоматика минимального напряжения имеет двухступенчатое исполнение. Типовая последовательность работы выглядит следующим образом.
Секция, к которой подключены электродвигатели приводов механизмов технологического процесса (например, это могут быть механизмы котла тепловой электростанции), имеет два питания – от рабочего и резервного трансформаторов.
При отключении рабочего трансформатора срабатывает автоматика включения резерва (АВР). Через небольшой промежуток времени к секции подключается резервный трансформатор.
За время бестоковой паузы нагруженные механизмы успевают затормозиться. После подключения резервного трансформатора начинается самозапуск электродвигателей механизмов.
Повышенный ток, обусловленный групповым запуском двигателей, вызывает посадку напряжения на секции. При снижении напряжения до уставки первой ступени автоматики, происходит отключение наименее значимых для технологического процесса механизмов.
Делается это для того, чтобы облегчить запуск более важного оборудования и удержать станционный котёл (или другой агрегат) в работе.
Если это не помогает и напряжение, продолжая снижаться, достигает уставки второй ступени, отключается вторая группа оборудования. В этой ситуации в работе остаются только механизмы, обеспечивающие безаварийный останов всего технологического процесса (котла).
2012-2021 г. Все права защищены.
Представленные на сайте материалы имеют информационный характер и не могут быть использованы в качестве руководящих и нормативных документов
Особенности калиток для частного дома
Рассказывать о функциональной значимости калитки нет смысла, так как каждый знает важности ограждения земельного участка. Калитка должна иметь высокую прочность и надежность, служа надежной крепостью, защищающей домочадцев от проникновения на территорию преступников
При планировке ограждения участка важно выбрать место расположения калитки, тип ее обустройства. Кроме того, важно определить, достаточно только одной калитки или нужно две (парадная и для хозяйственных нужд).

Стандартная ширина входа на участок – 1 метр и более, которой вполне достаточно для комфортного передвижения и переноски мебели. Высота калитки – не более 220 сантиметров. Глубина столбов для забора – до 1 метра (в зависимости от типа основания). Высота ручки и замка – 0,9 метра от уровня земли.

Благодаря развитию технологий можно использовать более современное решение – автоматическая калитка. Ее открытие и закрытие производится благодаря автоматике, обладающей рядом достоинств:
- Высокий уровень безопасности. Дополнить автоматическую калитку можно домофоном и камерой видеонаблюдения, что повысить безопасность пребывания в доме и оградит от непрошеных гостей.
- Комфортное дистанционное управление, благодаря которому произвести открытие или закрытие калитки можно не выходя из дома.
- Экономия времени. Для того, чтобы открыть калитку не нужно идти к ней, процедура ограничивается нажатием кнопки.
- Высокая прочность материала, используемого для создания конструкции.

Устройство
Рассмотрим устройство в процессе описания действия РЗиА:

| Название | Функция |
| Блок мониторинга | Отслеживание электропроцессов. Параметры измеряются ТН/ТТ и узлами с подобными функциями. Выходные импульсы могут поступать напрямую на логическую часть для сравнения с прописанными пользователем величинами отклонений от уставок (нормальных значений). А также импульсы может предварительно создаваться сообщения в цифровой форме. |
| Логическая часть | Сравнивает поступившие импульсы с уставками. Определяется несовпадение, принимается решение о командах на активацию защиты. |
| Исполнительная схема | Постоянно в состоянии готовности для принятия команды от логической части. Производит переключение цепей ЭУ по прописанному алгоритму для недопущения поломок оснащения и ударов тока. |
| Сигнальный узел | Сам пользователь органами чувств не может адекватно отслеживать чрезвычайно быстрые процессы в ЭУ. Для сохранения данных происходящих процессов используют сигнальные приборы оповещения (изображением, звуком, светом), которые также записывают в память историю. После сработки таких устройств они выставляются в исходную позицию вручную. Система позволяет сберечь данные о всех действиях. |






