Фундамент под баню своими руками: из чего будут ее стены?
От материала стен зависит нагрузка на будущий фундамент. Мы полагаем, что если владелец участка решил строиться самостоятельно, то он предпочтет и наиболее дешевый вариант. Самым дешевым будет для бани столбчатый фундамент, который не подходит только кирпичной и тем грунтам, которые выталкивают и опрокидывают столбы прямо в земле — это слабые грунты (торфяники, например) или сильнопучинистые (глинистые). Давайте сначала разберемся, какой фундамент годится для той или иной бани, а потом будут инструкции по их заложению.
Для бани из сруба, бруса
Для бани из сруба и бруса годится любой фундамент, потому что дерево — не самый тяжелый материал. Вы можете поставить и ленточный, и столбчатый, и плитный по необходимости.
У нас есть целая статья, в которой подробно разбираются критерии выбора наилучшего фундамента для бани из бруса или сруба.
Фундамент для бани из блоков, кирпичей своими руками
Если же баню предполагается строить из блоков (а к этой категории относится и пеноблок, и кирпич), то основным различием между ними будет масса кубометра. Скажем, популярные ячеистые бетоны — самые легкие, шлакоблоки значительно тяжелее, а следом за шлакоблоком по весу идет кирпич. Поэтому фундамент под баню из пеноблоков, должен не только считаться с особенностями грунта, но и с весом будущего строения.
Если нет желания тратить силы и время на дополнительные работы (строительство забирки, укладку обвязочных балок), то лучше предпочесть ленточный фундамент — просто и надежно. Он, кстати, годится и для легких, и для тяжелых блоков. Кирпичную баню можно ставить на ленточный, плитный и свайный фундаменты.
Фундамент под баню из пеноблоков своими руками
Пеноблок — материал по-своему требовательный (к той же гидроизоляции), но в отношении фундамента у него наименьшие претензии. Ему годится мелкозаглубленный ленточный или столбчатый фундаменты, с которыми вполне справится владелец участка с товарищами. Инструкция, как и обещано, приводится ниже. Также рекомендуем ознакомиться со статьей про фундаменты пеноблочных бань — виды, глубину и прочие подробности.
Фундамент для каркасной бани своими руками
Каркасная баня — еще один пример легкого материала для стен, к которому относится все то, что было сказано про пеноблоки. Выбор фундамента под каркасную баню может осложниться проблемной почвой, но в простых случаях, когда речь идет о самостоятельном строительстве бани, это будет все тот же ленточный или столбчатый.

Каркасная баня на бетонных столбиках
Как правильно рассчитать глубину и ширину
Полный расчет фундамента — сложная инженерная задача, доступная только подготовленному специалисту.
Требуется выполнить комплексное исследование грунта, рассчитать вес бани без фундамента и с ним, учесть большое количество специальных величин, коэффициентов и показателей.
Для людей посторонних, не имеющих соответствующего образования и опыта, выполнить такой расчет не удастся.
Решением вопроса станет обращение к специалистам, профессионально занимающимся подобными расчетами. Этот вариант является оптимальным, но потребует определенных денежных вложений.
Возможен другой путь — использование онлайн-калькуляторов, которых в сети немало. Результаты, полученные с помощью такого метода, необходимо продублировать на других ресурсах, чтобы иметь возможность проверить полученные данные и вырать наиболее достоверные значения.
Внутренние работы
Перед тем, как приступать к внутренним работам, необходимо решить, как именно вы хотите, чтобы она выглядела. Кто-то выполняет ее в каком-то одном сдержанном стиле, а кто-то предпочитает более простое решение, пытаясь на этом немного сэкономить.
Набираем пол и потолок из доски, которая имеет ширину около сорока миллиметров. Следует учитывать и тот факт, что полы нужно делать независимо от стен строения.
Рекомендуемое к просмотру видео:
Выбирая печь, предпочтение отдавайте изделию, изготовленном из хромистой стали. Такие варианты считаются долговечными и быстро нагревают помещение. Недостатками является его быстрое остывание. Что же касается кирпичных стен, их придется дольше топить, но они дольше держат пар.
Типы бетонных фундаментов
В строительстве применяют несколько типов фундамента из бетона. Чаще всего здания возводятся на ленточных или столбчатых основаниях. Оба вида, в свою очередь, имеют несколько вариантов исполнения.
Ленточный фундамент
Располагается строго под несущими стенами и представляет собой пояс-опору, повторяющий очертания опирающихся на него элементов. Глубина закладки определяется в зависимости от отметки промерзания грунта и, как правило, находится ниже этого уровня на 20-30 см. Различают следующие виды ленточных фундаментов:
- монолитный;
- сборный;
- бутовый;
- бутово-бетонный.
Для устройства монолитного фундамента применяют бетон, укрепленный различными видами арматурной сетки. Работа по армированию и заливке бетонной смеси проводится прямо на участке, с применением опалубки или без нее.
Монолит закладывают при строительстве здания из тяжелых материалов, с цокольным или подвальным этажом.

Сборная фундаментная конструкция состоит из армированных бетонных блоков. При этом более узкие элементы устанавливаются на широкие — фудаментные подушки, которые обеспечивают распределение нагрузки на грунт. Блочное основание может быть сплошным или прерывистым. Монтирование такой базы менее трудоемко, чем заливка монолита, но требует подгонки блоков под заданные проектом размеры и уступает по прочности. Сборный тип подходит для грунтов с неглубоким промерзанием, не склонных к вспучиванию.

Бут при монтаже фундамента применяют на грунтах с высоким уровнем воды и глубоким промерзанием. Работа по закладке такого основания отличается трудоемкостью и продолжительностью. Это обусловлено тем, что крупные бутовые камни кладутся на цементный раствор с подгонкой по размеру и форме. Основными плюсами такой кладки являются ее долговечность и прочность.
Сколько цемента надо на 1 куб бетона

Бутово-бетонный фундамент состоит из примерно одинакового количества мелкого камня и цементного раствора. По характеристикам схож с бутовым, но материалы для него более доступны, а закладка проще, ведь в этом случае не нужна тщательная подгонка.

Столбчатый тип фундамента
Предназначен для возведения легких сооружений. Обычно на его базе строят небольшие дачные домики, сараи, бани. Опорные столбы при этом размещаются по углам постройки и в местах с наибольшей нагрузкой. Для их формирования подходит бетон или бетонные блоки, а также бут и металлическая труба. Нежелательно монтировать столбчатую базу на рыхлых почвах, насыщенных влагой.

Для строительства крупных объектов на нестабильных, мягких или пучинистых почвах подходят столбчато-ленточные фундаменты. Они объединяют в себе опорные столбы, входящие глубоко в грунт, чтобы достичь его твердых слоев и бетонную ленту, которая является связующим элементом и располагается на небольшой глубине.

Правильный монтаж фундаментной конструкции для здания обеспечивает его долговечность. Для заливки основания можно воспользоваться готовыми смесями, которые поставляют на строительный рынок промышленные предприятия. Однако в частном строительстве бетон для фундамента предпочтительнее изготовить своими руками, так как это существенно экономит бюджет. Конечно, марку М500 таким образом получить невозможно, но это и не требуется для малоэтажных построек.
Ленточный фундамент для бани
Для строительства небольшой бани идеально подходит мелко заглублённое ленточное основание. Для того, чтобы определить оптимальную глубину для фундамента для бани, нужно узнать состав грунта. Для стабильной почвы, не пучинистой, с нормальным уровнем влажности хватит рва глубиной 40 см. Если ваш участок находится на черноземе, торфяном грунте или песчаном – смело увеличивайте глубину до 70 -80 см.
На ширину основания влияет материал, из которого будет построена баня. Если он легкий – хватит и 25 см. Для стен из кирпича, камня нужно не менее 35 см ширины. Сам ров выкапывают с шириной на 5 см больше.
На предварительно подготовленном, ровном участке, необходимо найти точку на самом низком уровнем, от которой будет дано начало строительству фундамента. Также, очень важным моментом является то, что в процессе сооружения правильного фундамента для бани, необходимо сделать уклон, с целью отвода дождевых и талых вод. Иначе скапливаемая вода приведет к разрушению постройки. Наклон можно делать в любом направлении, кроме северного.
На углах устанавливают прутья из металла, это необходимо сделать с целью натягивания джута по периметру. Если речь идет о ленточном фундаменте, то делают два контура (внешний и внутренний). Для этого натягивают два джута параллельно и на расстоянии, которое соответствует ширине основания с дополнительными 5-ю сантиметрами.
На следующем этапе необходимо вырыть ров. В случае проведения работ на пучинистых грунтах, ров нужно сделать в форме трапеции перевернутой.
Подушка из песка и щебенки обеспечивает стабильность фундамента, сглаживает вероятные подвижки почвы. Первым слоем насыпают песок, который необходимо увлажнить и тщательно утрамбовать. Далее засыпают щебень, который также трамбуют, а затем опять песок. Чередование слоев необходимо делать до такой степени, пока ров не будет заполнен на 50%.
После завершения работ с песчано-гравийной подушкой, приступают к созданию опалубки для фундамента бани своими руками. Ее сооружают из досок, оставляя крепеж снаружи. Конструкция должна быть целостной без зазоров между элементами. Ровность опалубки обеспечивает ровность фундамента. В противном случае, придется выполнять дополнительные работы по шлифовке готового основания. Дно рва выстилают арматурой из проволоки и прутьев. Изнутри опалубку обкладывают рубероидом или полиэтиленом. Это дает защиту от влаги.
Заливать бетонный раствор в опалубку необходимо за один раз. Нельзя допускать малейших перерывов в этом процессе, иначе фундамент получится хрупким и ненадежным. Чтобы работа проводилась быстро и качественно, закажите бетономешалку с готовым раствором цемента.
Снять опалубку можно через 7 дней, а процесс строительства бани начинать через 3 недели. За это время бетон приобретет прочность.
Пошаговая инструкция по укладке ленточного фундамента
Перед началом строительства рекомендуется нарисовать план бани и определить, под какими стенами прокладывать фундамент. Участок очищают от растительности и выравнивают. Для этого можно воспользоваться рейками и уровнем. После этого по плану роют траншею.

Оптимальная глубина траншеи для бани из бруса — 0,4-0,5 м.
Как закладывается ленточный фундамент:
- На этапе рытья траншеи рекомендуется подумать о сливе воды. Для этого подойдёт труба и заглублённая в земле бочка.
- Из досок нужно построить в вырытой траншее опалубку. Изнутри проложить полиэтиленом. Снаружи доски подпереть небольшими брусками, чтобы они не опали во время заливки.
- В опалубку ровным слоем разместить щебень и песок, тщательно утрамбовать.
- Сверху закрепить композитную арматуру. Можно это сделать проволокой, но проще воспользоваться хомутами.
- Финальный этап — заливка бетона.
По строительным нормативам бетону нужно около месяца на полное высыхание и затвердевание. Обычно этот срок выжидают при строительстве двухэтажного дома. Для лёгкой бани из бруса достаточно подождать неделю и приступить к возведению стен. На этот период рекомендуется накрыть фундамент рубероидом или другим материалом.
Порядок работ
Если есть желание и хоть какие-то строительные навыки, то вполне реально возвести баню на участке самостоятельно. Но все задаются вопросом: «Как сделать фундамент для бани?».


Первое с чего нужно начать – это фундамент:

Сделать разметку предполагаемого строения. Выставить диагональ. Ширина будущего основания должна быть больше его на 10-15 см.
Вырыть траншею. Глубина зависит от применяемого стройматериала. Примерно от 20 до 50 см. В местах, где почва не плотная нужно засыпать дно траншеи песком или крупным щебнем и затрамбовать с помощью трамбовщика.

Если его нет под руками, то можно использовать чурку ( диаметр которой не должен превышать ширину траншеи), в середину которой вбивается трубка диаметром 20-40 мм.

Установить опалубку по уровню определив высоту будущего основания. Она зависит от места, где строиться баня. Если это возвышенность, то высота может быть не более 20 см, а если низина и протекают весенние и дождевые воды высоту желательно взять больше.
Доски, которые предназначены для нее, можно обернуть целлофаном, они могут вам понадобиться в дальнейшем строительстве. Для прочности фундамента можно его заармировать с помощью труб небольшого диаметра, толстой проволоки и арматуры.

Заливать фундамент нужно целиком в течение дня, чтобы он схватился и высох одновременно. Можно мешать раствор самостоятельно или заказать готовый бетон.


Преимущества и минусы банного ленточного фундамента
Среди всех видов фундаментов именно ленточная монолитная конструкция чаще возводится под баню. Это связано с целым рядом ее преимуществ:
- Высокая несущая способность при относительно малом расходе стройматериала. Это позволяет сэкономить средства и получить надежный результат.
- Возможность изготовления путем не только заливки бетона в опалубку, но и кладки кирпичей, готовых железобетонных блоков и даже камней.
- Создание заглубленных и малозаглубленных конструкций в зависимости от размеров и веса коробки бани. Благодаря нескольким вариантам конструкции можно построить фундамент выше или ниже точки промерзания грунта, учитывая тип почвы на участке.
- Относительно простая и хорошо изученная технология возведения позволяет гарантировать, что специалисты построят крепкое и долговечное основание под баню.
Профессионалами хорошо изучена технология возведения ленточного фундамента, что гарантирует постройку надежной конструкцииИсточник oteplicah.ru
Несмотря на то, что ленточный фундамент для бани 3х3, 3х5, 3х4 обходится недорого и быстро возводится, он имеет определенные недостатки
Один из них – необходимость всегда принимать во внимание тип грунта, когда выполняется расчет заглубления основания. Точно вычислить значение смогут исключительно специалисты
Поэтому рекомендуется обратиться к профессионалам, которые предоставят гарантию на выполненные работы.
Другой недостаток – это необходимость обязательной подготовки перед основным строительным процессом. В частности, нужно выполнять земляные работы, объем которых зависит от размеров фундамента.
Минусом также является долгое отверждение бетонного раствора. Он полностью высыхает при нормальных условиях примерно за один месяц. Хотя время отверждения бетона напрямую зависит от размеров создаваемого основания.
Отверждение бетонной ленты происходит в течение месяцаИсточник n-dom37.ru
Разметка места под будущий фундамент

После этого требуется подготовить необходимый инструмент, который включает в себя:
- Бечевка или леска;
- Колышки из дерева (длина может быть от 110 до 130 см);
- Измерительная рулетка. Предпочтение следует отдать длинным вариантам, до двадцати пяти метров;
- Бытовые ножницы для нарезки бечевки или лески;
- Строительный отвес;
- Слесарный угольник;
- Любое счетное устройство типа калькулятора. Оно будет необходимо для правильного расчета сторон заливаемого фундамента и объема смеси;

Первым делом нужно наметить место, в котором будет располагаться любой угол фасада здания, после чего в требуемую точку забивается имеющийся колышек. От установленной метки отмерить ширину планируемого фасада, после чего на требуемое расстояние вбивается второй колышек.

Используя строительный отвес проверяется возможное отклонение угла фасада, выставляется вертикаль, после чего от нее протягивается бечевка или леска, которая должна быть расположена строго перпендикулярно требуемой линии фасада.

Применяя слесарный угольник намечают оставшиеся углы здания, устанавливая колышки на требуемые места и соединяя последние бечевкой
После всех проведенных процедур важно проверить точность расположения вбитых маячков, для чего при помощи строительной рулетки производится замер диагоналей здания. При имеющемся расхождении нужно подкорректировать вбитые колышки

Таким образом, размечается внешний диаметр строения. Для определения внутреннего периметра, не отходя от линии разметки по разные стороны каждого вбитого колышка, также устанавливают еще по одному, отступая по сорок сантиметров в каждую сторону.

Соединяя бечевкой новые метки на противоположных сторонах, получаем внутреннюю разметку периметра дома.

После этого, сверяясь с намеченным планом дома, аналогичным способом при помощи колышков и бечевки наносят разметку внутренних несущих стен конструкции.

Яму (или канаву) под фундамент необходимо копать строго по имеющейся разметке. С этой целью возможно привлечение техники, такой как экскаватор или трактор, или же допускается воспользоваться обычной лопатой.

При наличии твердой или каменистой почвы глубина канавы может быть до 50 сантиметров, однако, для укрепления прочности фундамента в этом случае придется бурить землю через каждые две метра, включая угла фасада с последующей установкой столбов опоры.

Опорные столбы заглубляются на глубину порядка полутора метров от верхнего уровня траншеи, что позволит обеспечить прочный каркас фундамента и обеспечить надежность всей последующей конструкции.
Подготовка и расчёт
Для начала необходимо начертить схему участка с соблюдением масштаба, обозначить участок под устройство бани и провести к нему коммуникации. Местонахождение строения во многом зависит от устройства слива. При подключении спуска воды к центральной канализации баню можно расположить на любом месте дачного участка. Если слив обособлен, то здание лучше разместить в отдалении от водоемов.
Предбанную территорию необходимо отгородить от посторонних – на участке нужен забор. Строение можно окружить живой изгородью. Все дополнительные насаждения или пристройки также отмечаются на плане местности.
Работа начинается со срезания верхнего слоя почвы. Далее участок необходимо разровнять. Это можно сделать с помощью специальной техники. Следует избегать перепадов высот – это усложнит разметку и сделает невозможным равномерную укладку фундамента. Разметка производится на основании проекта на бумаге, поэтому от точности изображения местности зависит дальнейшее устройство основания.
Внешний периметр фундамента размечается при помощи рулетки и строительного угла. Крайние точки отмечаются колышками, через которые натягивается шнур. Необходимо проверять перпендикулярность углов на каждом этапе разметки. Для проверки точности размещения отметок проводят замеры диагоналей строения. Если здание прямоугольное или квадратное, то диагональные измерения будут равны.
Для точности размещения колышек необходимо воспользоваться специальной геодезической техникой – теодолитом или нивелиром. Следует несколько раз проверить длину каждой стороны и градусную меру углов. Натянутый трос является уровнем высоты будущего основания. После обозначения контура здания производят разбивку площади.
При устройстве свай колышками отмечают местоположение будущих скважин. Их количество зависит от площади бани. Шаг выработок не должен превышать двух метров. Сваи также необходимо располагать в местах сопряжения несущей стены с перегородками. Если этажность будущего здания достигнет два и более этажа, то расстояние между опорами необходимо уменьшить. Плотный грунт позволяет сократить количество свай, а сыпучий наоборот. Глубина скважины зависит от типа грунта: в пучинистой почве сваю необходимо опустить на 30-50 сантиметров ниже.
Монолитный фундамент можно заливать без предварительных расчетов – оптимальная толщина основания должна достигать 25 сантиметров. Уменьшение стяжки может потребовать дополнительного усиления арматурой. При толщине фундамента тридцать сантиметров и более получается крепкая конструкция, но такое строительство нельзя назвать экономным. Подложку из песка и гравия принято засыпать слоями, не превышающими десяти сантиметров по толщине.
Плита утеплителя не должна превышать десяти сантиметров. Бетонному основанию также необходим каркас из арматуры. Согласно нормативным документам, для надежного строительства арматура не должна составлять менее 0,3 процентов от общей массы конструкции. Размеры прутьев можно подсчитать собственноручно исходя из площади сечения плиты. Для экономии времени мастера советуют установить в два яруса каркаса из прутьев 12-13 миллиметров в диаметре.
Фундамент для бани своими руками: пошаговая инструкция для разных его типов
Разные типы фундамента подразумевают различные технологии их заложения. Рассмотрим каждый из них.
Рекомендуем также ознакомиться со следующими нюансами банных фундаментов:
Ленточный фундамент для бани своими руками

Ленточный может быть мелкозаглубленным и с полной глубиной заложения. Разница между ними обычно в глубину промерзания грунта. То есть подошва первого на 20 см ниже уровня плодородного слоя, а второго — на те же 20 см ниже уровня промерзания грунта в данной местности.
- Начинать следует с геологического исследования участка. Сегодня геологи предлагают и недорогие (частичные) варианты. От их выводов зависит, можно ли делать мелкозаглубленный фундамент. Они дадут добро в случае, если грунт сухой, малоподвижный, с небольшой глубиной промерзания.
- Разметка. Прежде чем приступать к ней, сначала надо убраться на участке и снять плодородный слой почвы на пятне застройки. Добавьте к стоимости фундамента работы бульдозера, если неровности окажутся велики. В итоге должна получиться ровная площадка, разность высот которой проверяется гидроуровнем.
- После этого с помощью теодолита или простейших знаний геометрии размечается внутренний контур будущей бани. Линии образуются строительными нитками, натянутыми между колышками. Перед переходом к внешнему контуру стоит обязательно сверить длины диагоналей — они должны быть равны.
- Второй (внешний) контур размечается по ширине фундамента, которая равна толщине будущих стен плюс 10 см.
- Последними размечаются внутренние перегородки и фундамент для печки (если решили ставить каменную или железную печь).
- Траншея. Выкапывая траншею, нужно добавить с каждой стороны по 10 см — это прибавка под будущую опалубку. Конечно, мелкий фундамент просто выкопать самому, а при значительной глубине заложения может понадобиться специальная техника, которую придется нанять. Добавьте еще 20 см на подушку из песка. На нем, кстати, экономить не стоит, он важен для будущей устойчивости фундамента.
- Опалубка. Обычно ее делают из обрезной доски, которую, кстати, после разборки можно использовать для создания обрешетки кровли или найти другое применение. Вместо обрезной доски допустимо использовать влагостойкую фанеру.
Монтаж опалубки ведется прямо на участке. Минимальная высота ее стенок над уровнем земли 30 см. Старайтесь забивать гвозди в одну сторону — это облегчит потом разбор конструкции. А для того, чтобы опалубка стояла неподвижно, нужно еще сделать распорки для противоположных щитов.
Внутрь стоит постелить полиэтилен и закрепить его на бортах опалубки степлером.
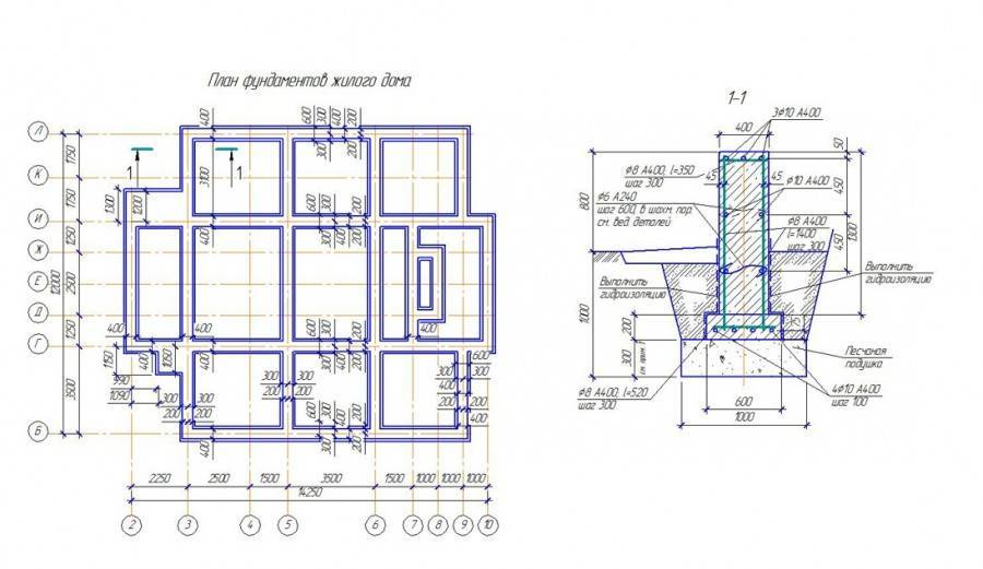
5. Армирование. Для него используются стальные прутья с диаметром 12 мм и желательно с антикоррозионным покрытием. Первым делом в дно траншеи вертикально вбиваются прутки арматуры, которые должны быть ниже бортов опалубки на 5 см. Вбиваются они в два ряда, с шагом 50 см и отступом от каждого борта в 5 см.
Следом кладутся горизонтальные прутки, но они не должны касаться дна. Высота над дном траншеи 7-10 см. Для этого под них временно подкладывают кирпичи. Затем вертикальные и горизонтальные прутки соединяются вязальной проволокой.
Второй ряд горизонтальных прутков должен быть на 6-8 см ниже обреза будущего фундамента. Для крепления снова используется вязальная проволока (сварка не рекомендуется).
6. Заливка. В большинстве случаев рекомендуется брать цемент М-500. В зимнее время заливку ленточного фундамента лучше не проводить, но если нет другого варианта, то придется добавить в бетон пластификаторы (жидкое мыло или средство для мытья посуды в количестве 200 мл на один замес бетономешалки), а потом позаботиться об утеплении застывающего бетона.
Рецепт раствора: цемент (1 часть), песок (3 части), щебень средний и мелкий (5 частей). Фракции щебня: 60-70% среднего и 40-30% мелкого.
Сначала смешайте ингредиенты всухую, потом добавьте воду в количестве 0,5 от доли цемента.
Заливку вести желательно в один прием. Если нет возможности, то минимально нужно заливать 20 см раствора.
Следующий этап — выгонка воздуха. Для этого нужно штыковать (протыкать куском арматуры) раствор и постукивать по стенкам опалубки. Но лучше воспользоваться строительным вибратором.
Снимают опалубку через 3-7 дней, а потом оставляют фундамент на 3 недели для окончательного застывания. В жару его нужно поливать водой 2-3 раза в день и закрывать от солнца, в холод или дождь — закрывать пленкой. Через 28 дней после заливки ленточный фундамент для бани будет готов к возведению стен.
Просохший фундамент нужно сразу же гидроизолировать, например, битумной мастикой и рубероидом.
Если полученной информации недостаточно, прочтите нашу статью, целиком посвященную ленточным фундаментам.
Определение типа фундамента
Исходя из состава грунта, его сопротивлению нагрузкам, общие рекомендации выглядят так.
- На текучих и текуче-пластичных грунтах (супеси, суглинки, глины стекают по наклонной поверхности, не раскатываются в жгут, прилипают) с показателем пластичности JL от 0,75 до 1, 0 и более: плитная основа.
- Туго-пластичные и твёрдые грунты (супеси, суглинки, глины рассыпаются при ударе или с трудом разминаются). JL 0 – 0,5: ленточный, столбчатый фундамент;
- На песчаных грунтах – винтовые сваи.
- На торфяном грунте толщиной более 3 м – забивные или винтовые сваи.
Там где грунт отсутствует и скальные, крупнообломочные породы, выходят на поверхность, они сами могут служить фундаментом.
Инженерно-геологические изыскания требуют финансовых затрат, конкретно для бани их проводят нечасто. Пользуются результатами исследований своего, соседних участков. Если имеется газопровод – отчёт по изысканиям есть у эксплуатантов.
Перед выбором проводится предварительный расчёт. Основные величины, которые используются: глубина фундамента под баню и нагрузка.
Глубина заложения
Сезонное промерзание грунта – основной показатель, который надо учитывать. Зависимость его от уровня грунтовых вод и снегового покрова нормируется СНИП 23-01-99 (Строительная климатология). Уже затем рассматривается нагрузка, глубина фундамента примыкающего строения, залегание инженерных коммуникаций.
| Глубина сезонного промерзания грунта, в см | |
| Омск, Новосибирск | 220 |
| Тобольск, Петропавловск | 210 |
| Курган, Кусентай | 200 |
| Свердловск, Челябинск, Пермь | 190 |
| Сыктывкар, Уфа, Актюбинск, Оренбург | 180 |
| Киров, Ижевск, Казань, Ульяновск | 170 |
| Самара, Уральск | 160 |
| Вологда, Кострома, Пенза, Саратов | 150 |
| Тверь, Москва | 140 |
| Петербург, Воронеж, Волгоград, Гурьев | 120 |
| Псков, Смоленск, Курск | 110 |
| Таллин, Харьков, Астрахань | 100 |
| Минск, Киев, Ростов на Дону | 90 |
| Фрунза, Алма-Ата | 80 |
| Калининград, Симферополь, Севастополь | 70 |
Карта и таблицы промерзания по городам России также помогут определить искомый показатель, причём в зависимости от типа грунта. Там, где возможно морозное пучение грунта и его осадка при оттаивании, для проектирования фундамента надо руководствоваться главой 14 СНИП 2.02.01-83. Баня – строение с нерегулярным отоплением. Это также надо учесть при расчётах: малозаглубленный тип с утеплёнными цоколем и отмосткой не спасёт при пучении.
Нагрузки
Сборная нагрузка складывается из веса основы, строения и его содержимого.
- Вес монолитного ленточного фундамента равен объёму железобетона, умноженному на его плотность: 2500 кг/м3.
- Вес стен, перегородок, цоколя, печи, перекрытия, кровли, фронтонов. Определяется аналогично.
- Временные нагрузки: люди, вода, снег на кровле. В районах с сильными ветрами следует добавить и этот показатель.
Полученную величину делят на площадь основания фундамента. Это и есть R – рассчитанное сопротивление 1,55 (условно) кгс/см2, 15,5 тс/м2, 155 кН/м2, 155 кПа. Его умножают на коэффициент надёжности – 1,3.
Расчётное сопротивление конкретного грунта определяется с помощью таблиц в СП 22.13330.2011. Так, для суглинка это 1,8 – 2,8 кгс/см2. Разнофракционного песка – 3 – 5 кгс/см2. Если рассчитанный показатель ниже расчётного нормативного – решение верное. Выше – просадка основы, а вместе с ней строения, неизбежна.
Столбы в качестве основания под баню
Еще один распространенный вариант – столбчатый фундамент для бани. Он подойдет для глинистых грунтов и для почв, характеризующихся невысоким уровнем грунтовых вод. На него лучше всего возвести стены из бруса или бревен.

Свайный фундамент
Столбчатый фундамент считается самым экономичным из всех оснований и самым быстровозводимым. Его тоже можно построить самостоятельно. Для этого потребуется:
- Освободить территорию под строительство.
- Произвести разметку по эскизу или плану.
- Согласно отмеченным местам выкопать ямы. Они должны располагаться по разметке с шагом 2 м.
- Фундамент под баню своими руками размером 4 х 6 м требует установки от 16 до 20 столбов. Точное их количество берется с учетом конфигурации постройки.
- В каждую выемку грунта насыпается песок толщиной 0,3 м.
- Сверху формируется бетонный слой (0,15 м).
- В качестве опор используются асбестоцементные трубы или столбы диаметром 0,5м. Перед заливкой бетона их нужно выставить строго ортогонально с помощью уровня или нивелира. Обязательные места – все углы, в местах стыков простенков внутри бани. Если сооружение с габаритами 6х6, в пролетах нужны дополнительные опоры (2 м одна от другой).
- В качестве столбов можно использовать бетонные основания, кирпичную кладку, металлические трубы, пр.
- Удерживаемые вертикально столбы окружаются арматурным каркасом.
- Вначале лунки засыпаются снаружи мелкофракционным песком. Он трамбуется.
- Во избежание поражения труб (металлических) коррозией и для придания им дополнительной устойчивости в полость засыпается песок.
- В яму около столбов заливается бетон до самых краев, утрамбовывается.
- Столбы должны выстояться 2-3 суток. После этого на них можно возводить конструкции.
Пред тем, как сделать фундамент для бани, следует подготовить необходимый инструмент и оснастку, просчитать материальные затраты. Если навыков строительства нет, то лучше поручить это дело профессионалам.
Строительство фундамента ленточного типа
Для небольших построек, таких как гараж, летняя кухня, баня, можно устраивать мелкозаглубленный ленточный фундамент. Для того чтобы вычислить глубину траншеи для такого основания, необходимо изучить состав почвы на участке.

Если грунт относится к стабильным – не рассыпчатым, в меру влажным – будет достаточно траншеи глубиной около 40 см. Для более неустойчивых почв – черноземных, торфяных, песчаных – эту величину нужно увеличить до 70-80 см.
Ширина фундамента зависит от материала стен бани: для легких сооружений будет достаточно 25 см, а для каменных или кирпичных стен необходимо минимум 35 см. Сама траншея, при этом, должна быть еще шире – где-то на 5 см.
Пошаговое описание процесса закладки ленточного фундамента под баню выглядит так:
- На выровненном участке находят самую низкую точку – от нее и будет вестись строительство основания. Для того чтобы талые и дождевые воды не повреждали баню, а своевременно сходили с участка вокруг нее, необходимо сделать небольшой уклон. Уклон делают в любую сторону, кроме севера (достаточно всего пары градусов).
- По углам будущего фундамента устанавливают металлические прутья, с их помощью натягивают веревки. В случае с ленточным фундаментом должно быть два контура (внутренний и внешний). Поэтому нужно натянуть две параллельные веревки, между которыми оставить расстояние, равное ширине фундамента плюс 5 см.
- Начинают выкапывать траншею. Если почва слишком сыпучая, траншею делают в виде перевернутой трапеции. Дно ямы должно быть ровным, его проверяют с помощью строительного уровня.
- Теперь нужно сделать гравийно-песчаную подушку – она обеспечит устойчивость фундамента, сгладит возможные подвижки грунта. На дно траншеи насыпают песок, смачивают его водой и трамбуют. Затем сыплют гравий, тоже трамбуют, теперь – снова песок. Слои чередуют до тех пор, пока траншея не заполнится наполовину.
- В случае очень неустойчивых грунтов можно еще больше укрепить основание под фундамент – положить слой кирпича или камня на гравийно-песчаную подушку.
- Теперь приступают к строительству опалубки. Ее сбивают из досок, при этом, весь крепеж должен остаться снаружи, между деталями конструкции не должно быть щелей. Чем ровнее будет опалубка, тем меньше придется шлифовать готовый фундамент.
- На дно траншеи укладывают арматуру из металлических прутьев и проволоки.
- На внутренние стенки опалубки укладывают полиэтилен или рубероид для защиты от влаги.
- Залить опалубку бетоном нужно за один раз. Если в работе сделать перерывы, фундамент будет слоистым и хрупким. Поэтому лучше заказать бетономешалку и приобрести необходимо количество готового раствора.
- Опалубку можно снимать через неделю, а продолжать строительство бани – только через три недели, когда бетон наберет достаточную прочность.

При строительстве бетонного фундамента важно помнить, что любые пузырьки воздуха в толще раствора рано или поздно приведут к разрушению материала. Поэтому лить бетон можно с высоты не более 50 см, а после заливки утрамбовать вибромашинкой или, хотя бы, проткнуть раствор прутом в нескольких местах







