Разграничение ответственности за электроприборы
Но схема подключения счетчика должна предусматривать возможность беспрепятственного доступа к нему. Инспектор должен в любой момент (по требованию или просьбе) иметь возможность снять показания, установить пломбу, проверить прибор и освидетельствовать. Если для подключения электросчетчика выбрано труднодоступное место, проверяющий может выписать штраф или перевести квартиру на оплату согласно общему тарифу, рассчитываемому по количеству жильцов.

Когда же речь идет о подключении счетчика электроэнергии в неприватизированной, муниципальной квартире, где он стоит на площадке, перенос возможен только с разрешения управляющей компании, ТСЖ, ГСК. За дачу и земельный участок отвечает садоводческое товарищество, в гараже – гаражный кооператив. Все работы в этом случае выполняет электрик, состоящий в штате, или подрядная организация на основании договора. Даже имея свой счетчик, подключение – зона ответственности полномочных органов, отвечающих за энергоподачу.
Часто спрашивают, как подключить электрический счетчик в частном доме? Раньше это можно было сделать в любом помещении, и чаще всего он находился в прихожей, котельной или в кладовой. Сейчас же лучше, если он установлен на стене, чтобы в ходе проверки инспектор мог зафиксировать показания, сверить оплату, установить наличие и размер задолженности. Разрешается устанавливать учетный прибор на любом сооружении. Главное, чтобы был виден ввод – подводящий кабель. А вот рубильник, «пробки» или автомат может стоять в доме.
Предварительный этап
Подключение электрического счетчика (ЭС) является заключительным этапом электромонтажных работ. Перед установкой трехфазного ЭС необходимо прежде всего иметь монтажную схему. Прибор необходимо проверить на наличие пломб на винтах кожуха. На этих пломбах должен быть указан год и квартал последней проверки и печать поверителя.
При подсоединении проводов к зажимам лучше сделать запас 70-80 мм. В дальнейшем подобная мера позволит произвести замер потребляемой мощности/тока и перемонтаж, в случае если схема была собрана неверно.
Каждый провод необходимо зажимать в клеммной коробке двумя винтами (на фото ниже их хорошо видно). Верхний винт затягивается первым. Перед затягиванием нижнего нужно убедиться, что верхний провод зажат, предварительно подергав его. Если при подключении счетчика используется многожильный провод, то его наконечники необходимо предварительно опрессовать.
3 Как подключить трёхфазный счётчик – косвенное подключение
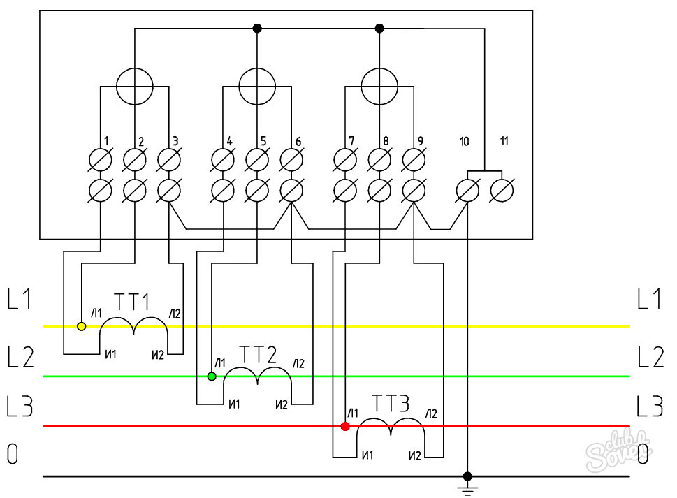
Если параметры общей потребляемой нагрузки превышают номинальное значение тока, который проходит через электрический счетчик, то придется установить разделительный токовый трансформатор. Его установка выполняется в разрыв токонесущего силового провода.

Последовательность действий
- Три трансформатора подключаются отдельно для каждого провода. Они крепятся на задней части вводного шкафчика. Первичные обмотки подключаются непосредственно за вводным рубильником. Трехфазный счетчик монтируется в шкафчике.
- К фазной жиле трансформатора подключается проводник диаметром 1,5 мм. Свободные концы заводятся на второй клеммный контакт трехфазного электросчетчика.
- 2 оставшихся трансформатора подключаются по аналогии.
- Соблюдайте правильность фазировки подключения обмоток. При неправильном подключении показания прибора будут неправильными.
- Подсоедините оставшиеся обмотки трансформаторов к соответствующим контактам счетчика.
- В результате останется 1 контакт, предназначенный для подключения шины зануления.

Установка и подключение
Снять и установить трехфазные счетчики электроэнергии Тайпит Нева, Меркурий и другие можно своими руками, если есть схема подключения прямым способом (на фото) или через трансформаторы. Монтаж учетников производится либо на входе в жилое или производственное помещение, либо в специальную щитовую на лестничной площадке.

Фото — стандартная схема
В большинстве случаев, счётчики, которые можно подключать прямым способом без соединения с трансформаторами, имеют некоторые ограничения по техническим характеристикам. В частности, они ограничены до 100 ампер. Клеммная колодка этих устройств имеет 8 пар контактов, которые подсоединятся аналогично однофазному.

Фото — подключение к 4-проводной сети
Перед счетчиком устанавливается автоматический выключатель, который поможет предупредить короткое замыкание и отключить электроэнергию, если ток превысил максимальный показатель. Питание по фазам также нужно производить при помощи автоматических выключателей, нагрузка распределяется равномерно.
Есть еще один вариант подключения – при помощи трансформаторов тока.

Фото — подключение через трансформаторы
Таким образом можно подключить счетчики, у которых максимальная сила тока может превышать 100 Ампер. На схеме указаны пунктирные линии – это соединения, которых может не быть.
Как правильно подключать однофазный прибор учета
Во-первых, необходимо организовать грамотный ввод электричества. В основном используется либо ответвление от воздушной линии электропередач, либо применяется прокладка кабеля под землей. Все эти операции должны выполняться специалистами из местной энергетической организации. Вы лишь можете позаботиться о расходных материалах и защитном оборудовании, посредством которых будет организован ввод электричества в ваш дом.
Во-вторых, нужно купить шкаф, где будут располагаться прибор учёта, автоматические выключатели, устройства защитного отключения, соединительные провода и прочее. Ваша безопасность будет напрямую зависеть о того, какое защитное оборудование вы выберите. Минимальный комплект, который обеспечит базовую защиту от короткого замыкания, перегруза, утечки, состоит, как правило, из следующих приборов защиты:
• двухполюсный автоматический выключатель,
• устройство защитного отключения – УЗО.
Конечно, можно сэкономить, купив дешевый однополюсный автоматический выключатель, но этого делать мы не рекомендуем. Лучшее решение – одновременная коммутация и нулевого, и фазового провода. Если заглянуть в «Библию электрика» — ПУЭ, то мы узнаем, что однополюсный автоматический выключатель нужно устанавливать только на линию фазы. Следовательно, обязательно проверьте работу электрика, вооружившись отверткой-индикатором. Если после отключения автоматического выключателя в ваших розетках все-таки остается «фаза», то, значит, автоматический выключатель был ошибочно установлен на шину ноля. Неискушённые в электрике люди могут просто-напросто этого и не заметить, ведь при отключении автомата во всем доме свет гаснет, как и положено. Однако такое подключение противоречит правилам устройства электроустановок. Также распространённой ошибкой является установка двух однополюсных автоматических выключателей вместо одного двухполюсного. Безусловно, работать такая связка может и будет, но может возникнуть одна нештатная ситуация, когда при коротком замыкании или перегрузе по току сработает только автомат на ноле. При таком срабатывании опасный потенциал фазного провода будет продолжать поступать в сеть. В ПУЭ однозначно написано, что должна полностью исключаться любая возможность коммутации нулевого провода отдельно от фазового. Некоторые горе-электромонтажники просто соединяют 2 «клювика» однополюсных выключателей в единую конструкцию посредством проволоки, но на практике такая конструкция не отличается надежностью срабатывания, ведь одному «клювику» приходится тянуть вниз и второй, чего производитель явно не предусмотрел. Поэтому покупайте нормальные двухполюсные выключатели, в которых предусмотрена одновременная коммутация и нулевой, и фазовой линии.
И, наконец, в-третьих, перед тем как поставят пломбу на прибор учета электроэнергии, проверьте, каким образом подключены провода. Классическая схема выглядит так: первый провод – вход фазы, второй провод – выход фазы, третий провод – вход нулевого рабочего проводника, четвёртый провод – выход нулевого провода на потребителей электроэнергии в вашем доме.

Схема подключения однофазного электросчетчика
Любое другое подключение проводов приведет либо к полной остановке электросчетчика, либо приведет к вращению в обратную сторону, либо к учету с серьезной погрешностью в вашу пользу. Безусловно, некоторые специально путают провода, чтобы получить возможность останавливать счётчик, но этого делать мы не рекомендуем. Практика показывает, что усилий и страха такая экономия просто-напросто не стоит. Лучше купить солнечную панель или ветряную электростанцию, чтобы вполне легально не платить за электроэнергию.
Схема подключения однофазного электросчетчика
Представленная здесь схема подключения однофазного электросчетчика универсальна и одинаково подходит для установки одно- или двухтарифного счетчика электроэнергии, не важно электронного или индукционного (механического) он типа, вне зависимости от марки и фирмы производителя, будь то Нева, Энергомера, Меркурий и т.п

Практически любой однофазный счетчик имеет четыре клеммы для подключения проводов. В зависимости от марки и функционала конкретного электрического счетчика, клеммы могут быть промаркированные по-разному, но при этом порядок подключения проводов к ним один. Поэтому для удобства и универсальности мы на схеме пронумеруем их по порядку, слева на право от 1 до 4.

Вводной электрический кабель, заходящий в квартиру или дом, в однофазной сети состоит из двух (фаза и ноль) или трех (фаза, ноль, заземление) проводов.
Для подключения электросчетчика и его правильной работы нам понадобится два провода — это фаза и рабочий ноль. Определить какой из ваших проводников фазный, а какой нулевой поможет статья «Как определить фазу, ноль и заземление самому, подручными средствами?»
Универсальная схема подключения проводов к однофазному электросчетчику
Схема выглядит следующим образом:

На схеме вы можете видеть расположенный по центру однофазный электросчетчик, слева к нему подходит вводной силовой кабель (фаза и ноль), справа расположены провода, выходящие на нагрузку, грубо говоря по ним уже протекает учтенная счетчиком электроэнергия, которая через защитную автоматику поступает к вашим розеткам, светильникам и т.д.
- Порядок подключения проводов к клеммам однофазного счетчика следующий:
- Клемма «1» — Фазный провод вводного кабеля (обычно белый, коричневый или черный провод)
- Клемма «2» — Фазный провод, выходящий на нагрузку квартиры или дома (обычно белый, коричневый или черный провод)
- Клемма «3» — Нулевой провод вводного кабеля (обычно голубой или сине-голубой провод)
- Клемма «4» — Нулевой провод, выходящий на нагрузку квартиры или дома (обычно голубой или сине-голубой провод)
Подключения выполненного по этой схеме, уже достаточно для правильной работы однофазного счетчика в домашней электросети. Подключение защитного заземления к электросчетчику не требуется. Дополнительные клеммы, которые могут быть на вашей модели однофазного электросчетчика – вспомогательные и служат для доступа к сервисным функциям, обслуживания, автоматизации учета энергии и т.д.
Схема подключения однофазного счетчика в электрощите
В домашней электросети однофазный счетчик электрической энергии всегда устанавливается и взаимодействует с защитной автоматикой. Всё это хозяйство обычно располагается в специальном ящике – щите учета и распределения (ЩУР) электроэнергии.
И конечно же существуют правила, по которым выполняется подключение однофазного электросчетчика. Если следовать им, самая простая схема подключения однофазно счетчика должна выглядеть следующим образом:

Как видите, перед электросчетчиком, необходимо установить однополюсный автоматический выключатель, так называемый «вводной автомат», в который заходит фазный провод вводного кабеля и уже из него фаза поступает в клемму «1» электросчетчика, рабочий ноль заходит сразу в клемму «3», а защитное заземление (защитный ноль) подключается напрямую к нулевой шине.
В качестве нагрузки в нашем примере, выступают — защитный автоматический выключатель, к которому можно подключить группу освещения и автоматический выключатель дифференциального тока (дифференциальный автомат, дифавтомат), на группу розеток. Компоновка вашего щита может быть иной, но принцип подключения автоматики после однофазного электросчетчика будет схожим.
Это наиболее простая из рекомендованных в ПУЭ (правила устройства электроустановок) и часто применяемая, схема подключения однофазного электросчетчика.
Так же, я бы рекомендовал рассмотреть более доработанный, усовершенствованный вариант схемы подключения однофазного электросчетчика, в котором используется двухполюсный вводной автомат.

Как видите, в этой схеме через двухполюсный автоматический выключатель, проходит не только фазный, как в первом случае, но и нулевой проводник вводного питающего кабеля.
Теперь, в случае возникновения аварийной ситуации и срабатывания вводного автомата, разорвется и нулевой провод, на котором, в некоторых случаях, может быть опасный потенциал и это не единственное преимущество данной схемы подключения.
Помните, важно использовать именно двухполюсный автомат, а не два, не объединенных однополюсных!
4 Почему трехфазные счетчики пользуются популярностью
Сейчас помимо обычных двухфазных счетчиков популярными стали трехфазные счетчики. Объясняется это их многофункциональностью и возможностью сохранения расходов на потреблении электроэнергии.
Обратите внимание, при использовании однофазного подключения потребителя 20 кВт, понадобился бы кабель большого сечения. Распределение нагрузки при этом проблематично осуществить, так как будут задействованы 1 фаза и 0
Трехфазное подключение позволяет полностью решить эту проблему.
Необходимость трехфазного счетчика связана с измерением величины реактивной и активной электроэнергии. Необходимо уметь различать реактивные и активные счетчики:
- многотарифные 1-но и 2-направленные;
- однотарифные прямого подключения с классом точности 1 и 2, оснащенные индикатором.

Предложенные в статье способы подключения являются универсальными. При необходимости вы всегда можете посмотреть подробную инструкцию в паспорте ЭС.
Счетчик СО-ЭУ10 — технические характеристики
Доброго времени суток, друзья! К нам попал счетчик СО-ЭУ10, по отзывам говорят что счетчик надежный и недорогой, так же не прихотлив в плане эксплуатации. Сегодня разберем какие технические характеристики имеет этот электросчетчик, когда нужно его поверять.

СО-ЭУ10 — это однофазный однотарифный прибор учета активной электрической энергии в цепях переменного тока. Предназначен для эксплуатации в помещениях. Подходит для квартир, дачных домов и гаражей с приемлемым потреблением электроэнергии.
На счетчике имеется механический отсчетный механизм — барабанный циферблат, на котором показывается количество намотанных киловатт.
В счетчике вращается кольцо, количество оборотов за единицу времени пропорционально количеству потребляемой энергии.
Технические характеристики
Рассмотрим основные технические характеристики, которые могут пригодиться при выборе электросчетчика, либо при его эксплуатации.
- Температура окружающей среды в которой может достоверно вести учет счетчик от -22 до +55
- Номинальное напряжение в сети 220 Вольт
- Базовый и максимальный ток 10/40 А.
- Частота сети 50 Гц
Постоянная счетчика для определения точности расхода электричества по вращению индукционного кольца равна 600 оборотов киловатт/час. По скорости вращения можно самим определить какое сейчас энергопотребление.
Класс точности
Счетчик принадлежит ко 2 классу точности измерения. В более совершенных счетчиках класс точности прибора может быть 1 или 0,5. Для небольшого домашнего энергопотребления это значение большой роли не играет.
Межповерочный интервал
Межповерочный интервал СО-ЭУ10 составляет 16 лет. Отсчет начинается со дня первой поверки на заводе, поэтому правильно считайте, и изучите паспорт перед вводом в эксплуатацию. Поверку проводят метрологи, которые должны будут поставить соответствующую отметку в паспорте счетчика. Если паспорта нет, то в поверке могут отказать.
Бетар сгбм 1.6 — характеристики и замена батареи
Срок службы
Срок службы электросчетчика СО-ЭУ10 составляет 32 года. Это средний срок службы данного счетчика.
Так же кроме срока эксплуатации есть характеристика наработка часов на отказ, у данного счетчика это значение 140 000 часов непрерывной работы, или почти 16 лет.
Для некоторых однофазных однотарифных счетчиков индукционного типа наработка на отказ почти совпадает со сроком службы. Производитель дает стандартную гарантия в 24 месяца.
Как снять показания

В снятии показаний со счетчика СО-ЭУ10 все производится так же как и в других однотарифных счетчиков, переписываются все цифры слева направо, до запятой или выделенной цветом цифрой. Счетчик всего имеет 6 разрядов (разрядность/значность). СО-ЭУ10 ведет учет как целые киловатты так и доли, 5 разрядов слева направо до запятой количество киловатт, их и переписываем при снятии. Крайняя правая цифра это доли киловатт, ее переписывать не нужно.
Схема подключения
Для установки и подключения счетчика можно воспользоваться схемой подключения обычных однофазных электросчетчиков, особых тонкостей в установке данного счетчика нет.
Более подробные характеристики и руководство пользователя можно посмотреть в паспорте на счетчик. Старайтесь не терять его так как он понадобится в процессе эксплуатации для проведения поверки. Ниже прикладываем паспорт на СО-ЭУ10.Паспорт СО-ЭУ10.PDF
Принцип работы измерительных трансформаторов
Следовательно, счетчик не будет работать и выдавать показания. Все приборы имеют электронные пломбы и обладают длительным сроком службы до 16 лет.
Сегодня в продолжение, схемы подключения однофазного счетчика , схемы подключения трёхфазного электросчётчика учета. Электронные устройства Современный электронный учёт электроэнергии организуется по нескольку иному принципу и позволяет получить ряд преимуществ, основными из которых являются: Высокая точность снятия показаний, существенно превышающая тот же показатель для индукционного прибора; Возможность эксплуатации в многотарифном режиме; Допустимость организации автоматического снятия показаний. Преимущества установки и эксплуатации изделия Меркурий Трансформатор тока Меркурий Электросчетчики рассматриваемого класса представляют собой приборы учета, с помощью которых удается замерять расходуемую в трехфазных цепях энергию.
Кабель, подключаемый к выходам Л1 и Л2, рассчитывается на необходимую нагрузку. Первичный контур выполняется из мощной токопроводящей шины, которая продевается сквозь центр устройства и подсоединяется в разрыв проводников питания потребителей электрической энергии.
Здесь работы, строго, должны производить профессионалы с соответствующими допусками работ. Большое значение имеет правильный выбор трансформатора
Очень важно соблюсти правильную фазировку включения обмоток
См. также: Пуэ кабель в земле
Подключаем трехфазный электросчетчик
Схемы подключения Схема полукосвенного подключения Схема подключения счетчика через трансформаторы тока Меркурий предусматривает несколько способов его включения, отличающихся коммутацией линейных проводников: полукосвенное подключение; прямое включение; косвенный способ. Аналогично подключают провода сечением 1.
Чтобы избежать путаницы при возникновении каких-либо неисправностей обязательно сделайте отметки с номером квартиры на ваших автоматических выключателях и счетчике. В счетчике также предусмотрен особый вид защиты, исключающий возможность несанкционированного проникновения при попытках хищения электроэнергии. Несмотря на то, что такие приборы и их программирование стоят дороже однозонных, это выгодно. Одна из них — подсоединение посредством десяти отдельных проводящих жил.
Это упрощает монтаж и ремонт электрооборудования и заметно снижает риски при его эксплуатации в нормальных режимах. Поэтому если у человека нет уверенности в собственных талантах электрика при подключении трёхфазного электросчётчика через трансформатор, то целесообразно задуматься о вызове специалиста. Кроме того, при этом способе коммутации повышается надежность его функционирования и безопасность эксплуатации. Монтаж трёхфазного счётчика также выполняется в шкафчике.
По аналогии выполняется подсоединение оставшихся обмоток трансформаторов к соответствующим контактам на счётчике. При отсутствии сборок с зажимами необходимо устанавливать испытательные блоки.
Подключение ТЭН в трехфазную сеть. Часть 2




















































